

| 球阀 |
| 闸阀 |
| 蝶阀 |
| 截止阀 |
| 止回阀 |
| 排气阀 |
| 过滤器 |
| 电磁阀 |
| 旋塞阀 |
| 平衡阀 |
| 减压阀 |
| 调节阀 |
| 角座阀 |
| 针型阀 |
| 疏水阀 |
| 管夹阀 |
| 隔膜阀 |
| 阻火器 |
| 呼吸阀 |
| 排泥阀 |
| 液压阀 |
| 放料阀 |
| 柱塞阀 |
| 低温阀门 |
| 衬氟阀门 |
| 塑料阀门 |
| 刀型闸阀 |
| 陶瓷阀门 |
| 黄铜阀门 |
| 水力控制阀 |
| 电动气动阀门 |
| 特材阀门 |
| 进入更多阀门系列 |

| 产品品牌 | Ruihao |
| 产品型号 | Q671F |
| 产品口径 | DN15-DN150 |
| 产品压力 | 1.6Mpa-4.0Mpa |
| 产品材质 | WCB,CF8,CF8M |
| 产品应用 | 石油,化工,制药 |
| 产品特点 | ●瑞濠阀门,Ruihao工业品质。 ●质量保证,交货快捷,售后完善。 ●产品三包:包修、包换、包退。 ●(Ruihao)Pipeline Safety Keeper。 ●Ruihao工业品牌阀门,管道的安全管理员。 ●销售热线:+8613676550726、31007662。 |
| 零件名称 | 材料 PN16 | CLASS 150 |
| 本体 | 1.4408/EN1503-1 | CF8M,CF8(1.4408) |
| 球BALL | CF8M | CF8M |
| 中轴 | SS316 | ANSI 316 |
| 侧盖 | 1.4408/EN1503-1 | CF8M,CF8(1.4408) |
| 大薄片 | PTFE | PTFE |
| 球垫 | PTFE | PTFE |
| 小薄片 | PTFE | PTFE |
| 中口 | PTFE | PTFE |
| 铁圈 | SS304 | ANSI 304 |
| 把手 | SS304 | ANSI 304 |
| 胶套 | PLASTIC | ANSI 304 |
| 下螺帽 | SS304 | ANSI 304 |
| 上螺帽 | SS304 | ANSI 304 |
| 盘型华司 | SS304 | ANSI 304 |
| 挡柱 | SS304 | PLASTIC |
| 胶套 | PLASTIC | PLASTIC |
| 挡片 | SS304 | SS304 |
| 把手接头 | CF8 | CF8 |
| 圆管板杆 | STEEL | STEEL |
| 抗磨片 | PTFE.+25GG.F. | PTFE.+25GG.F. |
| 防松华司 | SS304 | ANSI 304 |
| 螺丝 | SS304 | ANSI 304 |
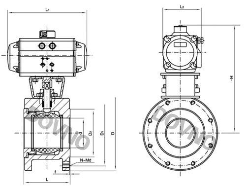
| 规格 | 外形尺寸 | 连接法兰尺寸 | |||||||||
| d | L | L1 | L2 | ~H | D | D1 | D2 | B | f | N-Md | |
| DN15 | 15 | 35 | 141/159 | 71/83 | 177/208 | 95 | 65 | 46 | 14 | 2 | 4-M12 |
| DN20 | 20 | 42 | 141/159 | 71/83 | 182/213 | 105 | 75 | 56 | 14 | 2 | 4-M12 |
| DN25 | 25 | 48 | 141/211 | 71/95 | 187/230 | 115 | 85 | 65 | 16 | 2 | 4-M12 |
| DN32 | 29 | 55 | 159/211 | 83/95 | 223/243 | 140 | 100 | 76 | 16 | 3 | 4-M16 |
| DN40 | 38 | 65 | 211/248 | 95/107 | 231/261 | 150 | 110 | 84 | 18 | 3 | 4-M16 |
| DN50 | 46 | 75 | 248/269 | 107/123 | 258/293 | 165 | 125 | 99 | 20 | 3 | 4-M16 |
| DN65 | 62 | 95 | 248/315 | 107/141 | 273/298 | 185 | 145 | 118 | 22 | 3 | 4-M16 |
| DN80 | 76 | 118 | 269/345 | 123/152 | 303/325 | 200 | 160 | 132 | 24 | 3 | 8-M16 |
| DN100 | 92 | 140 | 245/409 | 152/172 | 333/390 | 220 | 180 | 156 | 24 | 3 | 8-M16 |
| DN125 | 110 | 200 | 409/438 | 172/187 | 380/468 | 250 | 210 | 184 | 26 | 3 | 8-M16 |
| DN150 | 145 | 225 | 438/550 | 187/215 | 432/520 | 285 | 240 | 211 | 26 | 3 | 8-M20 |