瑞濠品牌,燃气球阀可采用浮动式或固定式结构,密封可靠,关闭严密,使用寿命长,燃气球阀防火防静电防飞结构、设计新颖、操作灵活、切断迅速、扭矩轻,全通道、双向密封等特点。本系列球阀产品适用于天然气、城市煤气、液化石油气、沼气、煤气等可燃性气体。
燃气球阀产品简述:
燃气专用球阀适用于天燃气、煤气、液化石油气、液化石油气混空气等燃气输送场合,手柄操作力矩平稳。该球阀是球体无支撑轴,球体被两阀座夹持其中呈"浮动"状态,燃气球阀它在管道上主要用于切断、分配和改变介质流动方向;阀座采用特殊双斜面弹性密封圈设计、可靠的倒密封杆、防火防静电功能、自动泄压和锁定装置等结构特点。燃气专用球阀广泛应用于:化工、石油、天燃气、燃气、冶金等行业。
燃气球阀设计标准:
APPLECABLE STANDARDS:
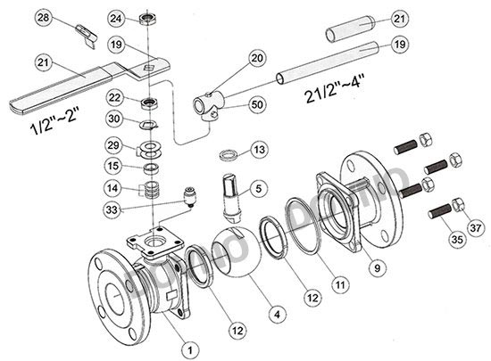
防爆中轴/全流Blow-out Proof stem/Full port
设计和制造标准按照Design: GB/T12237/1989;
结构长度按照face toface : GB/T12221-1989;
法兰端尺寸按照End Flange:GB9113.1;
检验和测试按照Test: GB/T13927-1992;
防火设计测试Fire Safe:API607;
燃气球阀产品特点:
1、天燃气专用球阀全通径设计:全通径阀门具有与管子内径完全一致的流体通道,减小流阻损失,便于管道清扫。
2、燃气球阀耐火/防火结构:天燃气球阀采用软硬双重密封结构,当阀门的使用现场发生火灾时,非金属密封材料被高温分解或破坏后,球阀能够借助特别设计的金属对金属辅助密封结构,有效的控制阀门的内漏和外漏,防止火灾扩大。
3、燃气球阀防静电设计:采用铬镍不锈钢的弹簧和小球,使球体、阀杆和阀体之间相互导电,球阀在开启过程中产生的静电能通过所设置的静电通道传入管路导入地下,达到清除静电的目的。
4、阀杆防喷出的设计:阀杆采用防喷出结构设计的整体T形结构,即使在阀腔异常升压以及填料压板失效等端情况下,也能保证阀杆不会被介质吹出。它嵌入阀体内部,肯有倒密封的功能,倒密封的密封力随着介质压力的增高而大,故能在各种压力下均能确保阀杆的可靠密封。
5、天燃气球阀防止阀杆的磨损和错误操作(带锁)设计:将传统的填料压盖改进为填料压板和填料压套两体式结构设计,压板和压套采用球形接触,确保压套始终垂直,并在压套内部设置了聚四氟乙烯衬套,避免了阀杆与压套的磨损,并减小了阀门的操作力矩。而防止误操的结构设计则是设置了带锁孔的90゜开关定位片,可以加锁,防止误操作。阀杆头部采用扁形设计,阀门开启时,手柄与管路平行;阀门关闭时,手柄与管路垂直,确保阀门开关指示不会发生错误。

·燃气球阀质保体系:
有了您的信任与支持,我们提供值得信赖的Ruihao品牌产品,我们支持一系列的系统技术参数、技术指导、文件支持,实行质量跟踪、客户档案、售后保障。
·燃气球阀产品标准:
我们的产品按国际及国内相关标准验收,产品实行"全程跟踪"服务;随货提供"铭牌""质量证明""质保卡",产品带有"说明书""检验报告"等相关说明。
·燃气球阀解决方案:
瑞濠公司为工业系统和水力提供的整体方案,我们专注产品质量,把握每一个产品细节全程控制; 不仅为用户解决需求,还保障了控制系统运行可靠性,减少系统的故障及维护,不懈努力的为用户提供高品质、高性能的产品。
·燃气球阀售后保障:
瑞濠公司实行完善的用户档案和全程服务制度,每个用户都进行全程免费技术咨询、安装指导、跟踪服务以及相关咨询服务。
瑞濠公司的阀门产品实行"三包"服务,货物到现场提供相应技术指导支持; 质保期实行12个月到24个月不等。
·燃气球阀订购说明:
1.阀门产品:如有指定型号标准,请直播销售热线咨询价格,了解详情!
2.技术支持:如没有指定产品型号规格,请把工况要求、设计图纸、技术规范,发送传真或邮件至本公司。
3.产品订货参数:通径(DN),公称压力(Mpa),温度(℃),连接方式(螺纹、法兰、对夹等)。
4.产品驱动方式:手动、蜗轮、气动、电动等。
5.产品标准:国标GB、日标JIS、美标ANSI、德标DIN、英标BS、欧标EN等。
6.报价确认:本公司提供报价清单及技术标准说明至客户确认,在双方技术各方面确认后再拟定合同。
7.阀门质量要求、质量标准、供方对质量负责的条件:按国家有关质量标准。