

| 球阀 |
| 闸阀 |
| 蝶阀 |
| 截止阀 |
| 止回阀 |
| 排气阀 |
| 过滤器 |
| 电磁阀 |
| 旋塞阀 |
| 平衡阀 |
| 减压阀 |
| 调节阀 |
| 角座阀 |
| 针型阀 |
| 疏水阀 |
| 管夹阀 |
| 隔膜阀 |
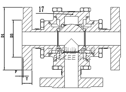
| 阻火器 |
| 呼吸阀 |
| 排泥阀 |
| 液压阀 |
| 放料阀 |
| 柱塞阀 |
| 低温阀门 |
| 衬氟阀门 |
| 塑料阀门 |
| 刀型闸阀 |
| 陶瓷阀门 |
| 黄铜阀门 |
| 水力控制阀 |
| 电动气动阀门 |
| 特材阀门 |
| 进入更多阀门系列 |

| 产品品牌 | Ruihao |
| 产品型号 | PSK-FQ44F,FQ45F |
| 产品口径 | DN15-DN80 |
| 产品压力 | PN16,PN40,150lb |
| 产品材质 | 304、316SS |
| 产品应用 | 水、油品 |
| 产品特点 | ●瑞濠阀门,Ruihao工业品质。 ●质量保证,交货快捷,售后完善。 ●产品三包:包修、包换、包退。 ●(Ruihao)Pipeline Safety Keeper。 ●Ruihao工业品牌阀门,管道的安全管理员。 ●销售热线:+8613676550726、31007662。 |


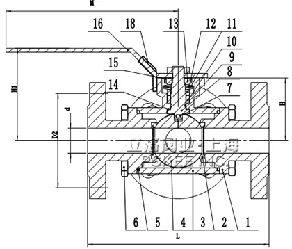
| 序号 | 名称 | 数量 | 材料名称 |
| 1 | 阀盖 | 3 | 1.4308 |
| 2 | 阀座 | 4 | PTFE |
| 3 | 阀体 | 1 | 1.4308 |
| 4 | 球 | 1 | ASTM A276 F304 |
| 5 | 线条 | 4 | 石墨+金属垫 |
| 6 | 连接螺栓 | 16 | A194-8 |
| 7 | 阀杆防静电装置 | 2 | ASTM A276 304 |
| 8 | 阀杆 | 1 | ASTM A276 F304 |
| 9 | O型圈 | 1 | NBR |
| 10 | 填料 | 2 | PTFE |
| 11 | 压圈 | 1 | ASTM A276 F304 |
| 12 | 蝶形垫片 | 2 | ASTM A276 F304 |
| 13 | 阀杆螺母 | 2 | A194 8.8A |
| 14 | 止推垫片 | 1 | PTFE |
| 15 | 防松盖 | 1 | ASTM A276 304 |
| 16 | 手柄 | 1 | ASTM A276 304 |
| 17 | 后盖 | 1 | ASTM A276 304 |
| 18 | 手柄锁 | 1 | ASTM A276 304 |
| DN | L | d | D1 | D2 | D3 | H | H1 | M | N1 | N2 | n-01 | N-02 | T | F |
| 15 | 150 | 15 | 95 | 65 | 45 | 49 | 80 | 170 | 42 | 36 | 4-6 | 4-6 | 16 | 2 |
| 20 | 160 | 20 | 105 | 75 | 58 | 57 | 75 | 170 | 50 | 42 | 4-7 | 4-6 | 18 | 2 |
| 25 | 180 | 25 | 115 | 85 | 68 | 62 | 90 | 170 | 50 | 42 | 4-7 | 4-6 | 18 | 2 |
| 32 | 190 | 32 | 140 | 100 | 78 | 74 | 103 | 170 | 50 | 42 | 4-7 | 4-6 | 18 | 2 |
| 40 | 212 | 38 | 150 | 110 | 88 | 81 | 110 | 250 | 70 | 50 | 4-9 | 4-7 | 18 | 2 |
| 50 | 230 | 49 | 165 | 125 | 10 | 90 | 125 | 250 | 70 | 50 | 4-9 | 4-7 | 20 | 3 |
| 65 | 290 | 63 | 185 | 145 | 122 | 107 | 150 | 365 | 102 | 70 | 4-11 | 4-9 | 18 | 3 |
| 80 | 310 | 76 | 200 | 160 | 138 | 120.5 | 170 | 365 | 102 | 70 | 4-11 | 4-9 | 20 | 3 |
