【三通L型球阀】瑞濠品牌.质量保证,瑞濠阀业全方面介绍Q44F三通L型球阀相关标准、选型、作用、结构图、规格型号;外形尺寸、工作原理、安装维护及产品说明书;为广大用户提供高品质、高性能、高标准、高寿命、价格优惠的系列三通L型球阀。
|
三通L型球阀简述:
|
|
三通L型球阀在结构上采用一体化结构,4面阀座的密封型式,可靠性高,设计实现了轻量化,使用寿命长,流通能力大,阻力小。三通L型球阀有T型和L型。T型球阀能使三条正交的管道相互联通和切断第三条通道,起分流、合流作用。L型球阀只能连接相互正交的两条管道,不能同时保持第三条管道的相互连通,只起分配作用。
|
|
|
三通L型球阀特点:
|
设计标准: GB/ T12237—1989, DIN 3357/ 1, API 608
法兰标准: GB/ T9113.1, JB/ T 79, DIN 3202, JIS B2002, ASME B16.10
结构标准: GB/ T12221—1989, DlN 3202, JlS B2002, ASME 16.10
检验标准: GB/ T13927 DlN 3230/ 3, API 598 JIS B 2003
|
|
|
|
三通L型球阀用途和性能规范:
|
本阀适用于工作温度≤150℃的水、蒸汽或油类介质的管路上,
用来转换流向及接通或截断路中介质
|
|
|
|
三通L型球阀流向图:
|

|
|
|
|
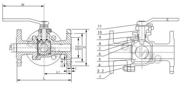
三通L型球阀外形结构尺寸图:
|

|
|
|
|
三通L型球阀外形尺寸表:
|
|
国标GB STANDARD(PN1.6Mpa)
|
|
公称通径DN
|
15
|
20
|
25
|
32
|
40
|
50
|
65
|
80
|
100
|
125
|
150
|
200
|
250
|
300
|
尺寸
(mm)
|
L
|
150
|
160
|
180
|
200
|
220
|
240
|
260
|
280
|
320
|
380
|
440
|
550
|
670
|
720
|
|
D
|
95
|
105
|
115
|
135
|
145
|
160
|
180
|
195
|
215
|
245
|
280
|
335
|
405
|
460
|
|
D1
|
65
|
75
|
85
|
100
|
110
|
125
|
145
|
160
|
180
|
210
|
240
|
295
|
365
|
410
|
|
Z-Φd
|
4-Φ14
|
4-Φ14
|
4-Φ18
|
4-Φ18
|
4-Φ18
|
4-Φ18
|
4-Φ18
|
8-Φ18
|
8-Φ18
|
8-Φ18
|
8-Φ23
|
12-Φ23
|
12-Φ25
|
12-Φ25
|
|
|
|
|
日标T型三通L型球阀外形尺寸表:
|
|
美标ANSI STANDARD(150LB)
|
|
公称通径DN
|
15
|
20
|
25
|
32
|
40
|
50
|
65
|
80
|
100
|
125
|
150
|
200
|
250
|
300
|
尺寸
(mm)
|
L
|
150
|
160
|
180
|
200
|
220
|
240
|
260
|
280
|
320
|
380
|
440
|
550
|
670
|
720
|
|
D
|
89
|
98
|
108
|
117
|
127
|
152
|
178
|
190
|
229
|
254
|
279
|
343
|
406
|
483
|
|
D1
|
60.5
|
70
|
79.5
|
889
|
98.5
|
121
|
140
|
153
|
191
|
216
|
242
|
299
|
362
|
432
|
|
Z-Φd
|
4*15
|
4*15
|
4*15
|
4*15
|
4*15
|
4*19
|
4*19
|
8*19
|
8*22
|
8*22
|
8*22
|
8*22
|
2*25
|
2*25
|
|
|
|
|
美标三通L型球阀外形尺寸表:
|
|
日标 JIS STANDARD(10K)
|
|
公称通径DN
|
15
|
20
|
25
|
32
|
40
|
50
|
65
|
80
|
100
|
125
|
150
|
200
|
250
|
300
|
尺寸
(mm)
|
L
|
150
|
160
|
180
|
200
|
220
|
240
|
260
|
280
|
320
|
380
|
440
|
550
|
670
|
720
|
|
D
|
95
|
100
|
125
|
135
|
140
|
155
|
175
|
185
|
210
|
250
|
280
|
330
|
400
|
445
|
|
D1
|
70
|
75
|
90
|
100
|
105
|
120
|
140
|
150
|
175
|
210
|
240
|
290
|
355
|
400
|
|
Z-Φd
|
4*15
|
4*15
|
4*19
|
4*19
|
4*19
|
4*19
|
4*19
|
8*19
|
8*19
|
8*23
|
8*23
|
12*23
|
12*25
|
16*25
|
|
三通L型球阀采用两阀座密封结构,外形美观、密封性能好,它能实现对管道中介质流向的切换,也能使相互垂直的两个通道连通或关闭。三通L型球阀适用于工作温度≤150℃的水、蒸汽或油类介质的管路上,用来转换流向及接通或截断路中介质。

·三通L型球阀质保体系:
有了您的信任与支持,我们提供值得信赖的Ruihao品牌产品,我们支持一系列的系统技术参数、技术指导、文件支持,实行质量跟踪、客户档案、售后保障。
·三通L型球阀产品标准:
我们的产品按国际及国内相关标准验收,产品实行"全程跟踪"服务;随货提供"铭牌""质量证明""质保卡",产品带有"说明书""检验报告"等相关说明。
·三通L型球阀解决方案:
瑞濠公司为工业系统和水力提供的整体方案,我们专注产品质量,把握每一个产品细节全程控制; 不仅为用户解决需求,还保障了控制系统运行可靠性,减少系统的故障及维护,不懈努力的为用户提供高品质、高性能的产品。
·三通L型球阀售后保障:
瑞濠公司实行完善的用户档案和全程服务制度,每个用户都进行全程免费技术咨询、安装指导、跟踪服务以及相关咨询服务。
瑞濠公司的阀门产品实行"三包"服务,货物到现场提供相应技术指导支持; 质保期实行12个月到24个月不等。
·三通L型球阀订购说明:
1.阀门产品:如有指定型号标准,请直播销售热线咨询价格,了解详情!
2.技术支持:如没有指定产品型号规格,请把工况要求、设计图纸、技术规范,发送传真或邮件至本公司。
3.产品订货参数:通径(DN),公称压力(Mpa),温度(℃),连接方式(螺纹、法兰、对夹等)。
4.产品驱动方式:手动、蜗轮、气动、电动等。
5.产品标准:国标GB、日标JIS、美标ANSI、德标DIN、英标BS、欧标EN等。
6.报价确认:本公司提供报价清单及技术标准说明至客户确认,在双方技术各方面确认后再拟定合同。
7.阀门质量要求、质量标准、供方对质量负责的条件:按**有关质量标准。