【高平台三通内螺纹球阀】瑞濠品牌.质量保证,瑞濠阀业全方面介绍高平台三通内螺纹球阀相关标准、选型、作用、结构图、规格型号;外形尺寸、工作原理、安装维护及球阀产品说明书;为广大用户提供高品质、高性能、高标准、高寿命、价格优惠的系列高平台三通内螺纹球阀。
|
高平台三通内螺纹球阀概述:
|
|
高平台三通内螺纹球阀有T形和L形。T形能使三条正交的管道相互联通和切断第三条通道,起分流、合流作用。L形三通球阀只能连接相互正交的两条管道,不能同时保持第三条管道的相互连通,只起分配作用。
|
|
|
|
高平台三通内螺纹球阀产品特性:
|
L型三通流道口
T型三通流道口
减流量通径
阀杆防脱出装置设计
钢球球槽上有泄压孔
可选择挂锁装置
多种螺纹端供选择
高平台三通球阀采用ISO 5211直接安装执行器平台设计
|
|
|
|
高平台三通内螺纹球阀设计标准STANDARDS:
|
设计标准Design: ASME B16.34
壁厚标准Wsll Thickness:ASME B16.34
螺纹标准Pipe THread: ASME B1.20.1,BS21
DIN 2999/259,ISO 228/1 JIS B 0203,ISO 7/1
检测标准Inspection & Testing:MSS SP-110, EN 12266
|
|
|
|
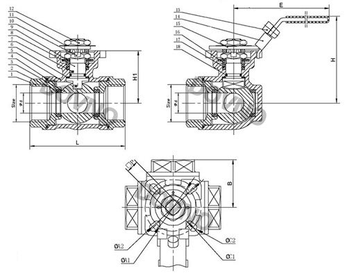
高平台三通内螺纹球阀尺寸图:
|

|
|
|
|
高平台三通内螺纹球阀尺寸图
|
|
名称
|
材质
|
|
ANSI/JIS/DIN
|
ANSI/JIS/DIN
|
ANSI/JIS/DIN
|
|
阀盖
|
A351-CF8M/SCS14A/1.4408
|
A351-CF8/SCS13A/1.4308
|
A216-WCB/SCPH2/1.0619
|
|
阀座
|
PTFE/RPTFE/PPL
|
|
球体
|
SUS316
|
SUS304
|
|
|
密封圈
|
PTFE/RPTFE/PPL
|
|
阀体
|
A351-CF8M/SCS14A/1.4408
|
A351-CF8/SCS13A/1.4308
|
A216-WCB/SCPH2/1.0619
|
|
止推垫
|
PTFE/RPTFE
|
|
防静电装置
|
SUS304
|
|
阀杆
|
SUS316
|
SUS304
|
|
|
蝶簧
|
SUS304
|
|
防松盖
|
SUS304
|
|
指示牌
|
SUS304
|
|
阀杆螺母
|
SUS304
|
|
手柄插销
|
PVC
|
|
锁片
|
SUS304
|
|
手柄
|
SUS304
|
|
填料压盖
|
SUS304
|
|
填料
|
PTFE/RPTFE/PPL
|
|
O型圈
|
FKM(VITON)
|
|
|
|
|
高平台三通内螺纹球阀外形尺寸表:
|
|
单位:mm
|
|
序号
|
d
|
L
|
B
|
H
|
H1
|
E
|
ØA1
|
ØA2
|
ØC1
|
ØC2
|
□P
|
ISO 5211
|
螺纹端
|
|
1/4"
|
8
|
65
|
34
|
63
|
36
|
120
|
36
|
42
|
6
|
6
|
9
|
F03-F04
|
NPT、MPT、BSPT、BSP、DIN、PT、etc...
|
|
3/8"
|
8
|
65
|
34
|
63
|
36
|
120
|
36
|
42
|
6
|
6
|
9
|
F03-F04
|
|
1/2"
|
12
|
68
|
34
|
63
|
36
|
120
|
36
|
42
|
6
|
6
|
9
|
F03-F04
|
|
3/4"
|
15
|
75
|
37.5
|
66
|
39
|
120
|
36
|
42
|
6
|
6
|
9
|
F03-F04
|
|
1"
|
18
|
85
|
42.5
|
77
|
46.5
|
160
|
42
|
50
|
6
|
7
|
11
|
F04-F05
|
|
1-1/4"
|
25
|
110
|
55
|
86
|
55
|
160
|
42
|
50
|
6
|
7
|
11
|
F04-F05
|
|
1-1/2"
|
32
|
125
|
62.5
|
102
|
64.5
|
190
|
50
|
70
|
7
|
9
|
14
|
F05-F07
|
|
2"
|
38
|
145
|
72.5
|
108
|
70.5
|
190
|
50
|
70
|
7
|
9
|
14
|
F05-F07
|
|
高平台三通内螺纹球阀有T形和L形。T形能使三条正交的管道相互联通和切断第三条通道,起分流、合流作用。L形三通球阀只能连接相互正交的两条管道,不能同时保持第三条管道的相互连通,只起分配作用。高平台螺纹球阀阀体结构紧凑,启闭迅速,流体阻力小,密封性能好,适用于介质流向的切换、分流或合流。
·高平台三通内螺纹球阀质保体系:
有了您的信任与支持,我们提供值得信赖的Ruihao品牌产品,我们支持一系列的系统技术参数、技术指导、文件支持,实行质量跟踪、客户档案、售后保障。
·高平台三通内螺纹球阀产品标准:
我们的产品按国际及国内相关标准验收,产品实行"全程跟踪"服务;随货提供"铭牌""质量证明""质保卡",产品带有"说明书""检验报告"等相关说明。
·高平台三通内螺纹球阀解决方案:
瑞濠公司为工业系统和水力提供的整体方案,我们专注产品质量,把握每一个产品细节全程控制; 不仅为用户解决需求,还保障了控制系统运行可靠性,减少系统的故障及维护,不懈努力的为用户提供高品质、高性能的产品。
·高平台三通内螺纹球阀售后保障:
瑞濠公司实行完善的用户档案和全程服务制度,每个用户都进行全程免费技术咨询、安装指导、跟踪服务以及相关咨询服务。
瑞濠公司的阀门产品实行"三包"服务,货物到现场提供相应技术指导支持; 质保期实行12个月到24个月不等。
·高平台三通内螺纹球阀订购说明:
1.阀门产品:如有指定型号标准,请直播销售热线咨询价格,了解详情!
2.技术支持:如没有指定产品型号规格,请把工况要求、设计图纸、技术规范,发送传真或邮件至本公司。
3.产品订货参数:通径(DN),公称压力(Mpa),温度(℃),连接方式(螺纹、法兰、对夹等)。
4.产品驱动方式:手动、蜗轮、气动、电动等。
5.产品标准:国标GB、日标JIS、美标ANSI、德标DIN、英标BS、欧标EN等。
6.报价确认:本公司提供报价清单及技术标准说明至客户确认,在双方技术各方面确认后再拟定合同。
7.阀门质量要求、质量标准、供方对质量负责的条件:按**有关质量标准。