【一片式螺纹球阀】瑞濠品牌.质量保证,瑞濠阀业全方面介绍不锈钢一片式螺纹球阀相关标准、选型、作用、结构图、规格型号;外形尺寸、工作原理、安装维护及产品说明书;为广大用户提供高品质、高性能、高标准、高寿命、价格优惠的系列一片式螺纹球阀。
|
一片式螺纹球阀概述:
|
|
一片式球阀又称快开球阀、内螺纹球阀、小球阀。适用于空气、蒸汽、水、气体、石油和石化产品、腐蚀性介质等,一片式螺纹球阀适用于 PN1.0~4.0MPa,工作温度 -29~180℃(密封圈为增强聚四氟乙烯)或 -29~300℃(密封圈为对位聚苯)的各种管路上,用于截断或接通管路中的介质,选用不同的材质,可分别适用于水、蒸汽、油品、硝酸、醋酸等多种介质。
|
|
|
|
一片式螺纹球阀设计特点:
|
球阀根据标准ASME B16.34设计
结构简单,密封性能好,扭矩小
铸造,固溶化处理
带锁装置
|
|
|
|
一片式螺纹球阀产品标准:
|
设计标准:ASME B16.34
壁厚标准:ASME B16.34
螺纹标准:ASME B1.20.1,BS21,DIN 2999/259,ISO 228/1,JIS B 0203,ISO 7/1
检测标准:MSS SP-110,EN 1226
|
|
|
|
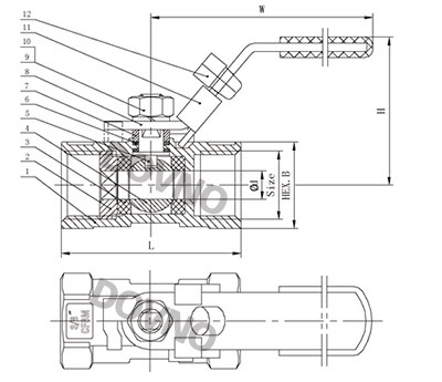
一片式螺纹球阀外形尺寸图:
|

|
|
|
|
一片式螺纹球阀主要材料表:
|
|
序号
|
名称
|
材质
|
|
ANSI/JIS/DIN
|
ANSI/JIS/DIN
|
ANSI/JIS/DIN
|
|
1
|
阀体
|
A351-CF8M/SCS14A/1.4408
|
A351-CF8/SCS13A/1.4308
|
A216-WCB/SCPH2/1.0619
|
|
2
|
并帽
|
A351-CF8M/SCS14A/1.4408
|
A351-CF8/SCS13A/1.4308
|
A216-WCB/SCPH2/1.0619
|
|
3
|
阀座
|
PTFE/RPTFE/PPL
|
|
4
|
球体
|
SUS316
|
|
5
|
阀杆
|
SUS316
|
|
6
|
填料
|
PTFE/RPTFE
|
|
7
|
填料压盖
|
SUS304
|
|
8
|
手柄
|
SUS304
|
|
9
|
弹性垫片
|
SUS304
|
|
10
|
六角螺母
|
A194-8
|
|
11
|
锁片
|
SUS304
|
|
12
|
手柄插销
|
PVC
|
|
|
|
|
一片式螺纹球阀外形尺寸表:
|
|
单位:mm
|
|
序号
|
d
|
L
|
H
|
E
|
六角
|
螺纹端
|
|
1/4"
|
5
|
39
|
31
|
70
|
17
|
NPT、MPT、BSPT、BSP、DIN、PT、etc...
|
|
3/8"
|
7
|
44
|
36
|
80
|
21
|
|
1/2"
|
9
|
59
|
42
|
95
|
25
|
|
3/4"
|
12.5
|
60
|
45
|
95
|
32
|
|
1"
|
15
|
72
|
54
|
110
|
38
|
|
1-1/4"
|
20
|
77
|
59
|
110
|
48
|
|
1-1/2"
|
25
|
84
|
63
|
150
|
53
|
|
2"
|
32
|
100
|
70
|
150
|
66
|
|
2-1/2"
|
38
|
120
|
95
|
200
|
82
|
|
3"
|
48
|
142
|
103
|
200
|
96
|
|
一片式螺纹球阀的关闭件是个球体,球体绕阀体中间线作旋转来达到开启、关闭的一种阀门。 一片式螺纹球阀在管路中主要用来做切断、分配和改变介质的流动方向。一片式螺纹球阀流体阻力小,结构简单,体积小,重量轻,紧密可靠,操作维修方便,不会引起阀门密封面的侵蚀,适用范围广。

·一片式螺纹球阀质保体系:
有了您的信任与支持,我们提供值得信赖的Ruihao品牌产品,我们支持一系列的系统技术参数、技术指导、文件支持,实行质量跟踪、客户档案、售后保障。
·一片式螺纹球阀产品标准:
我们的产品按国际及国内相关标准验收,产品实行"全程跟踪"服务;随货提供"铭牌""质量证明""质保卡",产品带有"说明书""检验报告"等相关说明。
·一片式螺纹球阀解决方案:
瑞濠公司为工业系统和水力提供的整体方案,我们专注产品质量,把握每一个生产细节全程控制; 不仅为用户解决需求,还保障了控制系统运行可靠性,减少系统的故障及维护,不懈努力的为用户提供高品质、高性能的产品。
·一片式螺纹球阀售后保障:
瑞濠公司实行完善的用户档案和全程服务制度,每个用户都进行全程免费技术咨询、安装指导、跟踪服务以及相关咨询服务。
瑞濠公司的阀门产品实行"三包"服务,货物到现场提供相应技术指导支持; 质保期实行12个月到24个月不等。
·一片式螺纹球阀订购说明:
1.阀门产品:如有指定型号标准,请直播销售热线咨询价格,了解详情!
2.技术支持:如没有指定产品型号规格,请把工况要求、设计图纸、技术规范,发送传真或邮件至本公司。
3.产品订货参数:通径(DN),公称压力(Mpa),温度(℃),连接方式(螺纹、法兰、对夹等)。
4.产品驱动方式:手动、蜗轮、气动、电动等。
5.产品标准:国标GB、日标JIS、美标ANSI、德标DIN、英标BS、欧标EN等。
6.阀门报价确认:本公司提供报价清单及技术标准说明至客户确认,在双方技术各方面确认后再拟定合同。
7.阀门质量要求、质量标准、供方对质量负责的条件:按有关质量标准。