【迷你球阀】瑞濠品牌.质量保证,瑞濠阀业全方面介绍不锈钢迷你球阀相关标准、选型、作用、结构图、规格型号;外形尺寸、工作原理、安装维护及产品说明书;为广大用户提供高品质、高性能、高标准、高寿命、价格优惠的系列迷你球阀。
|
迷你球阀产品简述:
|
|
迷你球阀有内外螺纹、内螺纹、外螺纹多种接口,采用不锈钢304、316材质,卫生级设计,内外镜面工艺,符合洁净流体需求。该不锈钢迷你球阀结构紧凑,尺寸小,密封性能好,开关灵活,流量大,外形精美,质量优越。
|
|
|
|
迷你球阀产品特性:
|
减流量通径
阀杆防脱出装置设计
钢球球槽上有泄压孔
多种螺纹端供选择
|
|
|
|
迷你球阀产品标准
|
设计标准:ASME B16.34
壁厚标准:ASME B16.34
螺纹标准:ASME B1.20.1,BS21,DIN 2999/259,ISO 228/1,JIS B 0203,ISO 7/1
检测标准:MSS SP-110,EN 1226
|
|
|
|
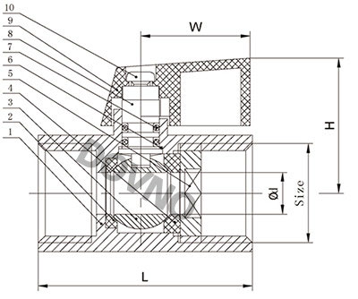
迷你球阀外形尺寸图:
|
|
|
|
|
迷你球阀主要材料表:
|
|
序号
|
名称
|
材质
|
|
ANSI/JIS/DIN
|
ANSI/JIS/DIN
|
|
1
|
阀体
|
A351-CF8M/SCS14A/1.4408
|
A351-CF8/SCS13A/1.4308
|
|
2
|
阀座
|
PTFE/RPTFE
|
|
3
|
球体
|
SUS316
|
|
4
|
阀座
|
PTFE/RPTFE
|
|
5
|
并帽
|
SUS304
|
|
6
|
止推垫
|
PTFE/RPTFE
|
|
7
|
O型圈
|
FKM(VITON)
|
|
8
|
阀杆
|
SUS316
|
|
9
|
手柄
|
Aluninnum
|
|
10
|
十字槽螺
|
SUS304
|
|
|
|
|
迷你球阀外形尺寸表:
|
|
单位:mm
|
|
序号
|
d
|
L
|
H
|
E
|
螺纹端
|
|
1/4"
|
5
|
42
|
26.5
|
22.8
|
NPT、MPT、BSPT、BSP、DIN、PT、etc...
|
|
3/8"
|
8
|
42
|
26.5
|
22.8
|
|
1/2"
|
9
|
46
|
28.3
|
22.8
|
|
3/4"
|
12.5
|
54
|
31.5
|
22.8
|
|
1"
|
15
|
65
|
34
|
22.8
|
|
不锈钢迷你球阀适用介质:水;蒸汽;油品;各种高腐蚀化学介质;弱酸碱介质,迷你球阀设计标准:ASME B16.34,壁厚标准:ASME B16.34;螺纹标准:ASME B1.20.1,BS21,适DIN 2999/259,ISO 228/1,JIS B 0203,ISO 7/:1检测标准:MSS SP-110,EN 1226

·迷你内螺纹球阀质保体系:
有了您的信任与支持,我们提供值得信赖的Ruihao品牌产品,我们支持一系列的系统技术参数、技术指导、文件支持,实行质量跟踪、客户档案、售后保障。
·迷你内螺纹球阀产品标准:
我们的产品按相关标准验收,产品质量实行"售后跟踪"服务;随货提供"铭牌""质量证明""质保卡",产品并带有"说明书""检验报告"等相关说明。
·迷你内螺纹球阀解决方案:
瑞濠公司为工业系统和水力提供的整体方案,我们专注产品质量,把握每一个产品细节全程控制; 不仅为用户解决需求,还保障了控制系统运行可靠性,减少系统的故障及维护,不懈努力的为用户提供高品质、高性能的产品。
·迷你内螺纹球阀售后保障:
瑞濠公司实行完善的用户档案和全程服务制度,每个用户都进行全程免费技术咨询、安装指导、跟踪服务以及相关咨询服务。
瑞濠公司的阀门产品实行"三包"服务,货物到现场提供相应技术指导支持; 质保期实行12个月到24个月不等。
·迷你内螺纹球阀订购说明:
1.阀门产品:如有指定型号标准,请直播销售热线咨询价格,了解详情!
2.技术支持:如没有指定产品型号规格,请把工况要求、设计图纸、技术规范,发送传真或邮件至本公司。
3.产品订货参数:通径(DN),公称压力(Mpa),温度(℃),连接方式(螺纹、法兰、对夹等)。
4.产品驱动方式:手动、蜗轮、气动、电动等。
5.产品标准:国标GB、日标JIS、美标ANSI、德标DIN、英标BS、欧标EN等。
6.报价确认:本公司提供报价清单及技术标准说明至客户确认,在双方技术各方面确认后再拟定合同。
7.阀门质量要求、质量标准、供方对质量负责的条件:按有关质量标准。