【立式自由浮球式疏水阀】瑞濠品牌.质量保证,瑞濠阀业全方面介绍『立式自由浮球式疏水阀』相关标准、选型、作用、结构图、规格型号;外形尺寸、工作原理、安装维护及产品说明书;为广大用户提供高品质、高性能、高标准、高寿命、价格优惠的系列立式自由浮球式疏水阀。
立式自由浮球式疏水阀产品介绍:
立式自由
浮球式疏水阀适用于蒸汽主管和伴热管线,蒸汽管网及凝结水回收系统。该
疏水阀适用对加热速度要求快,温度控制要求严,加热设备不能积存凝结水的工艺更为合适,广泛用于石油、化工、纺织、制药等工况企业。
立式自由浮球式疏水阀工作原理:
该疏水阀利用浮力原理,浮球根据凝结水量的多少随水位的变化而作升降, 自动调节阀座孔的开度, 连续排放凝结水。当凝结水停止进入时, 浮球靠自重降到底部, 关闭排水阀座孔。由于排水阀座孔在凝结水水位以下, 水、气自然分离,形成水封,达到无新鲜蒸汽泄漏。
立式自由浮球式疏水阀结构特点:
1、阀座上保持冷凝水平的设计使水封严密,阻气排水性能优良可靠。
2、即使在无负荷的情况下,三点式支撑也能提供严密的蒸汽密封。
3、阀内的高精度浮球是运动部件,动作灵敏,连续排放,小型体轻,寿命长。
立式自由浮球式疏水阀产品优点:
1、能连续排放饱和凝结水:加热设备内不会有水积聚,从而获得高的换热效率。
2、蒸汽压力变化时不受影响:浮球能自动调节排水阀座孔的开度,工作连续,性能稳定。
3、密封好:不锈钢浮球球圆精度高,密封性能好。
4、排空气性能好:Y系列元件能自动排除不凝结的冷、热气体,防止气堵现象,加热效果好。
5、使用寿命长:浮球的整个球面均可以做密封面,工作时无集中磨损。
6、过冷度小,允许背压率高。
7、能连续排放凝结水,水流平稳,在凝结水回收系统中使用效果好。
立式自由浮球式疏水阀产品用途:
用于蒸汽加热设备和凝结水回收系统及需要快速排除凝结水的工况,能自动、迅速、连续地排除凝结水,有效地阻止蒸汽泄漏,并获得好的加热效果。
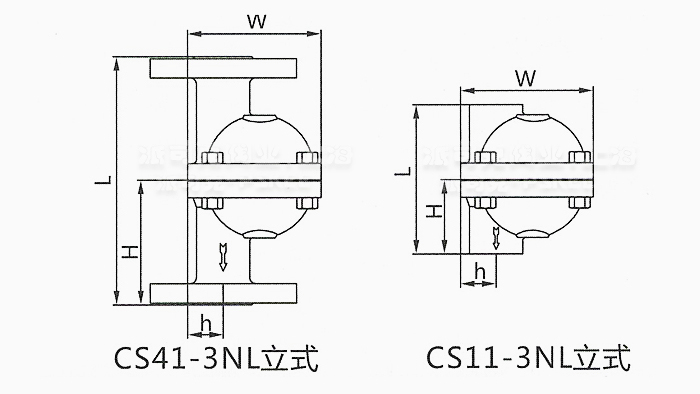
立式自由浮球式疏水阀外形尺寸表:
|
产品型号
|
公称通径(DN)
|
连接方式
|
使用压力(Mpa)
|
允许温度(℃)
|
外型尺寸
|
|
L
|
H
|
h
|
W
|
CS11H-16 3NL
CS11H-25 3NL
CS11H-40 3NL
|
15-25
|
螺纹
承插焊
|
0.01-4.0
|
300
|
125
|
62.5
|
30
|
112.5
|
|
32-50
|
200
|
100
|
38
|
172
|
CS41H-16 3NL
CS41H-25 3NL
CS41H-40 3NL
|
15-25
|
法兰
|
0.01-4.0
|
300
|
160
|
62.5
|
30
|
112.5
|
|
32-50
|
250
|
100
|
38
|
172
|
立式自由浮球式疏水阀使用和保养:
1、应立式自由浮球式疏水阀确认阀体的材料、压力和温度的大值能否满足工况所需。
2、在安装前须清洗管路,除去杂物。
3、安装位置应尽可能加热设备。
4、应水平安装在管路的低点,流向与阀体上标注的方向一致。
5、每台加热设备要各自安装疏水阀,以免互相影响。
6、在保证系统能安全运行时,缓解开启疏水阀前的阀门,使其逐渐升温至正常状态。
7、要定期保养,保证疏水阀正常工作。

·立式自由浮球式疏水阀质保体系:
有了您的信任与支持,我们提供值得信赖的Ruihao品牌产品,我们支持一系列的系统技术参数、技术指导、文件支持,实行质量跟踪、客户档案、售后保障。
·立式自由浮球式疏水阀产品标准:
我们的产品按相关标准验收,产品质量实行"售后跟踪"服务;随货提供"铭牌""质量证明""质保卡",产品并带有"说明书""检验报告"等相关说明。
·立式自由浮球式疏水阀解决方案:
瑞濠公司为工业系统和水力提供的整体方案,我们专注产品质量,把握每一个产品细节全程控制; 不仅为用户解决需求,还保障了控制系统运行可靠性,减少系统的故障及维护,不懈努力的为用户提供高品质、高性能的产品。
·立式自由浮球式疏水阀售后保障:
瑞濠公司实行完善的用户档案和全程服务制度,每个用户都进行全程免费技术咨询、安装指导、跟踪服务以及相关咨询服务。
瑞濠公司的阀门产品实行"三包"服务,货物到现场提供相应技术指导支持; 质保期实行12个月到24个月不等。
·立式自由浮球式疏水阀订购说明:
1.阀门产品:如有指定型号标准,请直播销售热线咨询价格,了解详情!
2.技术支持:如没有指定产品型号规格,请把工况要求、设计图纸、技术规范,发送传真或邮件至本公司。
3.产品订货参数:通径(DN),公称压力(Mpa),温度(℃),连接方式(螺纹、法兰、对夹等)。
4.产品驱动方式:手动、蜗轮、气动、电动等。
5.产品标准:国标GB、日标JIS、美标ANSI、德标DIN、英标BS、欧标EN等。
6.报价确认:本公司提供报价清单及技术标准说明至客户确认,在双方技术各方面确认后再拟定合同。
7.阀门质量要求、质量标准、供方对质量负责的条件:按有关质量标准。