【三片式高平台螺纹球阀】瑞濠品牌.质量保证,瑞濠阀业全方面介绍三片式高平台螺纹球阀相关标准、选型、作用、结构图、规格型号;外形尺寸、工作原理、安装维护及产品说明书;为广大用户提供高品质、高性能、高标准、高寿命、价格优惠的系列三片式球阀。
|
三片式高平台螺纹球阀概述:
|
|
三片式高平台螺纹球阀只需要用旋转90度的操作和很小的转动力矩就能关闭严密。阀体内腔为介质提供了阻力很小、直通的流道。、三片式高平台螺纹球阀的主要特点是本身结构紧凑,易于操作和维修,适用于水、溶剂、酸和天然气等一般工作介质,而且还适用于工作条件恶劣的介质,如氧气过氧化氢,甲烷和乙烯等。球阀阀体是组合式的。 本类阀应安装在管道的水平方向。
|
|
|
三片式高平台螺纹球阀产品标准:
|
设计和制造标准按照Design: ASME B16.34;
壁厚标准Wall Thickness: AS,E B16.34
螺纹标准按照End Flange:ASME B1.20.1,BS21
DIN 2999/259,ISO 228/1;JIS B 0203,ISO 7/1
对焊标准:Butt Weld: ASME B16.25
承插焊标准:Socket Weld: ASME B16.11
检测标准:Inspection & Testing: MSS SP-110,EN 12266
|
|
|
|
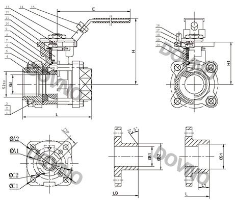
三片式高平台螺纹球阀产品结构图:
|

|
|
|
|
三片式高平台螺纹球阀主要材料表:
|
|
序号
|
名称
|
材质
|
|
ANSI/JIS/DIN
|
ANSI/JIS/DIN
|
ANSI/JIS/DIN
|
|
1
|
六角头螺栓
|
A193-B8
|
|
2
|
六角螺母
|
A194-8
|
|
3
|
弹性垫片
|
SUS304
|
|
4
|
阀盖
|
A351-CF8M/SCS14A/1.4408
|
A351-CF8/SCS13A/1.4308
|
A216-WCB/SCPH2/1.0619
|
|
5
|
阀座
|
PTFE/RPTFE/PPL
|
|
6
|
球体
|
SUS316
|
SUS304
|
|
7
|
阀体
|
A351-CF8M/SCS14A/1.4408
|
A351-CF8/SCS13A/1.4308
|
A216-WCB/SCPH2/1.0619
|
|
8
|
止推垫
|
PTFE/RPTFE
|
|
9
|
防静电装置
|
SUS304
|
|
10
|
阀杆
|
SUS316
|
SUS304
|
|
11
|
蝶簧
|
SUS304
|
|
12
|
防松盖
|
SUS304
|
|
13
|
手柄
|
SUS304
|
|
14
|
锁片
|
SUS304
|
|
15
|
手柄插销
|
PVC
|
|
16
|
限位杆
|
SUS304
|
|
17
|
阀杆螺母
|
SUS304
|
|
18
|
填料压盖
|
SUS304
|
|
19
|
填料
|
PTFE/RPTFE/PPL
|
|
20
|
O型圈
|
FKM(VITON)
|
|
|
|
|
三片式高平台螺纹球阀主要尺寸表:
|
|
单位:mm
|
|
序号
|
d
|
L
|
LB
|
H
|
H1
|
E
|
L1
|
ØS1
|
ØB1
|
ØB2
|
ØA1
|
ØA2
|
ØC1
|
ØC2
|
□P
|
ISO 5211
|
螺纹端
|
|
1/4"
|
10.5
|
50
|
70
|
58
|
26
|
98
|
10
|
14.2
|
12.5
|
18
|
36
|
42
|
6
|
6
|
9
|
F03-F04
|
NPT、MPT、BSPT、BSP、DIN、PT、etc...
|
|
3/8"
|
12
|
60
|
70
|
58
|
31
|
110
|
10
|
17.8
|
12.5
|
18
|
36
|
42
|
6
|
6
|
9
|
F03-F04
|
|
1/2"
|
15
|
75
|
75
|
67
|
40
|
110
|
10
|
21.8
|
16
|
22.5
|
36
|
42
|
6
|
6
|
9
|
F03-F04
|
|
3/4"
|
20
|
80
|
90
|
73
|
46
|
110
|
13
|
27.3
|
21
|
27
|
36
|
42
|
6
|
6
|
9
|
F03-F04
|
|
1"
|
25
|
90
|
100
|
86
|
55
|
160
|
13
|
34
|
26
|
34.5
|
42
|
50
|
7
|
6
|
11
|
F04-F05
|
|
1-1/4"
|
32
|
110
|
110
|
93
|
62
|
160
|
16
|
42.8
|
32
|
43
|
42
|
50
|
7
|
6
|
11
|
F04-F05
|
|
1-1/2"
|
38
|
120
|
125
|
105.5
|
68.5
|
185
|
16
|
48.9
|
40
|
49
|
50
|
70
|
9
|
7
|
14
|
F05-F07
|
|
2"
|
50
|
140
|
150
|
116.5
|
79.5
|
185
|
17
|
61.4
|
51
|
62
|
50
|
70
|
9
|
7
|
14
|
F05-F07
|
|
2-1/2"
|
65
|
185
|
190
|
168
|
98
|
305
|
17
|
74
|
65
|
76.5
|
70
|
102
|
11
|
9
|
17
|
F07-F10
|
|
3"
|
78
|
205
|
220
|
178
|
110
|
305
|
17
|
90
|
80
|
92
|
70
|
102
|
11
|
9
|
17
|
F07-F10
|
|
4"
|
100
|
240
|
270
|
198
|
130
|
305
|
20
|
115.4
|
100
|
115.5
|
70
|
102
|
11
|
9
|
17
|
F07-F10
|
|
三片式高平台螺纹球阀是一种组合式球阀类别,它有着自身结构有的一些优越性,开关无摩擦,密封不易磨损,启闭力矩小。三片式高平台螺纹球阀配以多回转电动执行机构,可实现对介质的严密切断。广泛适用于石油、化工、城市给排水等要求严格切断的工况。

·三片式高平台螺纹球阀质保体系:
有了您的信任与支持,我们提供值得信赖的Ruihao品牌产品,我们支持一系列的系统技术参数、技术指导、文件支持,实行质量跟踪、客户档案、售后保障。
·三片式高平台螺纹球阀产品标准:
我们的产品按国际及国内相关标准验收,产品实行"全程跟踪"服务;随货提供"铭牌""质量证明""质保卡",产品带有"说明书""检验报告"等相关说明。
·三片式高平台螺纹球阀解决方案:
瑞濠公司为工业系统和水力提供的整体方案,我们专注产品质量,把握每一个产品细节全程控制; 不仅为用户解决需求,还保障了控制系统运行可靠性,减少系统的故障及维护,不懈努力的为用户提供高品质、高性能的产品。
·三片式高平台螺纹球阀售后保障:
瑞濠公司实行完善的用户档案和全程服务制度,每个用户都进行全程免费技术咨询、安装指导、跟踪服务以及相关咨询服务。
瑞濠公司的阀门产品实行"三包"服务,货物到现场提供相应技术指导支持; 质保期实行12个月到24个月不等。
·三片式高平台螺纹球阀订购说明:
1.阀门产品:如有指定型号标准,请直播销售热线咨询价格,了解详情!
2.技术支持:如没有指定产品型号规格,请把工况要求、设计图纸、技术规范,发送传真或邮件至本公司。
3.产品订货参数:通径(DN),公称压力(Mpa),温度(℃),连接方式(螺纹、法兰、对夹等)。
4.产品驱动方式:手动、蜗轮、气动、电动等。
5.产品标准:国标GB、日标JIS、美标ANSI、德标DIN、英标BS、欧标EN等。
6.报价确认:本公司提供报价清单及技术标准说明至客户确认,在双方技术各方面确认后再拟定合同。
7.阀门质量要求、质量标准、供方对质量负责的条件:按有关质量标准。