【德标高平台对夹球阀】瑞濠品牌.质量保证,全方面介绍德标高平台对夹球阀相关标准、选型、作用、结构图、规格型号;外形尺寸、工作原理、安装维护及球阀产品说明书;为广大用户提供高品质、高性能、高标准、高寿命、价格优惠的系列对夹球阀。
|
德标高平台对夹球阀概述:
|
|
德标球阀关闭件球体绕阀体中间线作旋转来达到开启、关闭的一种阀门,当高平台球阀中腔介质压力大过弹簧预紧力,出口端阀座后退脱离球体,达到自动泄压效果,泄压后阀座自动复位,德标高平台对夹球阀适用于水、溶剂、酸和天然气等一般工作介质,而且还适用于工作条件恶劣的介质,如氧气、过氧化氢、甲烷和乙烯等,在各行业得到广泛的应用。
|
|
|
|
德标高平台对夹球阀产品标准:
|
APPLECABLE STANDARDS:
防爆中轴Blow-out Proof stem/Full port
设计和制造标准按照Design: DIN3357 EN 12516-1;
法兰端尺寸按照End Flange:DIN EN 1092-1;
壁厚标准:Wall Thickness: ASME B16.34 DM 12516-1
检验和测试按照Test: DIN3230 EN12266;
防火设计测试Fire Safe:API607 ISO 10497
|
|
|
|
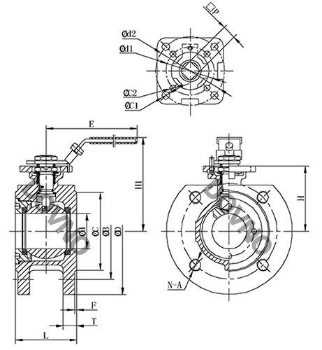
德标高平台对夹球阀外形结构图:
|

|
|
|
|
德标高平台对夹球阀主要材料表:
|
|
名称
|
材质
|
|
ANSI/JIS/DIN
|
ANSI/JIS/DIN
|
ANSI/JIS/DIN
|
|
阀体
|
A351-CF8M/SCS14A/1.4408
|
A351-CF8/SCS13A/1.4308
|
A216-WCB/SCPH2/1.0619
|
|
阀盖
|
A351-CF8M/SCS14A/1.4408
|
A351-CF8/SCS13A/1.4308
|
A216-WCB/SCPH2/1.0619
|
|
球
|
SUS316
|
SUS304
|
|
密封圈
|
PTFE/VITON
|
|
阀座
|
PTFE/RPTFE/PPL
|
|
阀杆
|
SUS316
|
SUS304
|
|
O型圈
|
FKM(VITON)
|
|
止推垫
|
PTFE/RPTFE
|
|
填料
|
PTFE/GRAFOIL
|
|
填料压盖
|
SUS304
|
|
蝶簧
|
SUS304
|
|
阀杆螺母
|
A194-8
|
|
防松盖
|
SUS304
|
|
手柄/
|
SUS201
|
|
内六角螺钉
|
SUS304
|
|
六角螺母
|
A194-8
|
|
定位杆
|
SUS304
|
|
|
|
|
德标高平台对夹球阀主要外形尺寸图:
|

|
|
|
|
德标高平台对夹球阀外形尺寸表:
|
|
单位:mm
|
|
Size
|
PN
|
d
|
L
|
C
|
B
|
D
|
H
|
H1
|
E
|
F
|
T
|
□G
|
ø R
|
ør
|
ØK1
|
Øk2
|
N
|
A
|
ISO 5211
|
|
DN15
|
10-40
|
15
|
42
|
45
|
65
|
95
|
49
|
76
|
110
|
2
|
14
|
9
|
42
|
36
|
6
|
6
|
4
|
M12
|
F03-F04
|
|
DN20
|
10-40
|
20
|
44
|
58
|
75
|
105
|
54
|
81
|
110
|
2
|
16
|
9
|
42
|
36
|
6
|
6
|
4
|
M12
|
F03-F04
|
|
DN25
|
10-40
|
25
|
50
|
68
|
85
|
115
|
60
|
90
|
160
|
2
|
16
|
11
|
50
|
42
|
7
|
6
|
4
|
M12
|
F04-F05
|
|
DN32
|
10-40
|
30
|
60
|
78
|
100
|
140
|
71
|
102
|
160
|
2
|
16
|
11
|
50
|
42
|
7
|
6
|
4
|
M16
|
F04-F05
|
|
DN40
|
10-40
|
36
|
65
|
88
|
110
|
150
|
78
|
115
|
185
|
3
|
16
|
14
|
70
|
50
|
9
|
7
|
4
|
M16
|
F05-F07
|
|
DN50
|
10-40
|
46
|
80
|
102
|
125
|
165
|
85
|
122
|
185
|
3
|
18
|
14
|
70
|
50
|
9
|
7
|
4
|
M16
|
F04-F05
|
|
DN65
|
10-16
|
57
|
110
|
122
|
145
|
185
|
100
|
168
|
305
|
3
|
18
|
17
|
102
|
70
|
11
|
9
|
4
|
M16
|
F07-F10
|
|
DN80
|
10-16
|
73
|
120
|
138
|
160
|
200
|
110
|
178
|
305
|
3
|
20
|
17
|
102
|
70
|
11
|
9
|
8
|
M16
|
F07-F10
|
|
DN100
|
10-16
|
90
|
150
|
158
|
180
|
220
|
130
|
198
|
305
|
3
|
20
|
19
|
102
|
70
|
11
|
9
|
8
|
M16
|
F07-F10
|
|
德标高平台对夹球阀具有自动泄压功能,阀杆有防脱出装置、平台采ISO 5211直接安装平台设计,德标高平台对夹球阀适用于水、溶剂、酸和天然气等一般工作介质,而且还适用于工作条件恶劣的介质,如氧气、过氧化氢、甲烷和乙烯等,在各行业得到广泛的应用。

·德标球阀质保体系:
有了您的信任与支持,我们提供值得信赖的Ruihao品牌产品,我们支持一系列的系统技术参数、技术指导、文件支持,实行质量跟踪、客户档案、售后保障。
·德标球阀产品标准:
我们的产品按国际及国内相关标准验收,产品实行"全程跟踪"服务;随货提供"铭牌""质量证明""质保卡",产品带有"说明书""检验报告"等相关说明。
·德标球阀解决方案:
瑞濠公司为工业系统和水力提供的整体方案,我们专注产品质量,把握每一个产品细节全程控制; 不仅为用户解决需求,还保障了控制系统运行可靠性,减少系统的故障及维护,不懈努力的为用户提供高品质、高性能的产品。
·德标球阀售后保障:
瑞濠公司实行完善的用户档案和全程服务制度,每个用户都进行全程免费技术咨询、安装指导、跟踪服务以及相关咨询服务。
瑞濠公司的阀门产品实行"三包"服务,货物到现场提供相应技术指导支持; 质保期实行12个月到24个月不等。
·德标球阀订购说明:
1.阀门产品:如有指定型号标准,请直播销售热线咨询价格,了解详情!
2.技术支持:如没有指定产品型号规格,请把工况要求、设计图纸、技术规范,发送传真或邮件至本公司。
3.产品订货参数:通径(DN),公称压力(Mpa),温度(℃),连接方式(螺纹、法兰、对夹等)。
4.产品驱动方式:手动、蜗轮、气动、电动等。
5.产品标准:国标GB、日标JIS、美标ANSI、德标DIN、英标BS、欧标EN等。
6.报价确认:本公司提供报价清单及技术标准说明至客户确认,在双方技术各方面确认后再拟定合同。
7.阀门质量要求、质量标准、供方对质量负责的条件:按有关质量标准。