【美标高平台对夹球阀】瑞濠品牌.质量保证,瑞濠阀业全方面介绍美标高平台对夹球阀相关标准、选型、作用、结构图、规格型号;外形尺寸、工作原理、安装维护及球阀产品说明书;为广大用户提供高品质、高性能、高标准、高寿命、价格优惠的系列对夹球阀。
美标高平台对夹球阀概述:
|
|
美标对夹球阀关闭件球体绕阀体中间线作旋转来达到开启、关闭的一种阀门,当球阀中腔介质压力大过弹簧预紧力,出口端阀座后退脱离球体,达到自动泄压效果,泄压后阀座自动复位,美标对夹式球阀适用于水、溶剂、酸和天然气等一般工作介质,而且还适用于工作条件恶劣的介质,如氧气、过氧化氢、甲烷和乙烯等,在各行业得到广泛的应用。
|
|
|
|
美标高平台对夹球阀设计标准:
|
APPLECABLE STANDARDS:
防爆中轴Blow-out Proof stem/Full port
设计和制造标准按照Design: ASME B16.34;
结构长度按照face toface : ASME B16.10;
法兰端尺寸按照End Flange:ASME B16.5;
检验和测试按照Test: API598;
防火设计测试Fire Safe:API607;
|
|
|
|
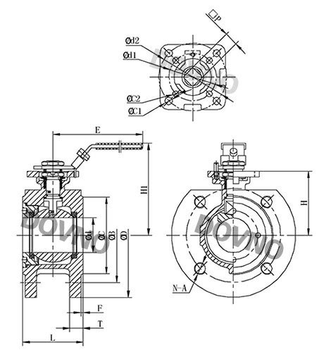
美标高平台对夹球阀结构图:
|

|
|
|
|
美标高平台对夹球阀材料表:
|
|
名称
|
材质
|
|
ANSI/JIS/DIN
|
ANSI/JIS/DIN
|
ANSI/JIS/DIN
|
|
阀体
|
A351-CF8M/SCS14A/1.4408
|
A351-CF8/SCS13A/1.4308
|
A216-WCB/SCPH2/1.0619
|
|
阀盖
|
A351-CF8M/SCS14A/1.4408
|
A351-CF8/SCS13A/1.4308
|
A216-WCB/SCPH2/1.0619
|
|
球
|
SUS316
|
SUS304
|
|
密封圈
|
PTFE/VITON
|
|
阀座
|
PTFE/RPTFE/PPL
|
|
阀杆
|
SUS316
|
SUS304
|
|
O型圈
|
FKM(VITON)
|
|
止推垫
|
PTFE/RPTFE
|
|
填料
|
PTFE/GRAFOIL
|
|
填料压盖
|
SUS304
|
|
蝶簧
|
SUS304
|
|
阀杆螺母
|
A194-8
|
|
防松盖
|
SUS304
|
|
手柄
|
SUS201
|
|
内六角螺钉
|
SUS304
|
|
六角螺母
|
A194-8
|
|
定位杆
|
SUS304
|
|
|
|
|
美标高平台对夹球阀结构图:
|

|
|
|
|
美标高平台对夹球阀外形尺寸表:
|
|
单位:mm
|
|
Size
|
LBS
|
d
|
L
|
C
|
B
|
D
|
H
|
H1
|
E
|
F
|
T
|
□G
|
øR
|
ør
|
ØK1
|
Øk2
|
N
|
A
|
ISO5211
|
|
1/2"
|
150
|
15
|
42
|
34.5
|
60.3
|
90
|
49
|
76
|
110
|
2
|
11.2
|
9
|
42
|
36
|
6
|
6
|
4
|
1/2
|
F03-F04
|
|
3/4"
|
150
|
20
|
44
|
42.9
|
69.9
|
100
|
54
|
81
|
110
|
2
|
11.2
|
9
|
42
|
36
|
6
|
6
|
4
|
1/2
|
F03-F04
|
|
1"
|
150
|
25
|
50
|
50.8
|
79.4
|
110
|
60
|
90
|
160
|
2
|
12
|
11
|
50
|
42
|
7
|
6
|
4
|
1/2
|
F04-F05
|
|
1-1/4"
|
150
|
30
|
60
|
63.5
|
88.9
|
115
|
71
|
102
|
160
|
2
|
12.7
|
11
|
50
|
42
|
7
|
6
|
4
|
1/2
|
F04-F05
|
|
1-1/2"
|
150
|
36
|
65
|
73
|
98.4
|
125
|
78
|
115
|
185
|
2
|
14.3
|
14
|
70
|
50
|
9
|
7
|
4
|
1/2
|
F05-F07
|
|
2"
|
150
|
46
|
80
|
92.1
|
120.7
|
150
|
85
|
122
|
185
|
2
|
15.9
|
14
|
70
|
50
|
9
|
7
|
4
|
5/8
|
F04-F05
|
|
2-1/2"
|
150
|
57
|
110
|
104.8
|
139.7
|
180
|
100
|
168
|
305
|
2
|
17.5
|
17
|
102
|
70
|
11
|
9
|
4
|
5/8
|
F07-F10
|
|
3"
|
150
|
73
|
120
|
127
|
152.4
|
190
|
110
|
178
|
305
|
2
|
19.1
|
17
|
102
|
70
|
11
|
9
|
4
|
5/8
|
F07-F10
|
|
4"
|
150
|
90
|
150
|
157.2
|
190.5
|
230
|
130
|
198
|
305
|
2
|
23.9
|
19
|
102
|
70
|
11
|
9
|
8
|
5/8
|
F07-F10
|
|
美标高平台对夹球阀关闭件球体绕阀体中间心线作旋转来达到开启、关闭的一种阀门,适用于水、溶剂、酸和天然气等一般工作介质,美标对夹球阀而且还适用于工作条件恶劣的介质,如氧气、过氧化氢、甲烷和乙烯等,在各行业得到广泛的应用。
·美标高平台对夹球阀质保体系:
有了您的信任与支持,我们提供值得信赖的Ruihao品牌产品,我们支持一系列的系统技术参数、技术指导、文件支持,实行质量跟踪、客户档案、售后保障。
·美标高平台对夹球阀产品标准:
我们的产品按国际及国内相关标准验收,产品实行"全程跟踪"服务;随货提供"铭牌""质量证明""质保卡",产品带有"说明书""检验报告"等相关说明。
·美标高平台对夹球阀解决方案:
瑞濠公司为工业系统和水力提供的整体方案,我们专注产品质量,把握每一个产品细节全程控制; 不仅为用户解决需求,还保障了控制系统运行可靠性,减少系统的故障及维护,不懈努力的为用户提供高品质、高性能的产品。
·美标高平台对夹球阀售后保障:
瑞濠公司实行完善的用户档案和全程服务制度,每个用户都进行全程免费技术咨询、安装指导、跟踪服务以及相关咨询服务。
瑞濠公司的阀门产品实行"三包"服务,货物到现场提供相应技术指导支持; 质保期实行12个月到24个月不等。
·美标高平台对夹球阀订购说明:
1.阀门产品:如有指定型号标准,请直播销售热线咨询价格,了解详情!
2.技术支持:如没有指定产品型号规格,请把工况要求、设计图纸、技术规范,发送传真或邮件至本公司。
3.产品订货参数:通径(DN),公称压力(Mpa),温度(℃),连接方式(螺纹、法兰、对夹等)。
4.产品驱动方式:手动、蜗轮、气动、电动等。
5.产品标准:国标GB、日标JIS、美标ANSI、德标DIN、英标BS、欧标EN等。
6.报价确认:本公司提供报价清单及技术标准说明至客户确认,在双方技术各方面确认后再拟定合同。
7.阀门质量要求、质量标准、供方对质量负责的条件:按有关质量标准。