【薄型对夹球阀】瑞濠品牌.质量保证,瑞濠阀业全方面介绍意式对夹薄型球阀相关标准、选型、作用、结构图、规格型号;外形尺寸、工作原理、安装维护及球阀产品说明书;为广大用户提供高品质、高性能、高标准、高寿命、价格优惠的系列薄型对夹球阀。
|
薄型对夹球阀概述:
|
|
意式薄型球阀关闭件球体绕阀体中间线作旋转来达到开启、关闭的一种阀门,密封件嵌于不锈钢阀座内,金属阀座尾端设有弹簧,当密封面磨损或者烧毁时,在弹簧作用下推动阀座与球体形成金属密封。薄型对夹式球阀其具有独特的自动泄压功能,当阀门中腔介质压力大过弹簧预紧力,出口端阀座后退脱离球体,达到自动泄压效果,泄压后阀座自动复位,适用于水、溶剂、酸和天然气等一般工作介质,意式薄型球阀而且还适用于工作条件恶劣的介质,如氧气、过氧化氢、甲烷和乙烯等,在各行业得到广泛的应用。
|
|
|
|
薄型对夹球阀产品特点:
|
|
意式薄型对夹球阀产品参照意大利产品的特点,与普通球阀相比,具有结构长度短、重量轻、安装方便、节省材料等显著的优点。阀座采用弹性密封结构,密封可靠,启闭轻松。设有耐火结构,万一发生火灾时,仍然能够可靠操作并具有良好的密封性。根据用户需要,意式薄型球阀可设有防静电结构。设置了 90°开关带孔定位片,根据需要可以加锁,防止误操作。用于截断或接通管路中的介质,对夹式薄型球阀选用不同的材质,可分别适用于水、蒸汽、燃气、油品、硝酸、醋酸、氧化性介质、尿素等多种介质。
|
|
|
|
薄型对夹球阀设计标准:
|
APPLECABLE STANDARDS:
防爆中轴Blow-out Proof stem/Full port
设计和制造标准按照Design: ASME B16.34;
结构长度按照face toface : ASME B16.10;
法兰端尺寸按照End Flange:ASME B16.5;
检验和测试按照Test: API598;
防火设计测试Fire Safe:API607;
|
|
|
|
薄型对夹球阀主要材料表:
|

|
|
|
|
薄型对夹球阀主要材料表:
|
|
零件名称 PATR NAME
|
材料 PN16 MATERIAL
|
CLASS 150 MATERIAL
|
|
本体BODY
|
1.4408/EN1503-1
|
CF8M,CF8(1.4408)
|
|
球BALL
|
CF8M
|
CF8M
|
|
中轴 STEM
|
SS316
|
ANSI 316
|
|
侧盖 INSERT CAP
|
1.4408/EN1503-1
|
CF8M,CF8(1.4408)
|
|
大薄片 BODY SEAL
|
PTFE
|
PTFE
|
|
球垫 SEAT
|
PTFE
|
PTFE
|
|
小薄片 THRUST WASHER
|
PTFE
|
PTFE
|
|
中口 STEM PACKING
|
PTFE
|
PTFE
|
|
铁圈 GLANDEL
|
SS304
|
ANSI 304
|
|
把手 HANDEL NUT
|
SS304
|
ANSI 304
|
|
胶套 HANDEL COVER
|
PLASTIC
|
ANSI 304
|
|
下螺帽 STEM NUT
|
SS304
|
ANSI 304
|
|
上螺帽 HANDEL NTU
|
SS304
|
ANSI 304
|
|
盘型华司 BELLEVILLE WASHER
|
SS304
|
ANSI 304
|
|
挡柱 STOP PIN
|
SS304
|
PLASTIC
|
|
胶套 HANDLE SLEEVE
|
PLASTIC
|
PLASTIC
|
|
挡片 STOP BOLT
|
SS304
|
SS304
|
|
把手接头 HANDLE ADAPTER
|
CF8
|
CF8
|
|
圆管板杆 HANDLE
|
STEEL
|
STEEL
|
|
抗磨片 PACKING FOLLWER
|
PTFE.+25GG.F.
|
PTFE.+25GG.F.
|
|
防松华司 TAB WASHER
|
SS304
|
ANSI 304
|
|
螺丝
|
SS304
|
ANSI 304
|
|
|
|
|
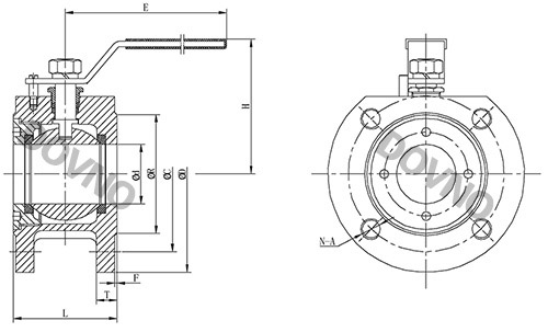
薄型对夹球阀主要外形尺寸图:
|

|
|
|
|
薄型对夹球阀主要外形尺寸表:
|
|
单位:mm
|
|
Size
|
LBS
|
d
|
L
|
R
|
C
|
D
|
H
|
E
|
F
|
T
|
ør
|
N
|
A
|
ISO 5211
|
|
1/2"
|
150
|
15
|
38
|
34.5
|
60.3
|
90
|
63
|
110
|
2
|
11.2
|
36
|
4
|
1/2
|
F03
|
|
3/4"
|
150
|
20
|
40
|
42.9
|
69.9
|
100
|
72
|
110
|
2
|
11.2
|
36
|
4
|
1/2
|
F03
|
|
1"
|
150
|
25
|
50
|
50.8
|
79.4
|
110
|
78.5
|
150
|
2
|
12
|
42
|
4
|
1/2
|
F04
|
|
1-1/4"
|
150
|
30
|
58
|
63.5
|
88.9
|
115
|
83.5
|
150
|
2
|
12.7
|
42
|
4
|
1/2
|
F04
|
|
1-1/2"
|
150
|
36
|
65
|
73
|
98.4
|
125
|
93
|
175
|
2
|
14.3
|
50
|
4
|
1/2
|
F05
|
|
2"
|
150
|
46
|
80
|
92.1
|
120.7
|
150
|
104
|
175
|
2
|
15.9
|
50
|
4
|
5/8
|
F04
|
|
2-1/2"
|
150
|
57
|
94
|
104.8
|
139.7
|
180
|
130
|
250
|
2
|
17.5
|
70
|
4
|
5/8
|
F07
|
|
3"
|
150
|
73
|
118
|
127
|
152.4
|
190
|
142
|
250
|
2
|
19.1
|
70
|
4
|
5/8
|
F07
|
|
4"
|
150
|
90
|
140
|
157.2
|
190.5
|
230
|
166
|
280
|
2
|
23.9
|
70
|
8
|
5/8
|
F07
|
|
意式薄型对夹球阀参照意大利产品的特点,与具有结构长度短、重量轻、安装方便、节省材料等显著的优点;对夹型球阀主要用于截断或接通管路中的介质,结构紧凑,密封可靠,结构简单,维修方便,经济实惠,易于操作和维修。
薄型对夹球阀产品应用:
意式对夹式薄型球阀关闭件球体绕阀体中间线作旋转来达到开启、关闭的一种阀门,薄型对夹球阀适用于水、溶剂、酸和天然气等一般工作介质,意式薄型球阀而且还适用于工作条件恶劣的介质,如氧气、过氧化氢、甲烷和乙烯等,在各行业得到广泛的应用。

·薄型对夹球阀质保体系:
有了您的信任与支持,我们提供值得信赖的Ruihao品牌产品,我们支持一系列的系统技术参数、技术指导、文件支持,实行质量跟踪、客户档案、售后保障。
·薄型对夹球阀产品标准:
我们的产品按国际及国内相关标准验收,产品实行"全程跟踪"服务;随货提供"铭牌""质量证明""质保卡",产品带有"说明书""检验报告"等相关说明。
·薄型对夹球阀解决方案:
瑞濠公司为工业系统和水力提供的整体方案,我们专注产品质量,把握每一个产品细节全程控制; 不仅为用户解决需求,还保障了控制系统运行可靠性,减少系统的故障及维护,不懈努力的为用户提供高品质、高性能的产品。
·薄型对夹球阀售后保障:
瑞濠公司实行完善的用户档案和全程服务制度,每个用户都进行全程免费技术咨询、安装指导、跟踪服务以及相关咨询服务。
瑞濠公司的阀门产品实行"三包"服务,货物到现场提供相应技术指导支持; 质保期实行12个月到24个月不等。
·薄型对夹球阀订购说明:
1.阀门产品:如有指定型号标准,请直播销售热线咨询价格,了解详情!
2.技术支持:如没有指定产品型号规格,请把工况要求、设计图纸、技术规范,发送传真或邮件至本公司。
3.产品订货参数:通径(DN),公称压力(Mpa),温度(℃),连接方式(螺纹、法兰、对夹等)。
4.产品驱动方式:手动、蜗轮、气动、电动等。
5.产品标准:国标GB、日标JIS、美标ANSI、德标DIN、英标BS、欧标EN等。
6.报价确认:本公司提供报价清单及技术标准说明至客户确认,在双方技术各方面确认后再拟定合同。
7.阀门质量要求、质量标准、供方对质量负责的条件:按有关质量标准。