

| 球阀 |
| 闸阀 |
| 蝶阀 |
| 截止阀 |
| 止回阀 |
| 排气阀 |
| 过滤器 |
| 电磁阀 |
| 旋塞阀 |
| 平衡阀 |
| 减压阀 |
| 调节阀 |
| 角座阀 |
| 针型阀 |
| 疏水阀 |
| 管夹阀 |
| 隔膜阀 |
| 阻火器 |
| 呼吸阀 |
| 排泥阀 |
| 液压阀 |
| 放料阀 |
| 柱塞阀 |
| 低温阀门 |
| 衬氟阀门 |
| 塑料阀门 |
| 刀型闸阀 |
| 陶瓷阀门 |
| 黄铜阀门 |
| 水力控制阀 |
| 电动气动阀门 |
| 特材阀门 |
| 进入更多阀门系列 |

| 产品品牌 | Ruihao |
| 产品型号 | Q41F |
| 产品口径 | DN15-DN200 |
| 产品压力 | PN16-PN160 |
| 产品材质 | CF8,CF8M,F304,F316 |
| 产品应用 | 水.气.油品.化工流体 |
| 产品特点 | ●瑞濠阀门,Ruihao工业品质。 ●质量保证,交货快捷,售后完善。 ●产品三包:包修、包换、包退。 ●(Ruihao)Pipeline Safety Keeper。 ●Ruihao工业品牌阀门,管道的安全管理员。 ●销售热线:+8613676550726、31007662。 |
| 序号 NO. | 零件名称 Part name | 材质 Material |
| 1 | 阀体Body | CF8M、CF8 |
| 2 | 阀盖End Cap | CF8M、CF8 |
| 3 | 螺母Nut | A194-8 |
| 4 | 螺栓Bolting | A193-B8 A193-B7 |
| 5 | 阀座Ball Seat | PTFE |
| 6 | 球体Ball | CF8MCF8 |
| 7 | 防静电装置Anti-Static | SUS316、SUS304 |
| 8 | 阀杆Stem | SUS316、SUS304 |
| 9 | 阀盖垫圈Body Gasket | PTFE/GRAFOIL |
| 10 | 阀杆密封圈Stem Seal-Ring | PIFE |
| 11 | V型阀杆填料V-Ring Packing | PTFE、GRAFOIL |
| 12 | 格南Gland | SUS316 |
| 13 | 碟型弹片Belleville Washer | SUS316 |
| 14 | 手柄格南Handle Gland | SUS301 |
| 15 | 手柄螺母Handle Nut | SUS304 |
| 16 | 挂锁装置Lock Device | SUS304 |
| 17 | 手柄Handle | SUS304 |
| 18 | 手柄胶套Handle Adapter | SUS304 |
| 19 | 定位螺栓Stop Bolt | VINYL PLASTIC |
| 20 | 锁紧螺丝Set Screwed | SUS304 |
| 21 | 手柄接头Handle Adapter | SUS304 |
| 22 | 蜗轮Worm Gear | A536(60-50-12)/FCD450 |

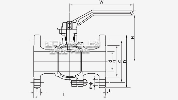
| 通径DN(d) | L | D | C | g | T | n-φ | W |
| 15 | 130 | 95 | 65 | 45 | 14 | 4-14 | 140 |
| 20 | 140 | 105 | 75 | 55 | 16 | 4-14 | 160 |
| 25 | 150 | 115 | 85 | 65 | 16 | 4-14 | 180 |
| 32 | 165 | 140 | 100 | 78 | 18 | 4-18 | 250 |
| 40 | 180 | 150 | 110 | 85 | 18 | 4-18 | 300 |
| 50 | 200 | 165 | 125 | 100 | 18 | 4-18 | 350 |
| 65 | 220 | 185 | 145 | 120 | 18 | 4-18 | 350 |
| 80 | 250 | 200 | 160 | 135 | 20 | 8-18 | 400 |
| 100 | 280 | 220 | 180 | 155 | 20 | 8-18 | 500 |
| 125 | 320 | 250 | 210 | 185 | 22 | 8-18 | 600 |
| 150 | 360 | 282 | 240 | 210 | 24 | 8-22 | 800 |
| 200 | 400 | 340 | 295 | 265 | 26 | 12-22 | 1000 |
| 250 | 450 | 430 | 355 | 320 | 29 | 12-26 | 1200 |