【固定式锻钢球阀】瑞濠品牌.质量保证,瑞濠阀业全方面介绍固定式锻钢球阀相关标准、选型、作用、结构图、规格型号、外形尺寸、工作原理、安装维护及产品说明书;为广大用户提供高品质、高性能、高标准、高寿命、价格优惠的固定式锻钢球阀。
固定式锻钢球阀产品简述:
高压固定式
锻钢球阀就是材料是锻造出来的,材质的密度比铸造的密度要大很多,适用高压场合,三片式高压锻钢
球阀将阀体在两阀座部位沿与阀门通道轴线相垂直的截面分为三部分,整台阀门沿阀杆中间轴左右对称,固定式锻钢球阀在管道上主要用于切断、分配和改变介质流动方向。它的大枢轴结构保证在高压下准确的球体中间位置,保证了阀门良好的操作性能。
固定式锻钢球阀产品特点:
三分体式连接锻钢固定球阀,系将阀体在两阀座部位沿与阀门通道轴线相垂直的截面分为三部分,整台阀门沿阀杆中间轴左右对称,固定式锻钢球阀它在管道上主要用于切断、分配和改变介质流动方向。它的大枢轴结构保证在高压下准确的球体中间位置,保证了阀门良好的操作性能;标准阀座采用弹簧结构,将阀座推向球体,保证了良好的进出口双向密封性能;利用自带的排放阀,阀体中腔可向外排放;枢轴采用防吹出保护结构,有效地防止泄漏;低磨擦系数的轴承,使得扭矩减小,便于阀门启闭;阀杆与阀体有效的接触,使防静电接地装置性能优越等。固定式锻钢球阀具有性能优,可靠性高,用途广泛,价格合理等优点。
固定式锻钢球阀性能参数:
a、锻钢固定球阀工作压力:1.0Mpa-42.0Mpa。
b、工作温度:-46+550℃。
c、驱动方式:手动、蜗轮、气动、电动等。
d、连接方式:法兰、焊接、对焊、承插焊、等。
e、制造标准:国标GB、JB、HG,美标API、ANSI,英标BS,日本JIS、JPI等。
f、锻钢固定球阀阀体材质:铸钢、碳钢、WCB、WC6、WC9、20#、25#、锻钢、A105、F11、F22、不锈钢304,304L,316、316L、铬钼钢、低温钢、钛合金钢等。
固定式锻钢球阀的特点:
固定式锻钢球阀座采用弹簧结构,将阀座推向球体,保证了良好的进出口双向密封性能;高压锻钢球阀利用自带的排放阀,阀体中腔可向外排放;枢轴采用防吹出保护结构,有效地防止泄漏;低磨擦系数的轴承,使得扭矩减小,便于阀门启闭;阀杆与阀体有效的接触,使防静电接地装置性能优越等。固定式锻钢球阀具有性能优异,可靠性高,用途广泛,价格合理等优点。
固定式锻钢球主要性能规范:
|
试验压力(Mpa)
|
公称压力(Mpa)
|
压力级(Class)
|
|
1.6
|
2.5
|
4.0
|
6.4
|
10.0
|
16.0
|
25.0
|
150
|
300
|
400
|
600
|
900
|
1500
|
|
强度试验
|
2.4
|
3.8
|
6.0
|
9.6
|
15.0
|
24
|
37.5
|
3.1
|
7.8
|
10.2
|
15.3
|
23.1
|
38.4
|
|
密封试验
|
1.8
|
2.8
|
4.4
|
7.0
|
11.0
|
17.6
|
27.5
|
2.2
|
5.6
|
7.5
|
11.2
|
16.8
|
28.1
|
|
气密试验
|
0.5-0.7
|
|
工作温度
|
PTEE150℃ PPL E300℃ 碳纤350℃
|
|
适用介质
|
C:水、油、蒸气 P:硝酸类(温度200℃ ) R:醋酸类(温度200℃ )
|
固定式锻钢球主要零件材:
|
零件名称
|
材料
|
|
材料代号
|
C
|
L
|
P
|
R
|
|
阀体 阀盖
|
WCB
|
ZGOOCr17Ni14Mo2(CF3M)
|
ZG1Cr18Ni9Ti(CF8)
|
ZG1Cr18Ni12Mo2Ti(CF8M)
|
|
球体
|
2Cr13
|
ZGOOCr17Ni14Mo2(CF3M)
|
ZG1Cr18Ni9Ti(CF8)
|
ZG1Cr18Ni12Mo2Ti(CF8M)
|
|
阀杆
|
2Cr13
|
316L
|
1Cr18Ni9Ti(304)
|
1Cr18Ni12Mo2Ti(316)
|
|
阀座密封面
|
PTFE、碳素纤维+PTFE、对位聚苯
|
|
螺柱 螺母
|
35 35CrMoA(B7) 45(2H)
|
2Cr13(420) 1Cr18Ni9 1Cr17Ni2(431)
|
|
填料
|
V型PTFE、柔性石墨
|
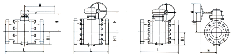
固定式锻钢球阀主要连接尺寸及重量(mm&kg)Class 150LB
尺寸
|
inch
|
2
|
3
|
4
|
6
|
8
|
10
|
12
|
14
|
16
|
18
|
20
|
|
L(RTJ)
|
mm
|
178
|
203
|
229
|
394
|
457
|
533
|
610
|
686
|
762
|
864
|
914
|
|
H
|
mm
|
153
|
195
|
213
|
500
|
568
|
605
|
662
|
725
|
770
|
970
|
935
|
|
H1
|
mm
|
139
|
178
|
191
|
220
|
289
|
318
|
382
|
430
|
470
|
489
|
528
|
|
L0
|
mm
|
400
|
600
|
850
|
400
|
400
|
400
|
400
|
800
|
800
|
600
|
500
|
|
重量
|
kg
|
30
|
50
|
90
|
203
|
289
|
450
|
588
|
676
|
864
|
764
|
911
|
固定式锻钢球阀主要连接尺寸及重量(mm&kg)Class 300LB
|
尺寸
|
inch
|
2
|
3
|
4
|
6
|
8
|
10
|
12
|
14
|
16
|
18
|
20
|
|
L
|
mm
|
216
|
283
|
305
|
403
|
502
|
568
|
648
|
762
|
838
|
914
|
911
|
|
L(RTJ)
|
mm
|
232
|
299
|
321
|
419
|
518
|
584
|
664
|
778
|
854
|
930
|
1010
|
|
H
|
mm
|
153
|
195
|
213
|
500
|
569
|
605
|
662
|
725
|
770
|
970
|
935
|
|
H1
|
mm
|
139
|
178
|
191
|
220
|
289
|
318
|
382
|
430
|
470
|
489
|
528
|
|
L0
|
mm
|
600
|
1250
|
1300
|
400
|
400
|
400
|
400
|
800
|
800
|
600
|
500
|
|
重量
|
kg
|
30
|
50
|
90
|
203
|
289
|
450
|
588
|
676
|
864
|
764
|
911
|
主要连接尺寸及重量(mm&kg)Class 600LB
|
尺寸
|
inch
|
2
|
3
|
4
|
6
|
8
|
10
|
12
|
14
|
16
|
18
|
20
|
|
L
|
mm
|
292
|
356
|
432
|
559
|
660
|
787
|
838
|
889
|
991
|
1092
|
1194
|
|
L(RTJ)
|
mm
|
295
|
359
|
435
|
562
|
663
|
790
|
841
|
892
|
994
|
1095
|
1200
|
|
H
|
mm
|
153
|
195
|
213
|
500
|
569
|
645
|
702
|
750
|
815
|
970
|
1065
|
|
H1
|
mm
|
119
|
145
|
180
|
220
|
289
|
318
|
382
|
430
|
470
|
489
|
561
|
|
L0
|
mm
|
600
|
1250
|
1300
|
400
|
400
|
457
|
457
|
800
|
800
|
600
|
600
|
|
重量
|
kg
|
32
|
64
|
122
|
267
|
521
|
773
|
1118
|
1700
|
1970
|
1218
|
1646
|
固定式锻钢球阀主要连接尺寸及重量(mm&kg)Class 900LB
|
尺寸
|
inch
|
2
|
3
|
4
|
6
|
8
|
10
|
12
|
14
|
16
|
18
|
20
|
|
L
|
mm
|
368
|
381
|
457
|
610
|
737
|
838
|
965
|
1029
|
1130
|
1210
|
1321
|
|
L(RTJ)
|
mm
|
372
|
384
|
460
|
613
|
780
|
841
|
968
|
1038
|
1140
|
1232
|
1334
|
|
H
|
mm
|
162
|
205
|
239
|
591
|
700
|
700
|
820
|
950
|
990
|
1030
|
1200
|
|
H1
|
mm
|
119
|
145
|
180
|
213
|
254
|
327
|
368
|
442
|
483
|
523
|
615
|
|
L0
|
mm
|
600
|
1250
|
1300
|
450
|
600
|
750
|
750
|
600
|
600
|
600
|
600
|
|
重量
|
kg
|
48
|
78
|
138
|
275
|
547
|
847
|
1224
|
1676
|
2083
|
2694
|
3515
|
固定式锻钢球阀主要连接尺寸及重(mm&kg)Class 1500LB
|
尺寸
|
inch
|
2
|
3
|
4
|
6
|
8
|
10
|
12
|
14
|
16
|
18
|
20
|
|
L
|
mm
|
368
|
470
|
546
|
705
|
832
|
991
|
1130
|
1257
|
1384
|
1537
|
1664
|
|
L(RTJ)
|
mm
|
372
|
473
|
549
|
711
|
841
|
1000
|
1146
|
1276
|
1407
|
1559
|
1686
|
|
H
|
mm
|
197
|
254
|
291
|
655
|
660
|
735
|
860
|
950
|
1065
|
1235
|
1275
|
|
H1
|
mm
|
119
|
145
|
180
|
213
|
278
|
384
|
440
|
442
|
483
|
576
|
615
|
|
L0
|
mm
|
600
|
1250
|
1300
|
760
|
450
|
450
|
660
|
600
|
750
|
750
|
750
|
|
重量
|
kg
|
55
|
97
|
162
|
328
|
668
|
936
|
1408
|
1861
|
2392
|
3220
|
4491
|
固定式锻钢球阀产品应用:
大口径固定式锻钢球阀主要适用于火力电站各种系统的管路上,切断或接通管路介质。高压锻钢球阀适用于:化工、石油、天然气、冶金等行业及含硫化氢介质、杂质多、腐蚀严重的天然气长输管线。固定式锻钢球阀与其他阀门产品相比的特点是高温锻钢,自密封设计,压力越高,密封越可靠。

·固定式锻钢球阀质保体系:
有了您的信任与支持,我们提供值得信赖的Ruihao品牌产品,我们支持一系列的系统技术参数、技术指导、文件支持,实行质量跟踪、客户档案、售后保障。
·固定式锻钢球阀产品标准:
我们的产品按国际及国内相关标准验收,产品实行"全程跟踪"服务;随货提供"铭牌""质量证明""质保卡",产品带有"说明书""检验报告"等相关说明。
·固定式锻钢球阀解决方案:
瑞濠公司为工业系统和水力提供的整体方案,我们专注产品质量,把握每一个产品细节全程控制; 不仅为用户解决需求,还保障了控制系统运行可靠性,减少系统的故障及维护,不懈努力的为用户提供高品质、高性能的产品。
·固定式锻钢球阀售后保障:
瑞濠公司实行完善的用户档案和全程服务制度,每个用户都进行全程免费技术咨询、安装指导、跟踪服务以及相关咨询服务。
瑞濠公司的阀门产品实行"三包"服务,货物到现场提供相应技术指导支持; 质保期实行12个月到24个月不等。
·固定式锻钢球阀订购说明:
1.阀门产品:如有指定型号标准,请直播销售热线咨询价格,了解详情!
2.技术支持:如没有指定产品型号规格,请把工况要求、设计图纸、技术规范,发送传真或邮件至本公司。
3.产品订货参数:通径(DN),公称压力(Mpa),温度(℃),连接方式(螺纹、法兰、对夹等)。
4.产品驱动方式:手动、蜗轮、气动、电动等。
5.产品标准:国标GB、日标JIS、美标ANSI、德标DIN、英标BS、欧标EN等。
6.报价确认:本公司提供报价清单及技术标准说明至客户确认,在双方技术各方面确认后再拟定合同。
7.阀门质量要求、质量标准、供方对质量负责的条件:按有关质量标准。