【不锈钢槽车球阀】瑞濠品牌.质量保证,瑞濠阀业全方面介绍不锈钢槽车球阀相关标准、选型、作用、结构图、规格型号、外形尺寸、工作原理、安装维护及产品说明书;为广大用户提供高品质、高性能、高标准、高寿命、价格优惠的不锈钢槽车球阀。
不锈钢槽车球阀产品简述:
不锈钢
槽车球阀采用了单浮动球体固定封圈技术的燃气槽车专用装卸球阀,其与槽车
紧急切断阀和装卸管总成配套使用,槽车
球阀具有启闭快速,密封可靠的特点,作为控制槽车装车和卸车时介质流通和截断的装置。不锈钢槽车球阀采用法兰连接安装在紧急切断阀下游,出口与同规格快速接头配合使用,用来装卸和卸荷介质时的接通和截断,待放散阀,槽车球阀适用于液化气槽车和液氨槽车上,并采用浮动式球体进行启闭,操作速度快。
不锈钢槽车球阀主要设计参数:
法兰连接:JB/T79-94、GB9113-2000
结构长度:GB12221-89
公称通径:DN25、50mm
公称压力:PN1.6、2.5、4.0MP
适用温度:-40~+80℃
不锈钢槽车球阀主要性能参数:
|
公称压力
|
壳体试验
|
密封试验
|
适用介质
|
适宜温度
|
|
2.5
|
3.75
|
2.75
|
液化气、液氨
液化石油气等LPG、CNG、LA Etc.
|
-40~+80℃
|
|
4.0
|
6.0
|
4.4
|
不锈钢槽车球阀主要零件材料:
|
阀体
|
球体、阀杆
|
密封圈
|
填料
|
|
不锈钢
|
不锈钢
|
增强聚四氟乙烯
|
聚四氟乙烯
|
不锈钢槽车球阀性能规范:
|
公称压力PN
|
1.6
|
2.5
|
MPa
|
|
壳体试验压力
|
2.4
|
3.75
|
|
气密封试验压力
|
1.76
|
2.75
|
|
低压气密封试验压力
|
0.5~0.7
|
|
适用介质
|
液化气、液氨
|
|
适用温度
|
-40~+80℃
|
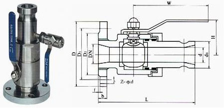
不锈钢槽车球阀主要外形尺寸:
|
PN
|
DN
|
d
|
L
|
H
|
D
|
D1
|
D2
|
b
|
f
|
Z-фd
|
W
|
|
2.5MPa
|
25
|
22
|
194
|
78
|
115
|
85
|
65
|
16
|
2
|
4-14
|
150
|
|
2.5MPa
|
50
|
46
|
230
|
88
|
160
|
125
|
100
|
20
|
3
|
4-18
|
180
|
不锈钢槽车球阀产品应用:
不锈钢槽车球阀(CQA-16P、CQA-25P、CQA-40P槽车球阀):本槽车球阀采用法兰连接安装在紧急切断阀下游,出口与同规格快速接头配合使用,用来装卸和卸荷介质时的接通和截断,当放散不锈钢槽车球阀适用于液化气槽车和液氨槽车上,并采用浮动式球体进行启闭,操作速度快。

·不锈钢槽车球阀质保体系:
有了您的信任与支持,我们提供值得信赖的Ruihao品牌产品,我们支持一系列的系统技术参数、技术指导、文件支持,实行质量跟踪、客户档案、售后保障。
·不锈钢槽车球阀产品标准:
我们的产品按国际及国内相关标准验收,产品实行"全程跟踪"服务;随货提供"铭牌""质量证明""质保卡",产品带有"说明书""检验报告"等相关说明。
·不锈钢槽车球阀解决方案:
瑞濠公司为工业系统和水力提供的整体方案,我们专注产品质量,把握每一个产品细节全程控制; 不仅为用户解决需求,还保障了控制系统运行可靠性,减少系统的故障及维护,不懈努力的为用户提供高品质、高性能的产品。
·不锈钢槽车球阀售后保障:
瑞濠公司实行完善的用户档案和全程服务制度,每个用户都进行全程免费技术咨询、安装指导、跟踪服务以及相关咨询服务。
瑞濠公司的阀门产品实行"三包"服务,货物到现场提供相应技术指导支持; 质保期实行12个月到24个月不等。
·不锈钢槽车球阀订购说明:
1.阀门产品:如有指定型号标准,请直播销售热线咨询价格,了解详情!
2.技术支持:如没有指定产品型号规格,请把工况要求、设计图纸、技术规范,发送传真或邮件至本公司。
3.产品订货参数:通径(DN),公称压力(Mpa),温度(℃),连接方式(螺纹、法兰、对夹等)。
4.产品驱动方式:手动、蜗轮、气动、电动等。
5.产品标准:国标GB、日标JIS、美标ANSI、德标DIN、英标BS、欧标EN等。
6.报价确认:本公司提供报价清单及技术标准说明至客户确认,在双方技术各方面确认后再拟定合同。
7.阀门质量要求、质量标准、供方对质量负责的条件:按有关质量标准。