温州瑞濠阀业有限公司
网站导航    |    
Ruihao品牌电话
  • 瑞濠阀业-管道的安全管理员!
  • 您当前的位置:温州瑞濠阀业有限公司 > 球阀 > 槽车球阀 > 铝合金槽车三通球阀
    产品列表
    球阀
    闸阀
    蝶阀
    截止阀
    止回阀
    排气阀
    过滤器
    电磁阀
    旋塞阀
    平衡阀
    减压阀
    调节阀
    角座阀
    针型阀
    疏水阀
    管夹阀
    隔膜阀
    阻火器
    呼吸阀
    排泥阀
    液压阀
    放料阀
    柱塞阀
    低温阀门
    衬氟阀门
    塑料阀门
    刀型闸阀
    陶瓷阀门
    黄铜阀门
    水力控制阀
    电动气动阀门
    特材阀门
    进入更多阀门系列
    联系我们
    销售热线:+8613676550726
    销售热线:+8618815167607
    产品详细
    铝合金槽车三通球阀
    产品品牌Ruihao
    产品型号Q44FL、Q45FL
    产品口径DN50-DN80
    产品压力1.0Mpa
    产品材质铝合金
    产品应用洒水车,槽罐车
    产品特点 ●瑞濠阀门,Ruihao工业品质。
    ●质量保证,交货快捷,售后完善。
    ●产品三包:包修、包换、包退。
    ●(Ruihao)Pipeline Safety Keeper。
    ●Ruihao工业品牌阀门,管道的安全管理员。
    ●销售热线:+8613676550726、31007662。
    【铝合金槽车三通球阀】瑞濠品牌.质量保证,瑞濠阀业全方面介铝金槽车三通球阀相关标准、选型、作用、结构图、规格型号、外形尺寸、工作原理、安装维护及产品说明书;为广大用户提供高品质、高性能、高标准、高寿命、价格优惠的铝合金槽车三通球阀。


    三通槽车球阀产品简述:
    方型三通槽车球阀采用铝合金壳体,不锈钢球芯,具有结构紧凑,重量轻,体积小,使用方便等优点,设有限位和加锁装置。槽车球阀是油罐车配件的主要应用产品之一,广泛用于非腐蚀性液体输送管道开闭控制(如油罐车,加油站等)旋转法兰内密封座可调整板杆轻重和消除渗漏,当密封环与球面部位有损伤时,要修正其密封面或者更换。
    直通铝合金槽车球阀三通铝合金槽车球阀
    三通槽车球阀产品特点:
    ◆三通槽车球阀安装前要对调整圈进行调整,以保证密封及手柄转动灵活。
    ◆管路输送液体腰保证清洁度,以防杂质入内,损伤阀体和密封面,缩短使用寿命。
    ◆与球阀法兰相接的管路法兰,平面应与球阀法兰平面平行,不平行时不可用,以免螺栓过紧后损坏球阀,此时应调整管路法兰平行,方可安装使用。
    ◆使用前须看准转动方向,以免错位带来使用不方便及扭伤手柄。
    ◆油车长期停放或过冬不用时,应提前将罐内的液体排放干净,以免影响其正常使用。
    ◆三通槽车球阀在使用过程中,如果在密封条件下,一般不要常拆,以免损伤密封面,影响其密封性能。
    ◆四位三通槽车球阀是采用三通的阀芯,能快速改变液流方向,可广泛用于非腐蚀性介质的液流系统中,该阀用于加油车上可减少直通阀的数量,简化管路,且操作方便。

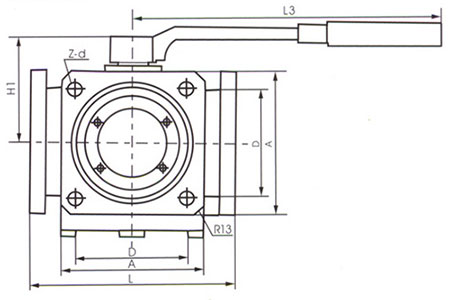
    三通槽车球阀外形尺寸表:
    型号 DN L L1 L2 L3 H H1 A B D Z-d
    Q45FL-50 50 180 145 92 200 150 85 120 13 82 4-12
    Q45FL-65 65 200 170 104 300 190 104 140 16 110 4-14
    Q45FL-65 65 220 200 120 300 190 112 140 16 110 4-14
    Q45FL-80 80 220 200 120 300 210 112 140 16 112 4-14
    三通槽车球阀尺寸图
    三通槽车球阀产品应用:
    方型三通槽车球阀是一种由铝合金制造的流体控制设备产品,主要应用于油罐车或加油站等,输送管路上使用的配件。按工况要求可选用三通式、直通式等,三通槽车球阀具有结构紧凑,重量轻,体积小,使用方便等优点,设有限位和加锁装置。铝合金四位三通槽车球阀用于,加油站,油罐车,洒水车等非腐蚀液体的装卸。
    瑞濠首页 关于我们 使用场景 产品中心 解决方案 技术中心 客服中心

    Copyright 2026 温州瑞濠阀业有限公司 All Rights Reserved.  网址:https://www.ruihao-valve.com/

    电话:+8613676550726  

    邮箱:sales@ruihao-valve.com

    地址:浙江省温州市龙湾区沙城街道永强大道2913-2921号2楼2001室  邮编:325024  

    手机扫描二维码可以浏览瑞濠阀业手机站
    扫描此二维码访问手机站