【管式双向液压锁】瑞濠品牌一体化解决方案,瑞濠阀业全方面介绍【BLV_04/21,VRPC管式双向液压锁】相关标准、选型、作用、结构图、规格型号;外形尺寸、工作原理、安装维护及液压锁产品说明书;为广大用户提供高品质、高性能、高标准、高寿命、价格优惠的系列液压锁。
管式双向液压锁产品简述:
双向液压锁就是2个液控单向阀并连起来使用起到保压和锁定油缸位置的作用,双向液压锁工作原理是一个油腔正向进油时,另一腔反向出油,反之易然,当两腔正向不进油时,反向也不通,不受外界负荷干扰,起到锁的作用。广泛用于工程运输起重等机械中的油缸需保压的油路中。
图形符号:
DPOCV管式双向液压锁技术参数:
应用材料
阀体:钢
阀芯:钢
密封:丁腈胶
温度
理想工作温度:+40℃~+70℃
高工作温度:+90℃
低/高环境温度:-20℃~+60℃
DPOCV管式双向液压锁型号说明:

① 双向液压锁系列代号:DPOCV
② 阀体连接螺纹形式:G
③ 接头连接螺纹形式/:12L、15L、18L(DIN2353) 双向液压锁,液控单向阀允许一个方向的自由流动(小的压降);而反方向则通常是关闭的,当有来自另一个油路的先导压力方可打开该阀。
DPOCV管式双向液压锁大流量:
|
DPOCV-G1/4-12L
|
350
|
大流量L/min
|
先导比
|
开启压力
|
|
DPOCV-G1/4-12L
|
20
|
1:4.5
|
3.5
|
|
DPOCV-G3/8-12L
|
20
|
1:4.5
|
3.5
|
|
DPOCV-G3/8-15L
|
50
|
1:4
|
3.5
|
|
DPOCV-G1/2-15L
|
50
|
1:4
|
3.5
|
|
DPOCV-G1/2-18L
|
300
|
80
|
1:4
|
3.5
|
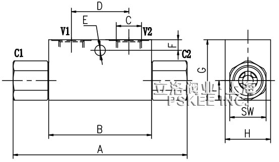
DPOCV管式双向液压锁外形尺寸表:
|
型号
|
A
|
B
|
C
|
D
|
E
|
F
|
G
|
H
|
I
|
RA
|
LW
|
d1
|
SW
|
|
DPOCV-G1/4-12L
|
115
|
68
|
G1/4
|
38
|
7
|
7
|
40
|
30
|
13
|
12.3
|
12
|
M18*1.5
|
24
|
|
DPOCV-G3/8-12L
|
115
|
68
|
G3/8
|
38
|
7
|
7
|
40
|
30
|
13
|
12.3
|
15
|
M18*1.5
|
24
|
|
DPOCV-G3/8-15L
|
139
|
80
|
G3/8
|
40
|
8.5
|
15
|
50
|
40
|
16
|
15.3
|
15
|
M22*1.5
|
27
|
|
DPOCV-G1/2-15L
|
139
|
80
|
G1/2
|
40
|
8.5
|
15
|
50
|
40
|
16
|
15.3
|
18
|
M22*1.5
|
27
|
|
DPOCV-G1/2-18L
|
163
|
90
|
G1/2
|
40
|
8.5
|
15
|
60
|
40
|
20
|
18.3
|
18
|
M26*1.5
|
30
|
以上双向液压锁产品均不带卡套接头,如需带卡套型号后面加"KT"
带卡套订货示例VRPC-G1/4-12L-KT
|
BLV-04/21-L/B-YT
管式双向液压锁技术参数:
应用材料
阀体:钢
阀芯:强化硬质钢
温度/TEMPERATURES
理想工作温度:+40℃~+70℃
高工作温度:+90℃
低/高环境温度:-20℃~+60℃
密封/SEALS:丁腈胶/NBR
图形符号:
BLV-04/21-L/B-YT
管式双向液压锁大流量:
|
型号
|
大压力
|
大流量L/min
|
先导比
|
开启压力
|
|
DPOCV-G1/4-12L
|
350
|
20
|
1:4.5
|
3.5
|
|
DPOCV-G3/8-12L
|
20
|
1:4.5
|
3.5
|
|
DPOCV-G3/8-15L
|
50
|
1:4
|
3.5
|
|
DPOCV-G1/2-15L
|
50
|
1:4
|
3.5
|
|
DPOCV-G1/2-18L
|
300
|
80
|
1:4
|
3.5
|
BLV-04/21-L/B-YT
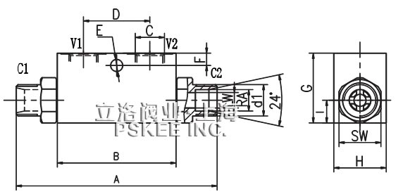
管式双向液压锁外形尺寸表:
|
型号
|
A
|
B
|
C
|
D
|
E
|
F
|
G
|
H
|
I
|
RA
|
LW
|
d1
|
SW
|
|
DPOCV-G1/4-12L
|
115
|
68
|
G1/4
|
38
|
7
|
7
|
40
|
30
|
13
|
12.3
|
12
|
M18*1.5
|
24
|
|
DPOCV-G3/8-12L
|
115
|
68
|
G3/8
|
38
|
7
|
7
|
40
|
30
|
13
|
12.3
|
15
|
M18*1.5
|
24
|
|
DPOCV-G3/8-15L
|
139
|
80
|
G3/8
|
40
|
8.5
|
15
|
50
|
40
|
16
|
15.3
|
15
|
M22*1.5
|
27
|
|
DPOCV-G1/2-15L
|
139
|
80
|
G1/2
|
40
|
8.5
|
15
|
50
|
40
|
16
|
15.3
|
18
|
M22*1.5
|
27
|
|
DPOCV-G1/2-18L
|
163
|
90
|
G1/2
|
40
|
8.5
|
15
|
60
|
40
|
20
|
18.3
|
18
|
M26*1.5
|
30
|
以上双向液压锁产品均不带卡套接头,如需带卡套型号后面加"KT"
带卡套订货示例VRPC-G1/4-12L-KT
|
DPOCD管式双向液压锁技术参数:
应用材料
阀体:钢
阀芯:钢
密封:丁腈胶
温度/TEMPERATURES
理想工作温度:+40℃~+70℃
高工作温度:+90℃
低/高环境温度:-20℃~+60℃
图形符号:
DPOCD管式双向液压锁大流量:
|
型号
|
大压力
|
大流量
|
先导比
|
开启压力
|
|
DPOCD-G1/4
|
350
|
20
|
1:4.5
|
3.5
|
|
DPOCD-G3/8
|
50
|
1:4
|
3.5
|
|
DPOCD-G1/2
|
300
|
80
|
1:4
|
3.5
|
DPOCD管式双向液压锁外形尺寸表:
|
型号
|
A
|
B
|
C
|
D
|
E
|
F
|
G
|
H
|
I
|
SW
|
|
DPOCD-G1/4
|
115
|
68
|
G1/4
|
38
|
7
|
7
|
40
|
30
|
13
|
24
|
|
DPOCD-G3/8
|
139
|
80
|
G3/8
|
40
|
8.5
|
15
|
50
|
40
|
16
|
27
|
|
DPOCD-G1/2
|
173
|
90
|
G1/2
|
40
|
8.5
|
15
|
60
|
40
|
20
|
30
|
DPOCP管式双向液压锁技术参数:
应用材料
阀体:钢
阀芯:强化硬质钢
密封:丁腈胶
温度
理想工作温度:+40℃~+70℃
高工作温度:+90℃
环境温度:-20℃~+60℃
图形符号:
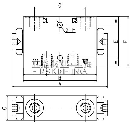
DPOCP管式双向液压锁外表尺寸表:
|
型号
|
C1-C2
V1-V2
|
大流量
|
大压力Bar
|
A
|
B
|
C
|
D
|
E
|
F
|
G
|
H
|
|
DPOCP-G1/4
|
G1/4
|
20
|
钢
|
铝
|
117
|
90
|
62
|
30
|
40
|
64
|
30
|
6.5
|
|
DPOCP-G3/8
|
G3/8
|
30
|
350
|
210
|
117
|
90
|
62
|
30
|
40
|
64
|
30
|
6.5
|
|
DPOCP-G1/2
|
G1/2
|
50
|
129
|
114
|
76
|
38
|
40
|
70
|
35
|
8.5
|
|
DPOCP-G3/4
|
G3/4
|
100
|
154
|
140
|
90
|
46
|
50
|
90
|
44
|
10.5
|

·管式双向液压锁质保体系:
有了您的信任与支持,我们提供值得信赖的Ruihao品牌产品,我们支持一系列的系统技术参数、技术指导、文件支持,实行质量跟踪、客户档案、售后保障。
·管式双向液压锁产品标准:
我们的产品按相关标准验收,产品质量实行"售后跟踪"服务;随货提供"铭牌""质量证明""质保卡",产品并带有"说明书""检验报告"等相关说明。
·管式双向液压锁解决方案:
瑞濠公司为工业系统和水力提供的整体方案,我们专注产品质量,把握每一个产品细节全程控制; 不仅为用户解决需求,还保障了控制系统运行可靠性,减少系统的故障及维护,不懈努力的为用户提供高品质、高性能的产品。
·管式双向液压锁售后保障:
瑞濠公司实行完善的用户档案和全程服务制度,每个用户都进行全程免费技术咨询、安装指导、跟踪服务以及相关咨询服务。
瑞濠公司的阀门产品实行"三包"服务,货物到现场提供相应技术指导支持; 质保期实行12个月到24个月不等。
·管式双向液压锁订购说明:
1.阀门产品:如有指定型号标准,请直播销售热线咨询价格,了解详情!
2.技术支持:如没有指定产品型号规格,请把工况要求、设计图纸、技术规范,发送传真或邮件至本公司。
3.产品订货参数:通径(DN),公称压力(Mpa),温度(℃),连接方式(螺纹、法兰、对夹等)。
4.产品驱动方式:手动、蜗轮、气动、电动等。
5.产品标准:国标GB、日标JIS、美标ANSI、德标DIN、英标BS、欧标EN等。
6.报价确认:本公司提供报价清单及技术标准说明至客户确认,在双方技术各方面确认后再拟定合同。
7.阀门质量要求、质量标准、供方对质量负责的条件:按有关质量标准。