【单向液压锁】瑞濠品牌.质量保证,瑞濠阀业全方面介绍【QY8C单向液压锁】相关标准、选型、作用、结构图、规格型号;外形尺寸、工作原理、安装维护及液压锁产品说明书;为广大用户提供高品质、高性能、高标准、高寿命、价格优惠的系列液压锁。
单向液压锁产品简述:
单向液压锁,属于液压元件,常用于平衡及支承回路中。它由阀体、滑阀、调整座、弹簧及弹簧座、密封件等零件组成,滑阀的左右两端同时被阀体的内孔支承并配合,调整座与阀体用螺栓联接,弹簧座为活塞式,与调整座内孔配合,采用上述结构后,解决了因弹簧本身的制造、安装问题和油流冲击而引起滑阀歪斜导致滑阀发卡,甚至不能工作的问题。该单向液压锁结构简单,制造容易,动作灵敏,工作可靠。
单向液压锁技术参数:
公称压力:32Mpa
公称通径:6mm
额定流量:25L/min
适用介质:液压油
单向液压锁外形尺寸:
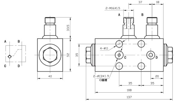
QY8C-116型
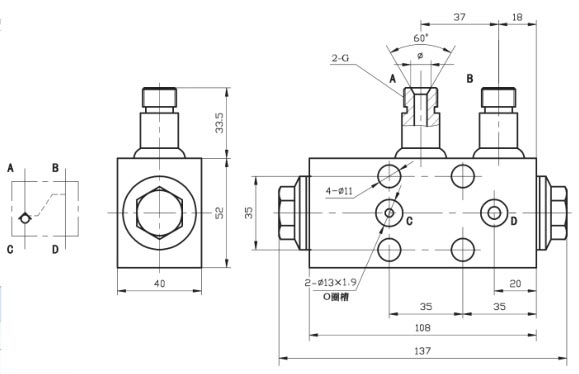
QY8C-6212型
单向液压锁技术参数:
公称压力:32Mpa
公称通径:6mm
额定流量:25L/min
适用介质:液压油
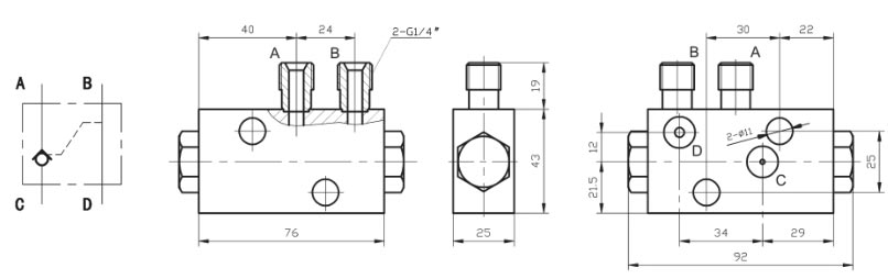
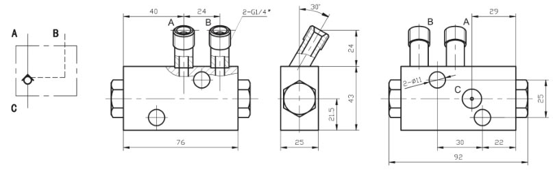
QY16A型单向液压锁:
技术参数
公称压力:32Mpa
公称通径:6mm
额定流量:25L/min
适用介质:液压油
QY16A型单向液压锁外形尺寸:
QY16A-6429-1型
QY16A-6429-50T型
QLY25BT-647型

·单向液压锁质保体系:
有了您的信任与支持,我们提供值得信赖的Ruihao品牌产品,我们支持一系列的系统技术参数、技术指导、文件支持,实行质量跟踪、客户档案、售后保障。
·单向液压锁产品标准:
我们的产品按相关标准验收,产品质量实行"售后跟踪"服务;随货提供"铭牌""质量证明""质保卡",产品并带有"说明书""检验报告"等相关说明。
·单向液压锁解决方案:
瑞濠公司为工业系统和水力提供的整体方案,我们专注产品质量,把握每一个产品细节全程控制; 不仅为用户解决需求,还保障了控制系统运行可靠性,减少系统的故障及维护,不懈努力的为用户提供高品质、高性能的产品。
·单向液压锁售后保障:
瑞濠公司实行完善的用户档案和全程服务制度,每个用户都进行全程免费技术咨询、安装指导、跟踪服务以及相关咨询服务。
瑞濠公司的阀门产品实行"三包"服务,货物到现场提供相应技术指导支持; 质保期实行12个月到24个月不等。
·单向液压锁订购说明:
1.阀门产品:如有指定型号标准,请直播销售热线咨询价格,了解详情!
2.技术支持:如没有指定产品型号规格,请把工况要求、设计图纸、技术规范,发送传真或邮件至本公司。
3.产品订货参数:通径(DN),公称压力(Mpa),温度(℃),连接方式(螺纹、法兰、对夹等)。
4.产品驱动方式:手动、蜗轮、气动、电动等。
5.产品标准:国标GB、日标JIS、美标ANSI、德标DIN、英标BS、欧标EN等。
6.报价确认:本公司提供报价清单及技术标准说明至客户确认,在双方技术各方面确认后再拟定合同。
7.阀门质量要求、质量标准、供方对质量负责的条件:按有关质量标准。