

| 球阀 |
| 闸阀 |
| 蝶阀 |
| 截止阀 |
| 止回阀 |
| 排气阀 |
| 过滤器 |
| 电磁阀 |
| 旋塞阀 |
| 平衡阀 |
| 减压阀 |
| 调节阀 |
| 角座阀 |
| 针型阀 |
| 疏水阀 |
| 管夹阀 |
| 隔膜阀 |
| 阻火器 |
| 呼吸阀 |
| 排泥阀 |
| 液压阀 |
| 放料阀 |
| 柱塞阀 |
| 低温阀门 |
| 衬氟阀门 |
| 塑料阀门 |
| 刀型闸阀 |
| 陶瓷阀门 |
| 黄铜阀门 |
| 水力控制阀 |
| 电动气动阀门 |
| 特材阀门 |
| 进入更多阀门系列 |

| 产品品牌 | Ruihao |
| 产品型号 | VRPSD,VRPSC |
| 产品口径 | G1/4-G1/2 |
| 产品压力 | 350Bar |
| 产品材质 | 碳钢 |
| 产品应用 | 液压机械 |
| 产品特点 | ●瑞濠阀门,Ruihao工业品质。 ●质量保证,交货快捷,售后完善。 ●产品三包:包修、包换、包退。 ●(Ruihao)Pipeline Safety Keeper。 ●Ruihao工业品牌阀门,管道的安全管理员。 ●销售热线:+8613676550726、31007662。 |
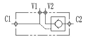
VRPSD单向液压锁型号说明:

1.单向液压锁系列代号
2.阀体连接螺纹形式:G
3.接头连接螺纹形式:12L、15L、18L(DIN2353)
VRPSD单向液压锁技术参数:
应用材料
阀体:钢
阀芯:钢
密封:丁腈胶
温度
理想工作温度:+40℃~+70℃
工作温度不可大:+90℃
高环境温度:-20℃~+60℃
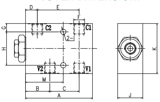
VRPSD单向液压锁外形尺寸图:
VRPSD单向液压锁流量:
| 型号 | 压力(Bar) | 流量(L/min) | 先导比 | 开启压力 |
| VRPSD-G1/4-12L | 350 | 20 | 1:4.5 | 3.5 |
| VRPSD-G3/8-12L | 20 | 1:4.5 | 3.5 | |
| VRPSD-G3/8-15L | 50 | 1:4 | 3.5 | |
| VRPSD-G1/2-15L | 50 | 1:4 | 3.5 | |
| VRPSD-G1/2-18L | 300 | 80 | 1:4 | 3.5 |
| 型号 | A | B | C | D | E | F | G | H | I | RA | LW | d1 | SW |
| VRPSD-G1/4-12L | 115 | 68 | G1/4 | 38 | 7 | 7 | 40 | 30 | 13 | 12.3 | 12 | M18*1.5 | 24 |
| VRPSD-G3/8-12L | 115 | 68 | G3/8 | 38 | 7 | 7 | 40 | 30 | 13 | 12.3 | 15 | M18*1.5 | 24 |
| VRPSD-G3/8-15L | 139 | 80 | G3/8 | 40 | 8.5 | 15 | 50 | 40 | 16 | 15.3 | 15 | M22*1.5 | 27 |
| VRPSD-G1/2-15L | 139 | 80 | G1/2 | 40 | 8.5 | 15 | 50 | 40 | 16 | 15.3 | 18 | M22*1.5 | 27 |
| VRPSD-G1/2-18L | 163 | 90 | G1/2 | 40 | 8.5 | 15 | 50 | 40 | 20 | 18.3 | 18 | M26*1.5 | 30 |
|
以上单向液压锁型号产品均不带卡套接头,如需带卡套接头型号后面加"KT" 订货订例:VRPSD-G1/4-12L-KT |
|||||||||||||

VRPSC单向液压锁流量:
| 型号 | 压力(Bar) | 流量(L/min) | 先导比 | 开启压力 |
| VRPSC-G1/4 | 350 | 20 | 1:4.5 | 3.5 |
| VRPSC-G3/8 | 50 | 1:4 | 3.5 | |
| VRPSC-G1/2 | 300 | 80 | 1:4 | 3.5 |
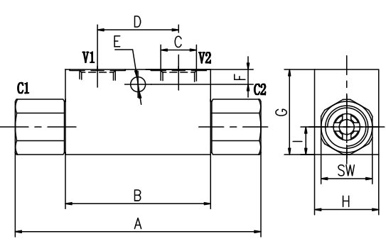
| 型号 | A | B | C | D | E | F | G | H | I | SW |
| VRPSC-G1/4 | 115 | 68 | G1/4 | 38 | 7 | 7 | 40 | 30 | 13 | 24 |
| VRPSC-G3/8 | 139 | 80 | G3/8 | 40 | 8.5 | 15 | 50 | 40 | 16 | 27 |
| VRPSC-G1/2 | 173 | 90 | G1/2 | 40 | 8.5 | 15 | 60 | 40 | 20 | 30 |
高环境温度:-20℃~+60℃
VRPSL单向液压锁型号说明:

①材料:A:铝 :碳钢
②液控单向阀系列代号:VRPSL型
③连接螺纹尺寸:G
VRPSL单向液压锁流量:
| 型号 | 流量(L/min) | 工作压力(Bar) | 先导比 | 开启压力 | |
| VRPSL-G1/4 | 20 | 钢 | 铝 | 7.1:1 | 3.5 |
| VRPSL-G3/8 | 30 | 350 | 200 | 7.1:1 | 3.5 |
| VRPSL-G1/2 | 50 | 3.2:1 | 3.5 | ||
| VRPSL-G3/4 | 100 | 4:1 | 3.5 | ||
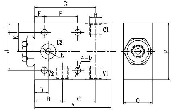
| 型号 | A | B | C | D | E | F | G | H | I | J | K | M |
| VRPSL-G1/4 | 80 | 29 | 35 | 14 | 50 | G1/4 | 10 | 40 | Φ6.5 | 30 | 60 | 45 |
| VRPSL-G3/8 | 80 | 29 | 35 | 14 | 50 | G3/8 | 10 | 40 | Φ6.5 | 30 | 60 | 45 |
| VRPSL-G1/2 | 100 | 38 | 38 | 19 | 57 | G1/2 | 15 | 40 | Φ8.5 | 35 | 70 | 57 |
| VRPSL-G3/4 | 140 | 47 | 68 | 25 | 90 | G3/4 | 20 | 50 | Φ10.5 | 44 | 90 | 70 |

| 型号 | 流量(L/min) | 工作压力(bar) | 先导比 | 开启压力 | |
| VRPSB-G1/4 | 20 | 钢 | 铝 | 7.1:1 | 3.5 |
| VRPSB-G3/8 | 30 | 350 | 210 | 7.1:1 | 3.5 |
| VRPSB-G1/2 | 50 | 3.2:1 | 3.5 | ||
| VRPSB-G3/4 | 100 | 4:1 | 3.5 | ||
| 型号 | A | B | C | D | E | F | G | H | I | J | K | M | N | O | P |
| VRPSB-G1/4 | 80 | 29 | 35 | 14 | 10 | 35 | 64 | G1/4 | 10 | 40 | 30 | Φ6.5 | Φ6 | 30 | 60 |
| VRPSB-G3/8 | 80 | 29 | 35 | 14 | 10 | 35 | 64 | G3/8 | 10 | 40 | 30 | Φ6.5 | Φ6 | 30 | 60 |
| VRPSB-G1/2 | 100 | 38 | 38 | 19 | 15 | 40 | 76 | G1/2 | 15 | 40 | 35 | Φ8.5 | Φ10 | 35 | 70 |
| VRPSB-G3/4 | 140 | 47 | 68 | 25 | 22 | 48 | 115 | G3/4 | 20 | 50 | 45 | Φ10.5 | Φ14 | 44 | 90 |