【对夹式硬密封蝶阀】瑞濠品牌.质量保证,瑞濠阀业全方面介绍D373H对夹式硬密封蝶阀相关标准、选型、作用、结构图、规格型号;外形尺寸、工作原理、安装维护及产品说明书;为广大用户提供高品质、高性能、高标准、高寿命、价格优惠的系列对夹式硬密封蝶阀。
|
对夹式硬密封蝶阀简述:
|
|
对夹式硬密封蝶阀的设计是采用三偏心结构原理,利用了固有的凸轮效应,消除了90度行程中阀座与密封圈之间的全部磨擦。蝶阀的蝶板安装于管道的直径方向。在阀体圆柱形通道内,圆盘形蝶板绕着轴线旋转,旋转角度为0°~90°之间,旋转到90°时,蝶阀则全开状态。
|
|
|
对夹式硬密封蝶阀特点:
|
由于本产品对夹式硬密封蝶阀采用的是三维偏心原理设计,使密封面的空间运动轨迹达到理想化,密封面相互之间无磨擦、无干涉、加之密封材料选择得当,从而使蝶阀的密封性、耐腐蚀性、耐高温性和耐磨性等得到了可靠的保证。其主要特点如下:
1、开启力矩小,灵活方便,省力节能。
2、蝶阀三维编心结构,使蝶板越关越紧,其密封性能可靠,达到无泄漏。
3、硬密封蝶阀耐高压、耐腐蚀、耐磨损、使用寿命长等。
|
|
|
|
对夹式硬密封蝶阀适用范围:
|
|
对夹式硬密封蝶阀适用于发生炉、煤气、天然气、液化石油气、城市煤气、冷热空气、化工冶炼和发电环保等工程系统中输送各种腐蚀性、非腐蚀性流体介质的管道上,用于调节和截断介质的流动。
|
|
|
|
对夹式硬密封蝶阀密封原理:
|
三偏心蝶阀具有双向无气泡紧密关闭性能,这种几何形状保证阀瓣密封只是在关闭位置时才与阀体阀座接触,因此不会产生摩擦或磨损,并且产生一种扭矩使得弹性密封具有足够的"焊接"性能,确保密封接触的均匀一致性。
由于在双偏心蝶阀的基础上将阀座中间线形成一个角偏置,使得蝶阀在开启过程中,蝶板的密封面在开启瞬间立即脱离阀座密封面。而在关闭瞬间才会接触并压紧阀座密封面。当开始时,两密封面之间形成一个与双偏心密封蝶阀相同间隙,该类蝶阀的设计,消除了两密封面之间的机械磨损和擦伤,使蝶阀的密封性能和寿命都得到大大提高。
|

|
对夹式硬密封蝶阀结构特征
弟一个偏心:轴偏离密封面中间线
弟二个偏心:轴偏离管路及阀门中间线
弟三个偏心:其独特的偏心阀座斜锥角与管路中间的夹角,这样,使得阀座与密封圈在阀门整个开关过程中脱离。这种结构既利用了凸轮效应,又消除了摩擦,去除了磨损和泄漏的可能。
对夹式硬密封蝶阀零泄漏:三偏心蝶阀依靠安装在蝶板上的复合不锈钢密封圈来实现零泄漏。
硬密封蝶阀零泄漏是通过蝶板上密封圈的弹性来实现的。该密封圈的总结性是通过其径向的压缩和柔动产生的。密封圈与阀座接触面为斜锥面。密封圈与阀座之间的接触角产生轻微的"楔式效应",使密封圈发生柔动和径向压缩。正由于阀座与密封圈之间均匀接触以及密封圈的柔性,使得加载在阀座上的载荷均匀,从而用小的扭矩实现严密的切断。扭矩产生的弹性使得蝶阀严密关断,而与介质流向或介质压力无关。
|
|
|
|
对夹式硬密封蝶阀性能参数:
|
|
公称通径(mm)
|
DN50~1600
|
|
公称压力(MPa)
|
PN0.6、PN1.0、PN1.6、PN2.5
|
|
阀门材料
|
WCB,CF8,CF8M,2520,321各种合金钢
|
|
适用介质
|
硫酸、磷酸、硝酸、盐酸、碱液、油品、氨气等
|
|
适用温度(℃)
|
-29~700℃
|
|
设计制造
|
GB/T 12238、API 609、JB/T 8527
|
|
结构长度
|
GB/T 12221
|
|
连接法兰
|
JB/T 74、GB/T 9113、API605
|
|
压力试验
|
GB/T 13927、JB/T9092
|
|
传动方式
|
手动、蜗轮传动、气动、电动
|
|
|
|
|
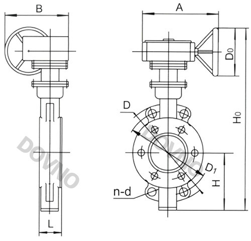
对夹式硬密封蝶阀结构图:
|

|
|
|
|
对夹式硬密封蝶阀1.0Mpa外形尺寸表:
|
|
规格size
|
L
|
D1
|
D
|
n-d
|
H
|
H0
|
A
|
B
|
D0
|
重量
|
|
mm
|
Kg
|
|
DN50
|
43
|
125
|
165
|
4-18
|
115
|
418
|
200
|
200
|
160
|
13
|
|
DN65
|
46
|
145
|
185
|
4-18
|
125
|
442
|
200
|
200
|
160
|
16
|
|
DN80
|
64
|
160
|
200
|
8-18
|
130
|
453
|
220
|
200
|
160
|
21
|
|
DN100
|
64
|
180
|
220
|
8-18
|
145
|
475
|
240
|
200
|
160
|
26
|
|
DN125
|
70
|
210
|
250
|
8-18
|
175
|
522
|
260
|
200
|
160
|
31
|
|
DN150
|
76
|
240
|
285
|
8-22
|
180
|
638
|
280
|
280
|
240
|
35
|
|
DN200
|
89
|
295
|
340
|
8-22
|
215
|
705
|
320
|
280
|
240
|
41
|
|
DN250
|
114
|
350
|
395
|
12-22
|
250
|
775
|
360
|
280
|
240
|
54
|
|
DN300
|
114
|
400
|
445
|
12-22
|
290
|
955
|
460
|
420
|
310
|
65
|
|
DN350
|
127
|
460
|
505
|
16-22
|
305
|
990
|
500
|
420
|
310
|
100
|
|
DN400
|
127
|
515
|
565
|
16-26
|
340
|
1070
|
540
|
420
|
310
|
180
|
|
DN450
|
140
|
565
|
615
|
20-26
|
380
|
1145
|
580
|
420
|
310
|
210
|
|
DN500
|
152
|
620
|
670
|
20-26
|
410
|
1200
|
620
|
420
|
310
|
250
|
|
DN600
|
154
|
725
|
780
|
20-30
|
480
|
1350
|
660
|
420
|
310
|
370
|
|
DN700
|
165
|
840
|
895
|
24-30
|
535
|
1550
|
750
|
550
|
400
|
460
|
|
DN800
|
190
|
950
|
1015
|
24-33
|
590
|
1665
|
800
|
550
|
400
|
590
|
|
DN900
|
203
|
1050
|
1115
|
28-33
|
630
|
1726
|
850
|
550
|
400
|
730
|
|
DN1000
|
216
|
1160
|
1230
|
28-36
|
690
|
1965
|
1000
|
750
|
500
|
920
|
|
DN1200
|
254
|
1380
|
1455
|
32-39
|
875
|
2360
|
1050
|
750
|
500
|
1200
|
|
DN1400
|
279
|
1590
|
1675
|
36-42
|
975
|
2560
|
1050
|
750
|
600
|
1600
|
|
DN1600
|
318
|
1820
|
1915
|
40-48
|
1100
|
2780
|
1050
|
750
|
600
|
2100
|
|
|
|
|
对夹式硬密封蝶阀1.6Mpa外形尺寸表:
|
|
规格size
|
L
|
D1
|
D
|
n-d
|
H
|
H0
|
A
|
B
|
D0
|
重量
|
|
mm
|
Kg
|
|
DN50
|
43
|
125
|
165
|
4-18
|
115
|
418
|
200
|
200
|
160
|
15
|
|
DN65
|
46
|
145
|
185
|
4-18
|
125
|
442
|
200
|
200
|
160
|
17
|
|
DN80
|
64
|
160
|
200
|
8-18
|
130
|
453
|
220
|
200
|
160
|
23
|
|
DN100
|
64
|
180
|
220
|
8-18
|
145
|
475
|
240
|
200
|
160
|
28
|
|
DN125
|
70
|
210
|
250
|
8-18
|
175
|
522
|
260
|
200
|
160
|
34
|
|
DN150
|
76
|
240
|
285
|
8-22
|
180
|
638
|
280
|
280
|
240
|
38
|
|
DN200
|
89
|
295
|
340
|
12-22
|
215
|
705
|
320
|
280
|
240
|
44
|
|
DN250
|
114
|
355
|
405
|
12-22
|
250
|
775
|
360
|
280
|
240
|
58
|
|
DN300
|
114
|
410
|
460
|
16-26
|
290
|
955
|
460
|
420
|
310
|
73
|
|
DN350
|
127
|
470
|
520
|
16-30
|
305
|
990
|
500
|
420
|
310
|
150
|
|
DN400
|
127
|
525
|
580
|
20-30
|
340
|
1070
|
540
|
420
|
310
|
240
|
|
DN450
|
140
|
585
|
640
|
20-33
|
380
|
1145
|
580
|
420
|
310
|
280
|
|
DN500
|
152
|
650
|
715
|
20-36
|
410
|
1200
|
620
|
420
|
310
|
350
|
|
DN600
|
154
|
770
|
840
|
24-36
|
480
|
1350
|
660
|
420
|
310
|
470
|
|
DN700
|
165
|
840
|
910
|
24-39
|
535
|
1550
|
750
|
550
|
400
|
600
|
|
DN800
|
190
|
950
|
1025
|
28-39
|
590
|
1665
|
800
|
550
|
400
|
700
|
|
DN900
|
203
|
1050
|
1125
|
28-42
|
630
|
1725
|
850
|
550
|
400
|
840
|
|
DN1000
|
216
|
1170
|
1255
|
28-42
|
690
|
1965
|
1000
|
750
|
500
|
1100
|
|
DN1200
|
254
|
1390
|
1485
|
32-48
|
875
|
2360
|
1050
|
750
|
500
|
1300
|
|
|
|
|
对夹式硬密封蝶阀2.5Mpa外形尺寸表:
|
|
规格size
|
L
|
D1
|
D
|
n-d
|
H
|
H0
|
A
|
B
|
D0
|
重量
|
|
mm
|
Kg
|
|
DN50
|
43
|
125
|
165
|
4-18
|
112
|
260
|
200
|
200
|
160
|
15
|
|
DN65
|
46
|
145
|
185
|
8-18
|
115
|
280
|
200
|
200
|
160
|
17
|
|
DN80
|
64
|
160
|
200
|
8-18
|
120
|
355
|
220
|
200
|
160
|
23
|
|
DN100
|
64
|
190
|
235
|
8-22
|
140
|
390
|
240
|
230
|
160
|
28
|
|
DN125
|
70
|
220
|
270
|
8-26
|
170
|
490
|
260
|
200
|
160
|
35
|
|
DN150
|
76
|
250
|
300
|
8-26
|
180
|
630
|
260
|
280
|
240
|
40
|
|
DN200
|
89
|
310
|
360
|
12-26
|
210
|
690
|
320
|
280
|
240
|
50
|
|
DN250
|
114
|
370
|
425
|
12-30
|
240
|
830
|
360
|
280
|
240
|
68
|
|
DN300
|
114
|
430
|
485
|
16-30
|
290
|
930
|
460
|
420
|
310
|
80
|
|
DN350
|
127
|
490
|
555
|
16-33
|
320
|
1010
|
500
|
420
|
310
|
150
|
|
DN400
|
127
|
550
|
620
|
16-36
|
350
|
1070
|
540
|
420
|
310
|
250
|
|
DN450
|
140
|
600
|
670
|
20-36
|
380
|
1140
|
580
|
420
|
310
|
300
|
|
DN500
|
152
|
660
|
730
|
20-36
|
410
|
1200
|
620
|
420
|
310
|
370
|
|
DN600
|
154
|
770
|
845
|
20-39
|
470
|
1340
|
660
|
420
|
310
|
490
|
|
DN700
|
165
|
875
|
960
|
24-42
|
550
|
1600
|
750
|
550
|
400
|
630
|
|
DN800
|
190
|
990
|
1085
|
24-48
|
640
|
1780
|
800
|
550
|
400
|
720
|
|
DN900
|
203
|
1090
|
1185
|
28-48
|
710
|
1920
|
850
|
550
|
400
|
870
|
|
DN1000
|
216
|
1210
|
1320
|
28-56
|
770
|
1960
|
1000
|
750
|
500
|
1150
|
|
对夹式硬密封蝶阀结构合理,密封严密可靠、流阻小、压差低、驱动灵活省力,使用寿命倍增。
适用于高、中、低压,高温、低温的管路中作闭路密封装置、节流装置和调节装置。广泛的应用于水利工程、自来水、电力循环水、石油、化工等工业管道上作截断介质流动。

·对夹式硬密封蝶阀质保体系:
有了您的信任与支持,我们提供值得信赖的Ruihao品牌产品,我们支持一系列的系统技术参数、技术指导、文件支持,实行质量跟踪、客户档案、售后保障。
·对夹式硬密封蝶阀产品标准:
我们的产品按相关标准验收,产品质量实行"售后跟踪"服务;随货提供"铭牌""质量证明""质保卡",产品并带有"说明书""检验报告"等相关说明。
·对夹式硬密封蝶阀解决方案:
瑞濠公司为工业系统和水力提供的整体方案,我们专注产品质量,把握每一个产品细节全程控制; 不仅为用户解决需求,还保障了控制系统运行可靠性,减少系统的故障及维护,不懈努力的为用户提供高品质、高性能的产品。
·对夹式硬密封蝶阀售后保障:
瑞濠公司实行完善的用户档案和全程服务制度,每个用户都进行全程免费技术咨询、安装指导、跟踪服务以及相关咨询服务。
瑞濠公司的阀门产品实行"三包"服务,货物到现场提供相应技术指导支持; 质保期实行12个月到24个月不等。
·对夹式硬密封蝶阀订购说明:
1.阀门产品:如有指定型号标准,请直播销售热线咨询价格,了解详情!
2.技术支持:如没有指定产品型号规格,请把工况要求、设计图纸、技术规范,发送传真或邮件至本公司。
3.产品订货参数:通径(DN),公称压力(Mpa),温度(℃),连接方式(螺纹、法兰、对夹等)。
4.产品驱动方式:手动、蜗轮、气动、电动等。
5.产品标准:国标GB、日标JIS、美标ANSI、德标DIN、英标BS、欧标EN等。
6.报价确认:本公司提供报价清单及技术标准说明至客户确认,在双方技术各方面确认后再拟定合同。
7.阀门质量要求、质量标准、供方对质量负责的条件:按有关质量标准。