【蜗轮对夹蝶阀】瑞濠品牌.质量保证,瑞濠阀业全方面介绍蜗轮对夹蝶阀相关标准、选型、作用、结构图、规格型号、外形尺寸、工作原理、产品说明书、安装维护及产品示意图;为广大用户提供高品质、高性能、高标准、高寿命、价格优惠的系列蜗轮对夹蝶阀。
|
蜗轮对夹蝶阀简述:
|
|
蜗轮对夹蝶阀尺寸小,重量轻,可在各种介质管道中作为截断、调节流量的设备,对夹蝶阀用在石油、化工、食品、医药、造纸、水电、船舶、给排水、冶炼、能源等系统管路上,可在多种腐蚀性、非腐蚀性的气体、液体、半流体以及固体粉末管和容器上作为调节和截流设备使用。
|
|
|
蜗轮对夹蝶阀特点:
|
1.对夹蝶阀小型轻便,容易拆装及维修,并可在任意位置安装。
2.结构简单,紧凑,90度回转开启迅速。
3.蜗轮蝶阀操作扭拒小,省力轻巧。
4.蝶阀流量特征于直线,调节性能好。
5.开启试验次数多达数万次,寿命长。
6.达到密封,气体式样泄漏为零。
7.对夹蝶阀更换零件材料简易,可适用多种介质。
|
|
|
蜗轮对夹蝶阀主要性能参数:
|
|
公称压力
|
PN 1.0/1.6Mpa
|
|
适用温度
|
≤120℃
|
|
适用介质
|
水、空气、食品、油品
|
|
主要零部件
|
阀体、阀瓣、阀杆、阀座、转轴
|
|
主要材料
|
铸铁、球墨铸铁、碳钢、不锈钢
|
|
|
|
|
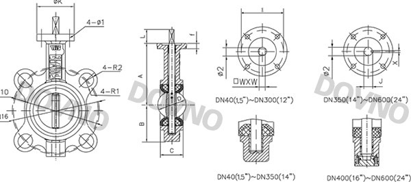
蜗轮对夹蝶阀结构图:
|
|
|
|
|
蜗轮对夹蝶阀外形尺寸表:
|
|
规格DN
|
A
|
B
|
C
|
D
|
L
|
D1
|
D2
|
Φ1
|
Φk
|
E
|
R1
|
R2
|
Φ2
|
f
|
J
|
X
|
W*W
|
重量
|
|
(PN10)
|
(PN16)
|
Weight(kg)
|
|
32
|
125
|
73
|
32.9
|
35.8
|
32
|
100
|
100
|
7
|
65
|
50
|
R9.5
|
R9.5
|
12.6
|
10
|
|
|
9*9
|
1.6
|
|
40
|
125
|
73
|
33
|
39
|
32
|
110
|
110
|
7
|
65
|
50
|
R9.5
|
R9.5
|
12.6
|
10
|
|
|
9*9
|
1.8
|
|
50
|
125
|
73
|
43
|
52
|
32
|
125
|
125
|
7
|
65
|
50
|
R9.5
|
R9.5
|
12.6
|
10
|
|
|
9*9
|
2.3
|
|
65
|
136
|
82
|
46
|
64
|
32
|
145
|
145
|
7
|
65
|
50
|
R9.5
|
R9.5
|
12.6
|
10
|
|
|
9*9
|
3
|
|
80
|
142
|
91
|
45.21
|
78
|
32
|
160
|
160
|
7
|
65
|
50
|
R9.5
|
R9.5
|
12.6
|
10
|
|
|
9*9
|
3.7
|
|
100
|
163
|
107
|
52.07
|
104
|
32
|
180
|
180
|
10
|
90
|
70
|
R9.5
|
R9.5
|
15.77
|
12
|
|
|
11*11
|
5.2
|
|
125
|
176
|
127
|
55.5
|
123
|
32
|
210
|
210
|
10
|
90
|
70
|
R9.5
|
R9.5
|
18.92
|
12
|
|
|
14*14
|
6.8
|
|
150
|
196
|
143
|
55.75
|
155
|
32
|
240
|
240
|
10
|
90
|
70
|
R11.5
|
R11.5
|
18.92
|
12
|
|
|
14*14
|
8.2
|
|
200
|
228
|
170
|
60.58
|
202
|
45
|
295
|
295
|
12
|
125
|
102
|
R11.5
|
R11.5
|
22.1
|
15
|
|
|
17*17
|
14
|
|
250
|
258
|
204
|
68
|
250
|
45
|
350
|
355
|
12
|
125
|
102
|
R11.5
|
R14
|
28.45
|
15
|
|
|
22*22
|
23
|
|
300
|
292
|
240
|
76.9
|
301
|
45
|
400
|
410
|
12
|
125
|
102
|
R11.5
|
R14
|
31.6
|
15
|
|
|
22*22
|
32
|
|
350
|
336
|
270
|
76.17
|
333.3
|
45
|
460
|
470
|
14
|
150
|
125
|
R11.5
|
R14
|
31.6
|
18
|
34.6
|
8
|
|
43
|
|
400
|
368
|
325
|
85.7
|
389.6
|
51
|
515
|
525
|
18
|
175
|
140
|
R14
|
R15.5
|
33.15
|
23
|
36.15
|
10
|
|
57
|
|
450
|
400
|
356
|
104.6
|
440.5
|
51
|
565
|
585
|
18
|
175
|
140
|
R14
|
R14
|
38
|
23
|
10.95
|
10
|
|
78
|
|
500
|
438
|
395
|
130.28
|
492
|
64
|
620
|
650
|
18
|
175
|
140
|
R14
|
R14
|
41.14
|
27
|
44.12
|
10
|
|
105
|
|
600
|
562
|
475
|
151.36
|
593
|
70
|
725
|
770
|
22
|
210
|
165
|
R15.5
|
R15.5
|
50.65
|
27
|
54.62
|
16
|
|
192
|
|
蜗轮对夹蝶阀适用在石油、化工、食品、医药、造纸、水电、船舶、给排水、冶炼、能源等系统管路上,对夹蝶阀可在多种腐蚀性、非腐蚀性的气体、液体、半流体以及固体粉末管和容器上作为调节和截流设备使用。

·蜗轮对夹蝶阀质保体系:
有了您的信任与支持,我们提供值得信赖的Ruihao品牌产品,我们支持一系列的系统技术参数、技术指导、文件支持,实行质量跟踪、客户档案、售后保障。
·蜗轮对夹蝶阀产品标准:
我们的产品按相关标准验收,产品质量实行"售后跟踪"服务;随货提供"铭牌""质量证明""质保卡",产品并带有"说明书""检验报告"等相关说明。
·蜗轮对夹蝶阀解决方案:
瑞濠公司为工业系统和水力提供的整体方案,我们专注产品质量,把握每一个产品细节全程控制; 不仅为用户解决需求,还保障了控制系统运行可靠性,减少系统的故障及维护,不懈努力的为用户提供高品质、高性能的产品。
·蜗轮对夹蝶阀售后保障:
瑞濠公司实行完善的用户档案和全程服务制度,每个用户都进行全程免费技术咨询、安装指导、跟踪服务以及相关咨询服务。
瑞濠公司的阀门产品实行"三包"服务,货物到现场提供相应技术指导支持; 质保期实行12个月到24个月不等。
·蜗轮对夹蝶阀订购说明:
1.阀门产品:如有指定型号标准,请直播销售热线咨询价格,了解详情!
2.技术支持:如没有指定产品型号规格,请把工况要求、设计图纸、技术规范,发送传真或邮件至本公司。
3.产品订货参数:通径(DN),公称压力(Mpa),温度(℃),连接方式(螺纹、法兰、对夹等)。
4.产品驱动方式:手动、蜗轮、气动、电动等。
5.产品标准:国标GB、日标JIS、美标ANSI、德标DIN、英标BS、欧标EN等。
6.报价确认:本公司提供报价清单及技术标准说明至客户确认,在双方技术各方面确认后再拟定合同。
7.阀门质量要求、质量标准、供方对质量负责的条件:按有关质量标准。