【涡轮法兰蝶阀】瑞濠品牌.质量保证,瑞濠阀业全方面介绍D341X涡轮法兰蝶阀相关标准、选型、作用、结构图、规格型号;外形尺寸、工作原理、安装维护及产品说明书;为广大用户提供高品质、高性能、高标准、高寿命、价格优惠的系列法兰蝶阀。
|
涡轮法兰蝶阀产品简述:
|
|
涡轮法兰蝶阀法兰连接中心板式蝶阀是新一代产品,综合了偏心法兰蝶阀和中线对夹的部分优点,填补了偏心与中线对夹之间的缺点。本阀启闭件是一个圆盘形的蝶板,在阀体内绕自身的轴线旋转,从而达到启闭或调节作用。驱动方式:手动、气动、电动。
|
|
|
涡轮法兰蝶阀产品应用:
|
|
涡轮法兰蝶阀适用于温度≤120℃公称压力≤1.6MPa的食品、医药、化工、石油、电力、轻纺、造纸等给排水、气体管道上作调节流量和截流介质的作用。
|
|
|
|
涡轮法兰蝶阀产品特点:
|
|
1、设计新颖、合理,结构独特,启闭迅速;双向密封性能优良,扭矩值小,零件加工性能优越。
2、蝶阀操力矩小,操作方便,省力灵巧;流量特性趋于直线, 调节性能好。
3、法兰连接安装便捷,立式、卧式安装均可。
4、蝶阀密封件可以更换,密封性能可靠达到双向密封零泄漏。
5、密封材料耐老化、耐腐蚀,使用寿命长等特点。
6、可用于管端作放空阀用,性能可靠。
|
|
|
|
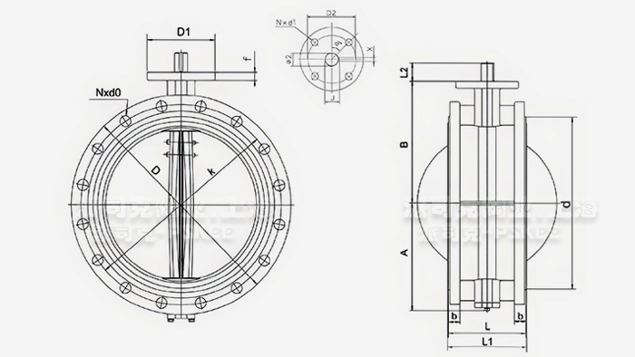
涡轮法兰蝶阀结构尺寸图:
|
|
国标尺寸图
|

|
|
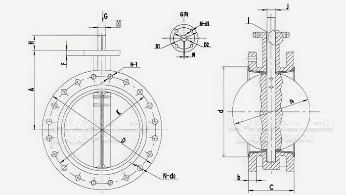
美标尺寸图:
|

|
|
国标涡轮法兰蝶阀外形1.0Mpa尺寸表:
|
|
DN
|
A
|
B
|
b
|
f
|
D
|
K
|
d
|
F
|
N*d0
|
L
|
L1
|
D1
|
D2
|
N-d1
|
a°
|
J
|
X
|
L2
|
Φ2
|
重量kg
|
|
50
|
83
|
120
|
19
|
3
|
165
|
125
|
99
|
13
|
4*Φ19
|
108
|
111
|
65
|
50
|
4-Φ7
|
45
|
13.8
|
3
|
32
|
12.6
|
7.6
|
|
65
|
93
|
130
|
19
|
3
|
185
|
145
|
118
|
13
|
4*Φ19
|
112
|
115
|
65
|
50
|
4-Φ7
|
45
|
13.8
|
3
|
32
|
12.6
|
9.7
|
|
80
|
100
|
145
|
19
|
3
|
200
|
160
|
132
|
13
|
8*Φ19
|
114
|
117
|
65
|
50
|
4-Φ7
|
45
|
13.8
|
3
|
32
|
12.6
|
10.6
|
|
100
|
114
|
155
|
19
|
3
|
220
|
180
|
156
|
13
|
8*Φ19
|
127
|
130
|
90
|
70
|
4-Φ10
|
45
|
17.77
|
5
|
32
|
15.77
|
13.8
|
|
125
|
125
|
170
|
19
|
3
|
250
|
210
|
184
|
13
|
8*Φ19
|
140
|
143
|
90
|
70
|
4-Φ10
|
45
|
20.92
|
5
|
32
|
18.92
|
18.2
|
|
150
|
143
|
190
|
19
|
3
|
285
|
240
|
211
|
13
|
8*Φ23
|
140
|
143
|
90
|
70
|
4-Φ10
|
45
|
20.92
|
5
|
32
|
18.92
|
21.7
|
|
200
|
170
|
205
|
20
|
3
|
340
|
295
|
266
|
13
|
8*Φ23
|
152
|
155
|
125
|
102
|
4-Φ12
|
45
|
24.1
|
5
|
45
|
22.1
|
31.8
|
|
250
|
198
|
235
|
22
|
3
|
395
|
350
|
319
|
13
|
12*Φ23
|
165
|
168
|
125
|
102
|
4-Φ12
|
45
|
31.45
|
8
|
45
|
28.45
|
44.7
|
|
300
|
223
|
280
|
24.5
|
4
|
445
|
400
|
370
|
20
|
12*Φ23
|
178
|
182
|
125
|
102
|
4-Φ12
|
45
|
34.6
|
8
|
45
|
31.6
|
57.9
|
|
350
|
270
|
310
|
24.5
|
4
|
505
|
460
|
429
|
20
|
16*Φ23
|
190
|
194
|
150
|
125
|
4-Φ14
|
45
|
34.6
|
8
|
45
|
31.6
|
81.6
|
|
400
|
300
|
340
|
24.5
|
4
|
565
|
515
|
480
|
20
|
16*Φ28
|
216
|
221
|
175
|
140
|
4-Φ18
|
45
|
36.15
|
10
|
51
|
33.15
|
106
|
|
450
|
340
|
375
|
25.5
|
4
|
615
|
565
|
530
|
20
|
20*Φ28
|
222
|
227
|
175
|
140
|
4-Φ18
|
45
|
40.95
|
10
|
51
|
38
|
147
|
|
500
|
355
|
430
|
26.5
|
4
|
670
|
620
|
582
|
22
|
20*Φ28
|
229
|
234
|
175
|
140
|
4-Φ18
|
45
|
44.12
|
10
|
57
|
41.15
|
165
|
|
600
|
410
|
500
|
30
|
5
|
780
|
725
|
682
|
22
|
20*Φ31
|
267
|
272
|
210
|
165
|
4-Φ22
|
45
|
51.62
|
16
|
70
|
50.65
|
235
|
|
|
700
|
478
|
560
|
32.5
|
5
|
895
|
840
|
794
|
30
|
24*Φ31
|
292
|
299
|
300
|
254
|
8-Φ18
|
22.5
|
71.35
|
18
|
66
|
63.35
|
238
|
|
800
|
529
|
620
|
35
|
5
|
1015
|
950
|
901
|
30
|
24*Φ34
|
318
|
325
|
300
|
254
|
8-Φ18
|
22.5
|
71.35
|
18
|
66
|
63.35
|
475
|
|
900
|
584
|
665
|
37.5
|
5
|
1115
|
1050
|
1001
|
34
|
28*Φ34
|
330
|
337
|
300
|
254
|
8-Φ18
|
22.5
|
84
|
20
|
118
|
75
|
595
|
|
1000
|
657
|
735
|
40
|
5
|
1230
|
1160
|
1112
|
34
|
28*Φ37
|
410
|
417
|
300
|
254
|
8-Φ18
|
22.5
|
95
|
22
|
142
|
85
|
794
|
|
1200
|
799
|
917
|
45
|
5
|
1455
|
1380
|
1328
|
34
|
32*Φ40
|
470
|
478
|
350
|
298
|
8-Φ22
|
22.5
|
117
|
28
|
150
|
105
|
1290
|
|
1400
|
919
|
1040
|
46
|
5
|
1675
|
1590
|
1530
|
40
|
36*Φ44
|
530
|
538
|
415
|
356
|
8-Φ33
|
22.5
|
134
|
32
|
200
|
120
|
2130
|
|
1500
|
965
|
1050
|
47.5
|
5
|
1785
|
1700
|
1630
|
40
|
36*Φ44
|
570
|
580
|
415
|
356
|
8-Φ32
|
22.5
|
156
|
36
|
200
|
140
|
3020
|
|
1600
|
1045
|
1150
|
49
|
5
|
1915
|
1820
|
1700
|
50
|
40*Φ50
|
600
|
610
|
415
|
356
|
8-Φ32
|
22.5
|
156
|
36
|
200
|
140
|
3560
|
|
1800
|
1280
|
1290
|
52
|
5
|
2115
|
2020
|
1914
|
55
|
44*Φ50
|
670
|
682
|
475
|
406
|
8-Φ40
|
22.5
|
178
|
40
|
280
|
160
|
4620
|
|
2000
|
1350
|
1323
|
55
|
5
|
2325
|
2230
|
2130
|
55
|
48*Φ50
|
760
|
772
|
475
|
406
|
8-Φ40
|
22.5
|
178
|
40
|
280
|
160
|
6160
|
|
2200
|
1430
|
1500
|
60
|
5
|
2555
|
2440
|
2320
|
55
|
52*Φ56
|
636
|
648
|
560
|
483
|
12-Φ40
|
15
|
200
|
45
|
300
|
180
|
6730
|
|
2400
|
1523
|
1560
|
68
|
5
|
2760
|
2650
|
2530
|
55
|
56*Φ56
|
750
|
762
|
686
|
603
|
20-Φ40
|
9
|
242
|
50
|
400
|
220
|
9586
|
|
|
国标涡轮法兰蝶阀外形1.6Mpa尺寸表:
|
|
DN
|
A
|
B
|
b
|
f
|
D
|
K
|
d
|
F
|
N*d0
|
L
|
L1
|
D1
|
D2
|
N-d1
|
a°
|
J
|
X
|
L2
|
Φ2
|
重量kg
|
|
50
|
83
|
120
|
19
|
3
|
165
|
125
|
99
|
13
|
4*Φ19
|
108
|
111
|
65
|
50
|
4-Φ7
|
45
|
13.8
|
3
|
32
|
12.6
|
7.6
|
|
65
|
93
|
130
|
19
|
3
|
185
|
145
|
118
|
13
|
4*Φ19
|
112
|
115
|
65
|
50
|
4-Φ7
|
45
|
13.8
|
3
|
32
|
12.6
|
9.7
|
|
80
|
100
|
145
|
19
|
3
|
200
|
160
|
132
|
13
|
8*Φ19
|
114
|
117
|
65
|
50
|
4-Φ7
|
45
|
13.8
|
3
|
32
|
12.6
|
10.6
|
|
100
|
114
|
155
|
19
|
3
|
220
|
180
|
156
|
13
|
8*Φ19
|
127
|
130
|
90
|
70
|
4-Φ10
|
45
|
17.77
|
5
|
32
|
15.77
|
13.8
|
|
125
|
125
|
170
|
19
|
3
|
250
|
210
|
184
|
13
|
8*Φ19
|
140
|
143
|
90
|
70
|
4-Φ10
|
45
|
20.92
|
5
|
32
|
18.92
|
18.2
|
|
150
|
143
|
190
|
19
|
3
|
285
|
240
|
211
|
13
|
8*Φ23
|
140
|
143
|
90
|
70
|
4-Φ10
|
45
|
20.92
|
5
|
32
|
18.92
|
21.7
|
|
200
|
170
|
205
|
20
|
3
|
340
|
295
|
266
|
13
|
12*Φ23
|
152
|
155
|
125
|
102
|
4-Φ12
|
45
|
24.1
|
5
|
45
|
22.1
|
31.8
|
|
250
|
198
|
235
|
22
|
3
|
405
|
355
|
319
|
13
|
12*Φ28
|
165
|
168
|
125
|
102
|
4-Φ12
|
45
|
31.45
|
8
|
45
|
28.45
|
44.7
|
|
300
|
223
|
280
|
24.5
|
4
|
460
|
410
|
370
|
20
|
12*Φ28
|
178
|
182
|
125
|
102
|
4-Φ12
|
45
|
34.6
|
8
|
45
|
31.6
|
59
|
|
350
|
270
|
310
|
26.5
|
4
|
520
|
470
|
429
|
20
|
16*Φ28
|
190
|
194
|
150
|
125
|
4-Φ14
|
45
|
36.15
|
10
|
45
|
33.15
|
86
|
|
400
|
300
|
340
|
28
|
4
|
580
|
525
|
480
|
20
|
16*Φ31
|
216
|
221
|
175
|
140
|
4-Φ18
|
45
|
40.95
|
10
|
51
|
37.95
|
119
|
|
450
|
340
|
375
|
30
|
4
|
640
|
585
|
530
|
20
|
20*Φ31
|
222
|
227
|
175
|
140
|
4-Φ18
|
45
|
45.96
|
12
|
51
|
42.86
|
165
|
|
500
|
355
|
430
|
31.5
|
4
|
715
|
650
|
582
|
22
|
20*Φ34
|
229
|
234
|
210
|
165
|
4-Φ22
|
45
|
49.22
|
14
|
57
|
45.72
|
185
|
|
600
|
410
|
500
|
36
|
5
|
840
|
770
|
682
|
22
|
20*Φ37
|
267
|
272
|
300
|
254
|
8-Φ18
|
22.5
|
57.98
|
15
|
70
|
53.98
|
263
|
|
|
700
|
478
|
560
|
39.5
|
5
|
910
|
840
|
794
|
30
|
24*Φ37
|
292
|
299
|
300
|
254
|
8-Φ18
|
22.5
|
71.35
|
18
|
66
|
63.35
|
361
|
|
800
|
529
|
620
|
43
|
5
|
1025
|
950
|
901
|
30
|
24*Φ41
|
318
|
325
|
350
|
298
|
8-Φ22
|
22.5
|
79
|
20
|
66
|
70
|
484
|
|
900
|
584
|
665
|
46.5
|
5
|
1125
|
1050
|
1001
|
34
|
28*Φ41
|
330
|
337
|
350
|
298
|
8-Φ22
|
22.5
|
90
|
22
|
118
|
80
|
598
|
|
1000
|
657
|
735
|
50
|
5
|
1255
|
1170
|
1112
|
34
|
28*Φ44
|
410
|
417
|
350
|
298
|
8-Φ22
|
22.5
|
100
|
25
|
142
|
90
|
824
|
|
1200
|
799
|
917
|
57
|
5
|
1485
|
1380
|
1328
|
34
|
32*Φ50
|
470
|
478
|
415
|
356
|
8-Φ33
|
22.5
|
117
|
28
|
150
|
105
|
1223
|
|
1400
|
919
|
1040
|
60
|
5
|
1685
|
1590
|
1530
|
40
|
36*Φ50
|
530
|
538
|
415
|
356
|
8-Φ33
|
22.5
|
134
|
32
|
200
|
120
|
2386
|
|
1500
|
965
|
1050
|
62.5
|
5
|
1820
|
1710
|
1630
|
40
|
36*Φ57
|
570
|
580
|
415
|
356
|
8-Φ32
|
22.5
|
156
|
36
|
200
|
140
|
3475
|
|
1600
|
1045
|
1150
|
65
|
5
|
1930
|
1820
|
1700
|
50
|
40*Φ57
|
600
|
610
|
415
|
365
|
8-Φ32
|
22.5
|
156
|
36
|
200
|
140
|
4055
|
|
1800
|
1156
|
1260
|
70
|
5
|
2130
|
2020
|
1914
|
55
|
44*Φ57
|
670
|
682
|
475
|
406
|
8-Φ40
|
22.5
|
178
|
40
|
280
|
160
|
5570
|
|
2000
|
1350
|
1323
|
75
|
5
|
2345
|
2230
|
2130
|
55
|
48*Φ62
|
760
|
772
|
475
|
406
|
8-Φ40
|
22.5
|
178
|
40
|
280
|
160
|
7240
|
|
|
|
|
美标涡轮法兰蝶阀外形尺寸表:
|
|
规格size
|
A
|
H
|
D0
|
C
|
d
|
b
|
D
|
K
|
N-d0
|
N-T
|
D1
|
D2
|
N-d1
|
F
|
Φ
|
W
|
J
|
重量
|
|
mm
|
inch
|
Kg
|
|
DN80
|
3
|
159
|
32
|
78.8
|
127
|
120
|
19.1
|
191
|
152.4
|
4-19
|
|
90
|
70
|
4-10
|
20
|
12.7
|
3
|
13.9
|
12.6
|
|
DN100
|
4
|
178
|
32
|
104
|
127
|
144
|
23.9
|
229
|
190.5
|
8-19
|
|
90
|
70
|
4-10
|
20
|
15.9
|
5
|
17.9
|
18.7
|
|
DN150
|
6
|
203
|
40
|
155.7
|
127
|
197
|
25.4
|
279
|
241.3
|
8-22.4
|
|
90
|
70
|
4-10
|
20
|
25.4
|
8
|
28.4
|
24.1
|
|
DN200
|
8
|
242
|
51
|
202.41
|
152
|
252
|
28.5
|
343
|
298.4
|
8-22.4
|
|
125
|
102
|
4-12
|
22
|
28.6
|
8
|
31.6
|
31.8
|
|
DN250
|
10
|
274
|
76
|
250.42
|
203
|
305
|
30.3
|
406
|
361.9
|
12-25.4
|
|
125
|
102
|
4-12
|
22
|
34.9
|
10
|
37.9
|
50.7
|
|
DN300
|
12
|
313
|
76
|
301.5
|
203
|
350
|
31.8
|
483
|
431.8
|
12-25.4
|
|
125
|
102
|
4-12
|
24
|
38.1
|
10
|
41.1
|
74.8
|
|
DN350
|
14
|
356
|
76
|
333.32
|
203
|
415
|
35.1
|
533
|
476.2
|
12-28.4
|
|
125
|
102
|
4-12
|
24
|
44.5
|
12
|
47.5
|
94.8
|
|
DN400
|
16
|
382
|
76
|
389.61
|
203
|
460
|
36.6
|
597
|
539.8
|
12-28.4
|
4-1
|
175
|
140
|
4-18
|
24
|
50.8
|
14
|
54.3
|
127.5
|
|
DN450
|
18
|
420
|
89
|
440.51
|
203
|
510
|
39.7
|
635
|
577.8
|
12-31.8
|
4-11/8
|
175
|
140
|
4-18
|
26
|
54
|
16
|
58
|
161.1
|
|
DN500
|
20
|
459
|
89
|
491.64
|
203
|
560
|
43
|
699
|
635
|
16-31.8
|
4-11/8
|
210
|
165
|
4-22
|
26
|
60.3
|
18
|
64.3
|
225.2
|
|
DN600
|
24
|
572
|
89
|
592.5
|
203
|
660
|
47.8
|
813
|
749.3
|
16-35.0
|
4-11/4
|
210
|
165
|
4-20
|
26
|
69.9
|
20
|
74.4
|
278.3
|
|
涡轮法兰蝶阀设计新颖、合理,结构优良,启闭迅速;双向密封性能优良,扭矩值小,零件加工性能优越。适用于食品、医药、化工、石油、电力、轻纺、造纸等给排水、气体管道上作调节流量和截流介质的作用。

·涡轮法兰蝶阀质保体系:
有了您的信任与支持,我们提供值得信赖的Ruihao品牌产品,我们支持一系列的系统技术参数、技术指导、文件支持,实行质量跟踪、客户档案、售后保障。
·涡轮法兰蝶阀产品标准:
我们的产品按相关标准验收,产品质量实行"售后跟踪"服务;随货提供"铭牌""质量证明""质保卡",产品并带有"说明书""检验报告"等相关说明。
·涡轮法兰蝶阀解决方案:
瑞濠公司为工业系统和水力提供的整体方案,我们专注产品质量,把握每一个产品细节全程控制; 不仅为用户解决需求,还保障了控制系统运行可靠性,减少系统的故障及维护,不懈努力的为用户提供高品质、高性能的产品。
·涡轮法兰蝶阀售后保障:
瑞濠公司实行完善的用户档案和全程服务制度,每个用户都进行全程免费技术咨询、安装指导、跟踪服务以及相关咨询服务。
瑞濠公司的阀门产品实行"三包"服务,货物到现场提供相应技术指导支持; 质保期实行12个月到24个月不等。
·涡轮法兰蝶阀订购说明:
1.阀门产品:如有指定型号标准,请直播销售热线咨询价格,了解详情!
2.技术支持:如没有指定产品型号规格,请把工况要求、设计图纸、技术规范,发送传真或邮件至本公司。
3.产品订货参数:通径(DN),公称压力(Mpa),温度(℃),连接方式(螺纹、法兰、对夹等)。
4.产品驱动方式:手动、蜗轮、气动、电动等。
5.产品标准:国标GB、日标JIS、美标ANSI、德标DIN、英标BS、欧标EN等。
6.报价确认:本公司提供报价清单及技术标准说明至客户确认,在双方技术各方面确认后再拟定合同。
7.阀门质量要求、质量标准、供方对质量负责的条件:按有关质量标准。