【法兰式蝶阀】瑞濠品牌.质量保证,瑞濠阀业全方面介绍D342X双偏心法兰式蝶阀相关标准、选型、作用、结构图、规格型号;外形尺寸、工作原理、产品说明书、安装维护及产品示意图;为广大用户提供高品质、高性能、高标准、高寿命、价格优惠的法兰式蝶阀。
|
法兰式蝶阀产品简述:
|
|
双偏心法兰式蝶阀结构简单、体积小、重量轻。且只需旋转90°即可快速启闭,操作简单,同时该蝶阀具有良好的流体控制特性。法兰蝶阀处于开启位置时,蝶板厚度是介质流经阀体时的阻力,因此通过该阀门所产生的压力降很小,故具有较好的流量控制特性。
|
|
|
|
法兰式蝶阀产品特点:
|
1、法兰式蝶阀设计合理、结构紧凑、装拆容易、便于维修。
2、法兰蝶阀采用偏心结构,减少密封圈的摩擦,延长使用寿命
3、蝶阀阀板密封圈采用"T"型结构,密封副呈线性密封
4、密封,泄漏为零
5、更换阀板密封圈、"O"形圈、阀板、转轴等零部件材质,可适用于多种介质和不同温度
|
|
|
|
法兰式蝶阀产品应用:
|
|
二偏心法兰式蝶阀结构紧凑,90°回转开关轻松,密封可靠,使用寿命长,被广泛用于水厂、电厂、钢厂、造纸、化工、饮食等系统供排水中,作为调节和截止使用。
|
|
|
|
法兰式蝶阀结构图:
|

|
|
|
|
法兰式蝶阀产品参数:
|
|
公称压力
|
PN 1.0/1.6Mpa
|
|
适用温度
|
≤120℃
|
|
适用介质
|
水、空气、食品、油品
|
|
主要零部件
|
阀体、阀瓣、阀杆、阀座、转轴
|
|
主要材料
|
球墨铸铁
|
|
|
|
|
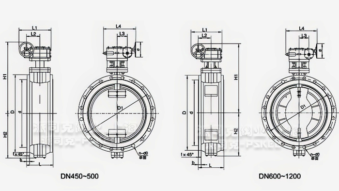
法兰式蝶阀外形尺寸尺寸:
|

|
|
规格size
|
传动装置
|
L
|
D
|
D1
|
d
|
n
|
d0
|
b
|
f
|
H1
|
H2
|
L1
|
L2
|
L3
|
L4
|
Φ
|
重量
|
|
mm
|
Kg
|
|
DN100
|
XJ24
|
127
|
220
|
180
|
156
|
8
|
19
|
19
|
3
|
310
|
109
|
52
|
45
|
158
|
210
|
150
|
19
|
|
DN150
|
XJ24
|
140
|
285
|
240
|
211
|
8
|
23
|
19
|
3
|
440
|
143
|
52
|
45
|
158
|
210
|
150
|
37
|
|
DN200
|
XJ30
|
152
|
340
|
295
|
266
|
8
|
23
|
20
|
3
|
510
|
182
|
77
|
63
|
238
|
315
|
300
|
51
|
|
DN250
|
XJ30
|
165
|
395
|
350
|
319
|
12
|
23
|
22
|
3
|
565
|
219
|
77
|
63
|
238
|
315
|
300
|
68
|
|
DN300
|
4022
|
178
|
445
|
400
|
370
|
12
|
23
|
24.5
|
4
|
630
|
244
|
95
|
72
|
167
|
242
|
300
|
93
|
|
DN350
|
4023
|
190
|
505
|
460
|
429
|
16
|
23
|
24.5
|
4
|
715
|
283
|
110
|
91
|
188
|
275
|
400
|
122
|
|
DN400
|
4023
|
216
|
565
|
515
|
480
|
16
|
28
|
24.5
|
4
|
750
|
312
|
110
|
91
|
188
|
275
|
400
|
152
|
|
DN450
|
4024
|
222
|
615
|
565
|
530
|
20
|
28
|
25.5
|
4
|
820
|
344
|
473
|
147
|
109
|
420
|
400
|
182
|
|
DN500
|
4024
|
229
|
670
|
620
|
582
|
20
|
28
|
26.5
|
4
|
845
|
381
|
473
|
147
|
109
|
420
|
400
|
230
|
|
DN600
|
4025
|
267
|
780/755
|
725/705
|
682/667
|
20
|
31/26
|
30
|
5
|
950
|
451
|
533
|
179
|
138
|
476
|
400
|
388
|
|
DN700
|
4025
|
292
|
895/860
|
840/810
|
794/772
|
24
|
31/26
|
32.5
|
5
|
1010
|
526
|
533
|
179
|
138
|
476
|
400
|
480
|
|
DN800
|
4026
|
318
|
1015/975
|
950/920
|
901/878
|
24
|
34/31
|
35
|
5
|
1140
|
581
|
655
|
217
|
170
|
577
|
500
|
661
|
|
DN900
|
4026
|
330
|
1115/1075
|
1050/1020
|
1001/978
|
28/24
|
34/31
|
37.5
|
5
|
1197
|
643
|
655
|
217
|
170
|
577
|
500
|
813
|
|
DN1000
|
4026
|
410
|
1230/1175
|
1160/1120
|
1112/1078
|
28
|
37/31
|
40
|
5
|
1277
|
722
|
655
|
217
|
170
|
577
|
500
|
1018
|
|
DN1200
|
4027
|
470
|
1455/1405
|
1380/1340
|
1328/1295
|
32
|
40/34
|
45
|
5
|
1511
|
840
|
748
|
262
|
202
|
664
|
500
|
1501
|
|
本蝶阀系偏心法兰式蝶阀,主要适用于水厂、电厂、钢厂冶炼、造纸、化工、水源工程、环境设施建设等系统排水用,偏心法兰蝶阀尤其适用于水道管路上作为调节和节流设备使用。各种非腐蚀性流体介质的管道上,用于调节和截断介质的流动。

·法兰式双偏心蝶阀质保体系:
有了您的信任与支持,我们提供值得信赖的Ruihao品牌产品,我们支持一系列的系统技术参数、技术指导、文件支持,实行质量跟踪、客户档案、售后保障。
·法兰式双偏心蝶阀产品标准:
我们的产品按相关标准验收,产品质量实行"售后跟踪"服务;随货提供"铭牌""质量证明""质保卡",产品并带有"说明书""检验报告"等相关说明。
·法兰式双偏心蝶阀解决方案:
瑞濠公司为工业系统和水力提供的整体方案,我们专注产品质量,把握每一个产品细节全程控制; 不仅为用户解决需求,还保障了控制系统运行可靠性,减少系统的故障及维护,不懈努力的为用户提供高品质、高性能的产品。
·法兰式双偏心蝶阀售后保障:
瑞濠公司实行完善的用户档案和全程服务制度,每个用户都进行全程免费技术咨询、安装指导、跟踪服务以及相关咨询服务。
瑞濠公司的阀门产品实行"三包"服务,货物到现场提供相应技术指导支持; 质保期实行12个月到24个月不等。
·法兰式双偏心蝶阀订购说明:
1.阀门产品:如有指定型号标准,请直播销售热线咨询价格,了解详情!
2.技术支持:如没有指定产品型号规格,请把工况要求、设计图纸、技术规范,发送传真或邮件至本公司。
3.产品订货参数:通径(DN),公称压力(Mpa),温度(℃),连接方式(螺纹、法兰、对夹等)。
4.产品驱动方式:手动、蜗轮、气动、电动等。
5.产品标准:国标GB、日标JIS、美标ANSI、德标DIN、英标BS、欧标EN等。
6.报价确认:本公司提供报价清单及技术标准说明至客户确认,在双方技术各方面确认后再拟定合同。
7.阀门质量要求、质量标准、供方对质量负责的条件:按有关质量标准。