【2PC日标高平台法兰球阀】瑞濠品牌.质量保证,瑞濠阀业全方面介绍2PC日标高平台法兰球阀相关标准、选型、作用、结构图、规格型号;外形尺寸、工作原理、安装维护及产品说明书;为广大用户提供高品质、高性能、高标准、高寿命、价格优惠的系列高平台法兰球阀。
2PC日标高平台法兰球阀产品简述:
日标
高平台球阀采用二片式结构,并有带ISO5211高平台可直接安装气动或电动执行机构,
球阀有着开启扭矩小,外形美观等特点,并且阀杆内部有多道密封环节,产品采用防静电设置。日标高平台法兰球阀本身结构紧凑,密封可靠,结构简单,维修方便,密封面与球面常在闭合状态,不易被介质冲蚀,易于操作和维修,日标球阀适用于水、溶剂、酸和天然气等一般工作介质,而且还适用于工作条件恶劣的介质,如氧气、过氧化氢、甲烷和乙烯等,在各行业得到广泛的应用。
|
2PC日标高平台法兰球阀设计标准:
|
球阀防爆中轴/全流
球阀设计和制造标准按照Design: ASME B16.34,API608;
结构长度按照face toface : JIS B2002;
法兰端尺寸按照End Flange:JIS B2220;
检验和测试按照Test: JIS B2003;
防火设计测试Fire Safe:API607 4th1993;
采用ISO5211直接安装执行器的平台设计
|
|
|
|
2PC日标高平台法兰球阀结构图:
|
|
|
|
|
2PC日标高平台法兰球阀主要材料表:
|
|
NO.
|
PART NAME
|
JIS-10K
|
PN16/40
|
CLASS150/300
|
|
1
|
本体BODY
|
SCS13
|
1.0619
|
CF8M
|
WCB
|
|
2
|
球 BALL
|
SCS13
|
CF8
|
SS316
|
CF8
|
|
3
|
中轴 STEM
|
SS304
|
SS304
|
SS316
|
CF8
|
|
4
|
侧盖 END CAP
|
SCS13
|
1.6019
|
CF8M
|
WCB
|
|
5
|
大薄片 BODY SEAL
|
PTFE
|
PTFE
|
PTFE
|
PTFE
|
|
6
|
球垫 SEAT
|
RTFE
|
RTFE
|
RTFE
|
RTFE
|
|
7
|
小薄片 THRUST WASHER
|
PTFE
|
PTFE
|
PTFE
|
PTFE
|
|
8
|
中口 STEM PACKING
|
PTFE
|
PTFE
|
PTFE
|
PTFE
|
|
9
|
抗磨片 THRUST WASHER
|
RTFE+25%G.F
|
RTFE+25%G.F
|
RTFE+25%G.F
|
RTFE+25%G.F
|
|
10
|
铁圈 GLAND
|
SS304
|
SS304
|
SS304
|
SS304
|
|
11
|
把手 HANDLE
|
SS304
|
SS304
|
SS304
|
SS304
|
|
12
|
胶套 HANDLE COVER
|
PLASTIC
|
PLASTIC
|
PLASTIC
|
PLASTIC
|
|
13
|
下螺帽 STEM NUT
|
SS304
|
SS304
|
SS304
|
SS304
|
|
14
|
方型华司 HANDLE WASHER
|
SS304
|
SS304
|
SS304
|
SS304
|
|
15
|
上螺帽 HANDLE NUT
|
SS304
|
SS304
|
SS304
|
SS304
|
|
16
|
锁片 LOCKING PAD
|
SS304
|
SS304
|
SS304
|
SS304
|
|
17
|
盘型华司 BELLEVILLE WASHER
|
SS304
|
SS304
|
SS304
|
SS304
|
|
18
|
防松花司 STOP WASHER
|
SS304
|
SS304
|
SS304
|
SS304
|
|
19
|
O型圈
|
VITON
|
VITON
|
VITON
|
VITON
|
|
20
|
挡片STOP
|
SS304
|
SS304
|
SS304
|
SS304
|
|
21
|
螺栓 STUD
|
193 Gr.B8
|
193 Gr.B8
|
193 Gr.B8
|
193 Gr.B8
|
|
22
|
螺帽 NUT
|
193 Gr.8
|
193 Gr.8
|
193 Gr.8
|
193 Gr.8
|
|
|
|
|
2PC日标高平台法兰球阀结构图:
|

|
|
|
|
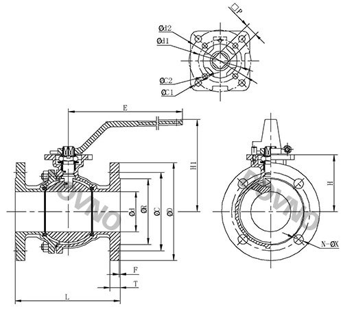
2PC日标高平台法兰球阀外形尺寸表:
|
|
Size
|
K
|
d
|
L
|
R
|
C
|
D
|
H
|
H1
|
E
|
F
|
T
|
□P
|
Ød1
|
Ød2
|
ØC1
|
ØC2
|
N
|
ØX
|
ISO 5211
|
|
1/2"
|
10K
|
15
|
108
|
51
|
70
|
95
|
49
|
76
|
110
|
1
|
12
|
9
|
42
|
36
|
6
|
6
|
4
|
15
|
F03-F04
|
|
3/4"
|
10K
|
20
|
117
|
56
|
75
|
100
|
54
|
81
|
110
|
1
|
14
|
9
|
42
|
36
|
6
|
6
|
4
|
15
|
F03-F04
|
|
1"
|
10K
|
25
|
127
|
67
|
90
|
125
|
60
|
90
|
130
|
1
|
14
|
11
|
50
|
42
|
7
|
6
|
4
|
19
|
F04-F05
|
|
1-1/4"
|
10K
|
32
|
140
|
76
|
100
|
135
|
71
|
102
|
160
|
2
|
16
|
11
|
50
|
42
|
7
|
6
|
4
|
19
|
F04-F05
|
|
1-1/2"
|
10K
|
38
|
165
|
81
|
105
|
140
|
78
|
115
|
185
|
2
|
16
|
14
|
70
|
50
|
9
|
7
|
4
|
19
|
F05-F07
|
|
2"
|
10K
|
50
|
178
|
96
|
120
|
155
|
85
|
122
|
185
|
2
|
16
|
14
|
70
|
50
|
9
|
7
|
4
|
19
|
F05-F07
|
|
2-1/2"
|
10K
|
65
|
190
|
116
|
140
|
175
|
100
|
168
|
305
|
2
|
18
|
17
|
102
|
70
|
11
|
9
|
4
|
19
|
F07-F10
|
|
3"
|
10K
|
78
|
203
|
126
|
150
|
185
|
110
|
178
|
305
|
2
|
18
|
17
|
102
|
70
|
11
|
9
|
8
|
19
|
F07-F10
|
|
4"
|
10K
|
100
|
229
|
151
|
175
|
210
|
130
|
198
|
305
|
2
|
18
|
22
|
102
|
70
|
11
|
9
|
8
|
19
|
F07-F10
|
|
5"
|
10K
|
125
|
356
|
182
|
210
|
250
|
165
|
234
|
500
|
2
|
20
|
27
|
125
|
102
|
14
|
12
|
8
|
23
|
F12-F14
|
|
2PC日标高平台法兰球阀采用两片式分体式结构设计,按ASME B16.34设计标准,结构长度:ASME B16.10,法兰标准ASME B16.5。二片式日标高平台法兰球阀具有防火结构,采用ISO5211直接安装执行器的平台设计;球体与球体之间带防静电装置;阀杆防爆出设计。

·2PC日标高平台法兰球阀质保体系:
有了您的信任与支持,我们提供值得信赖的Ruihao品牌产品,我们支持一系列的系统技术参数、技术指导、文件支持,实行质量跟踪、客户档案、售后保障。
·2PC日标高平台法兰球阀产品标准:
我们的产品按国际及国内相关标准验收,产品实行"全程跟踪"服务;随货提供"铭牌""质量证明""质保卡",产品带有"说明书""检验报告"等相关说明。
·2PC日标高平台法兰球阀解决方案:
瑞濠公司为工业系统和水力提供的整体方案,我们专注产品质量,把握每一个产品细节全程控制; 不仅为用户解决需求,还保障了控制系统运行可靠性,减少系统的故障及维护,不懈努力的为用户提供高品质、高性能的产品。
·2PC日标高平台法兰球阀售后保障:
瑞濠公司实行完善的用户档案和全程服务制度,每个用户都进行全程免费技术咨询、安装指导、跟踪服务以及相关咨询服务。
瑞濠公司的阀门产品实行"三包"服务,货物到现场提供相应技术指导支持; 质保期实行12个月到24个月不等。
·2PC日标高平台法兰球阀订购说明:
1.阀门产品:如有指定型号标准,请直播销售热线咨询价格,了解详情!
2.技术支持:如没有指定产品型号规格,请把工况要求、设计图纸、技术规范,发送传真或邮件至本公司。
3.产品订货参数:通径(DN),公称压力(Mpa),温度(℃),连接方式(螺纹、法兰、对夹等)。
4.产品驱动方式:手动、蜗轮、气动、电动等。
5.产品标准:国标GB、日标JIS、美标ANSI、德标DIN、英标BS、欧标EN等。
6.报价确认:本公司提供报价清单及技术标准说明至客户确认,在双方技术各方面确认后再拟定合同。
7.阀门质量要求、质量标准、供方对质量负责的条件:按有关质量标准。