【二片式美标高平台球阀】瑞濠品牌.质量保证,瑞濠阀业全方面介绍二片式美标高平台球阀相关标准、选型、作用、结构图、规格型号;外形尺寸、工作原理、安装维护及球阀产品说明书;为广大用户提供高品质、高性能、高标准、高寿命、价格优惠的系列二片式美标高平台球阀。
|
二片式美标高平台球阀概述:
|
|
高平台二片式美标球阀采用两片式分体式结构设计,按ASME B16.34,设计标准,美标球阀结构长度:ASME B16.10,法兰标准ASME B16.5。具有防火结构,高平台球阀采用ISO5211直接安装执行器的平台设计;球体与球体之间带防静电装置;阀杆防爆出设计。
|
|
|
|
二片式美标高平台球阀设计标准:
|
APPLECABLE STANDARDS:
防爆中轴/全流Blow-out Proof stem/Full port
设计和制造标准按照Design: ASME B16.34,API608;
结构长度按照face toface : ASME B16.10;
法兰端尺寸按照End Flange:ASME B16.5;
检验和测试按照Test: API598;
防火设计测试Fire Safe:API607;
|
|
|
|
二片式美标高平台球阀结构图:
|

|
|
|
|
二片式美标高平台球阀主要材料表:
|
|
NO.
|
PART NAME
|
PN16/40
|
CLASS150/300
|
|
1
|
本体BODY
|
1.4408
|
1.0619
|
CF8M
|
WCB
|
|
2
|
球 BALL
|
CF8M
|
CF8
|
SS316
|
CF8
|
|
3
|
中轴 STEM
|
SS316
|
SS304
|
SS316
|
CF8
|
|
4
|
侧盖 END CAP
|
1.4408
|
1.6019
|
CF8M
|
WCB
|
|
5
|
大薄片 BODY SEAL
|
PTFE
|
PTFE
|
PTFE
|
PTFE
|
|
6
|
球垫 SEAT
|
RTFE
|
RTFE
|
RTFE
|
RTFE
|
|
7
|
小薄片 THRUST WASHER
|
PTFE
|
PTFE
|
PTFE
|
PTFE
|
|
8
|
中口 STEM PACKING
|
PTFE
|
PTFE
|
PTFE
|
PTFE
|
|
9
|
抗磨片 THRUST WASHER
|
RTFE+25%G.F
|
RTFE+25%G.F
|
RTFE+25%G.F
|
RTFE+25%G.F
|
|
10
|
铁圈 GLAND
|
SS304
|
SS304
|
SS304
|
SS304
|
|
11
|
把手 HANDLE
|
SS304
|
SS304
|
SS304
|
SS304
|
|
12
|
胶套 HANDLE COVER
|
PLASTIC
|
PLASTIC
|
PLASTIC
|
PLASTIC
|
|
13
|
下螺帽 STEM NUT
|
SS304
|
SS304
|
SS304
|
SS304
|
|
14
|
方型华司 HANDLE WASHER
|
SS304
|
SS304
|
SS304
|
SS304
|
|
15
|
上螺帽 HANDLE NUT
|
SS304
|
SS304
|
SS304
|
SS304
|
|
16
|
锁片 LOCKING PAD
|
SS304
|
SS304
|
SS304
|
SS304
|
|
17
|
盘型华司 BELLEVILLE WASHER
|
SS304
|
SS304
|
SS304
|
SS304
|
|
18
|
防松花司 STOP WASHER
|
SS304
|
SS304
|
SS304
|
SS304
|
|
19
|
O型圈
|
VITON
|
VITON
|
VITON
|
VITON
|
|
20
|
挡片STOP
|
SS304
|
SS304
|
SS304
|
SS304
|
|
21
|
螺栓 STUD
|
193 Gr.B8
|
193 Gr.B8
|
193 Gr.B8
|
193 Gr.B8
|
|
22
|
螺帽 NUT
|
193 Gr.8
|
193 Gr.8
|
193 Gr.8
|
193 Gr.8
|
|
|
|
|
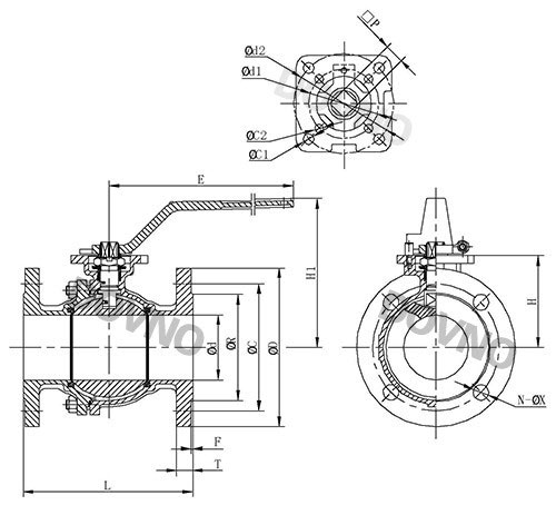
二片式美标高平台球阀外形尺寸图:
|

|
|
二片式美标高平台球阀外形尺寸表:
|
|
单位:mm
|
|
Size
|
LBS
|
d
|
L
|
R
|
C
|
D
|
H
|
H1
|
E
|
F
|
T
|
□P
|
Ød1
|
Ød2
|
ØC1
|
ØC2
|
N
|
ØX
|
ISO 5211
|
|
1/2"
|
300
|
15
|
140
|
34.5
|
66.7
|
95
|
49
|
76
|
110
|
2
|
14.3
|
9
|
42
|
36
|
6
|
6
|
4
|
16
|
F03-F04
|
|
3/4"
|
300
|
20
|
152
|
42.9
|
82.6
|
115
|
54
|
81
|
110
|
2
|
15.9
|
9
|
42
|
36
|
6
|
6
|
4
|
19
|
F03-F04
|
|
1"
|
300
|
25
|
165
|
50.8
|
88.9
|
125
|
60
|
90
|
130
|
2
|
17.5
|
11
|
50
|
42
|
7
|
6
|
4
|
19
|
F04-F05
|
|
1-1/4"
|
300
|
32
|
178
|
63.5
|
98.4
|
135
|
71
|
102
|
160
|
2
|
19.1
|
11
|
50
|
42
|
7
|
6
|
4
|
19
|
F04-F05
|
|
1-1/2"
|
300
|
38
|
190
|
73
|
114.3
|
155
|
78
|
115
|
185
|
2
|
20.7
|
14
|
70
|
50
|
9
|
7
|
4
|
23
|
F05-F07
|
|
2"
|
300
|
50
|
216
|
92.1
|
127
|
165
|
85
|
122
|
185
|
2
|
22.3
|
14
|
70
|
50
|
9
|
7
|
8
|
19
|
F05-F07
|
|
2-1/2"
|
300
|
65
|
241
|
104.8
|
149.2
|
190
|
100
|
168
|
305
|
2
|
25.4
|
17
|
102
|
70
|
11
|
9
|
8
|
23
|
F07-F10
|
|
3"
|
300
|
78
|
282
|
127
|
168.3
|
210
|
110
|
178
|
305
|
2
|
28.6
|
17
|
102
|
70
|
11
|
9
|
8
|
23
|
F07-F10
|
|
4"
|
300
|
100
|
305
|
157.2
|
200
|
255
|
130
|
198
|
305
|
2
|
31.8
|
22
|
102
|
70
|
11
|
9
|
8
|
23
|
F07-F10
|
|
5"
|
300
|
125
|
400
|
185.7
|
235
|
280
|
165
|
234
|
500
|
2
|
35
|
27
|
125
|
102
|
14
|
12
|
8
|
23
|
F12-F14
|
|
二片式美标高平台球阀采用两片式分体式结构设计,按ASME B16.34,设计标准,结构长度:ASME B16.10,法兰标准ASME B16.5。二片式美标高平台球阀具有防火结构,采用ISO5211直接安装执行器的平台设计;球体与球体之间带防静电装置;阀杆防爆出设计。
·二片式美标高平台球阀质保体系:
有了您的信任与支持,我们提供值得信赖的Ruihao品牌产品,我们支持一系列的系统技术参数、技术指导、文件支持,实行质量跟踪、客户档案、售后保障。
·二片式美标高平台球阀产品标准:
我们的产品按国际及国内相关标准验收,产品实行"全程跟踪"服务;随货提供"铭牌""质量证明""质保卡",产品带有"说明书""检验报告"等相关说明。
·二片式美标高平台球阀解决方案:
瑞濠公司为工业系统和水力提供的整体方案,我们专注产品质量,把握每一个产品细节全程控制; 不仅为用户解决需求,还保障了控制系统运行可靠性,减少系统的故障及维护,不懈努力的为用户提供高品质、高性能的产品。
·二片式美标高平台球阀售后保障:
瑞濠公司实行完善的用户档案和全程服务制度,每个用户都进行全程免费技术咨询、安装指导、跟踪服务以及相关咨询服务。
瑞濠公司的阀门产品实行"三包"服务,货物到现场提供相应技术指导支持; 质保期实行12个月到24个月不等。
·二片式美标高平台球阀订购说明:
1.阀门产品:如有指定型号标准,请直播销售热线咨询价格,了解详情!
2.技术支持:如没有指定产品型号规格,请把工况要求、设计图纸、技术规范,发送传真或邮件至本公司。
3.产品订货参数:通径(DN),公称压力(Mpa),温度(℃),连接方式(螺纹、法兰、对夹等)。
4.产品驱动方式:手动、蜗轮、气动、电动等。
5.产品标准:国标GB、日标JIS、美标ANSI、德标DIN、英标BS、欧标EN等。
6.报价确认:本公司提供报价清单及技术标准说明至客户确认,在双方技术各方面确认后再拟定合同。
7.阀门质量要求、质量标准、供方对质量负责的条件:按有关质量标准。