【三片式美标球阀】瑞濠品牌.质量保证,瑞濠阀业全方面介绍三片式美标球阀相关标准、选型、作用、结构图、规格型号;外形尺寸、工作原理、安装维护及球阀产品说明书;为广大用户提供高品质、高性能、高标准、高寿命、价格优惠的系列美标球阀。
|
三片式美标球阀概述:
|
|
三片式美标球阀适用于空气、蒸汽、水、气体、石油和石化产品、腐蚀性介质等,广泛用于石油、化工、冶金、轻工、造纸、电站、制冷等工作领域。三片式美标球阀凑、外形精美、智能控制、品质优良、使用方便等诸多特点。三片式法兰球阀为密封性能优良,流通能力大,流阻系数小,结构简单、维修简单、使用寿命长。三片式美标球阀通常应用密封要求严格场合,除控制气体、液体、蒸汽介质外,还适宜控制污水和含有纤维性杂质的介质。
|
|
|
|
三片式美标球阀特点:
|
3PC美标法兰球阀单阀座设计,消除了阀门中腔介质因异常升压而影响使用的问题;三片式美标球阀低扭矩设计,结构设计的阀杆,只需配一个小手把阀门就能轻松启闭;启闭无摩擦,这一功能解决了传统阀门因密封面之间相互摩擦而影响密封的问题。
三片式结构,对装在管道上的阀门可直接在线检查与维修,能有效减少装置停车,降低成本; 3PC美标法兰球阀楔形密封结构,阀门是靠阀杆提供的机械力,将球楔压到阀座上而密封,使阀门的密封性不受管线压差变化的影响,在各种工况下密封性能都有可靠保证。
|
|
|
|
三片式美标球阀结构图:
|

|
|
|
|
三片式美标球阀主要件材料表:
|
|
零件名称PART NAME
|
材质MATERIAL
|
|
阀体BODY
|
SS304/SS316
|
|
球体 BALL
|
SS304/SS316
|
|
螺母GLAND NUT
|
SS304/SS316
|
|
螺栓BOLT
|
SS304/3SS16
|
|
密封线JOINT GASKET
|
PTFE
|
|
密封圈JOINT RING
|
PTFE
|
|
止推垫STOP RING
|
PTFE
|
|
阀杆STEM
|
SS304/SS316
|
|
填料STEM PACKING
|
PTFE
|
|
定位片STOP
|
304/SS316
|
|
锁片 LOCKPAD
|
SS304
|
|
压盖GLAND
|
CF8/CF8M
|
|
卡簧SNAP RING
|
3SS04/SS316
|
|
手柄HANDLE
|
CF8/CF8M
|
|
压盖螺栓GLAND BOLT
|
SS304/SS316
|
|
|
|
|
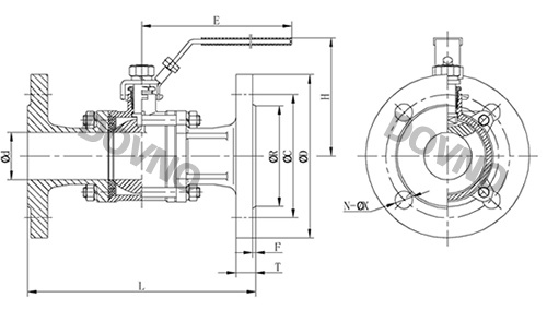
三片式美标球阀主要外形尺寸图:
|

|
|
|
|
三片式美标球阀主要外形尺寸表:
|
|
单位:mm
|
|
Size
|
LBS
|
d
|
L
|
R
|
C
|
D
|
H
|
E
|
F
|
T
|
N
|
ØX
|
|
1/2"
|
300
|
15
|
140
|
34.5
|
66.7
|
95
|
77
|
160
|
2
|
14.3
|
4
|
16
|
|
3/4"
|
300
|
20
|
152
|
42.9
|
82.6
|
115
|
90
|
160
|
2
|
15.9
|
4
|
19
|
|
1"
|
300
|
25
|
165
|
50.8
|
88.9
|
125
|
92
|
180
|
2
|
17.5
|
4
|
19
|
|
1-1/4"
|
300
|
32
|
178
|
63.5
|
98.4
|
135
|
105
|
200
|
2
|
19.1
|
4
|
19
|
|
1-1/2"
|
300
|
38
|
190
|
73
|
114.3
|
155
|
111
|
220
|
2
|
20.7
|
4
|
23
|
|
2"
|
300
|
50
|
216
|
92.1
|
127
|
165
|
120
|
220
|
2
|
22.3
|
8
|
19
|
|
2-1/2"
|
300
|
65
|
241
|
104.8
|
149.2
|
190
|
145
|
280
|
2
|
25.4
|
8
|
23
|
|
3"
|
300
|
78
|
282
|
127
|
168.3
|
210
|
155
|
280
|
2
|
28.6
|
8
|
23
|
|
4"
|
300
|
100
|
305
|
157.2
|
200
|
255
|
168
|
300
|
2
|
31.8
|
8
|
23
|
|
三片式美标球阀单阀座设计,消除了阀门中腔介质因异常升压而影响使用的问题;三片式美标球阀低扭矩设计,结构设计的阀杆,只需配一个小手把阀门就能轻松启闭;启闭无摩擦,这一功能解决了传统阀门因密封面之间相互摩擦而影响密封的问题。

·三片式美标球阀质保体系:
有了您的信任与支持,我们提供值得信赖的Ruihao品牌产品,我们支持一系列的系统技术参数、技术指导、文件支持,实行质量跟踪、客户档案、售后保障。
·三片式美标球阀产品标准:
我们的产品按国际及国内相关标准验收,产品实行"全程跟踪"服务;随货提供"铭牌""质量证明""质保卡",产品带有"说明书""检验报告"等相关说明。
·三片式美标球阀解决方案:
瑞濠公司为工业系统和水力提供的整体方案,我们专注产品质量,把握每一个产品细节全程控制; 不仅为用户解决需求,还保障了控制系统运行可靠性,减少系统的故障及维护,不懈努力的为用户提供高品质、高性能的产品。
·三片式美标球阀售后保障:
瑞濠公司实行完善的用户档案和全程服务制度,每个用户都进行全程免费技术咨询、安装指导、跟踪服务以及相关咨询服务。
瑞濠公司的阀门产品实行"三包"服务,货物到现场提供相应技术指导支持; 质保期实行12个月到24个月不等。
·三片式美标球阀订购说明:
1.阀门产品:如有指定型号标准,请直播销售热线咨询价格,了解详情!
2.技术支持:如没有指定产品型号规格,请把工况要求、设计图纸、技术规范,发送传真或邮件至本公司。
3.产品订货参数:通径(DN),公称压力(Mpa),温度(℃),连接方式(螺纹、法兰、对夹等)。
4.产品驱动方式:手动、蜗轮、气动、电动等。
5.产品标准:国标GB、日标JIS、美标ANSI、德标DIN、英标BS、欧标EN等。
6.报价确认:本公司提供报价清单及技术标准说明至客户确认,在双方技术各方面确认后再拟定合同。
7.阀门质量要求、质量标准、供方对质量负责的条件:按有关质量标准。