

| 球阀 |
| 闸阀 |
| 蝶阀 |
| 截止阀 |
| 止回阀 |
| 排气阀 |
| 过滤器 |
| 电磁阀 |
| 旋塞阀 |
| 平衡阀 |
| 减压阀 |
| 调节阀 |
| 角座阀 |
| 针型阀 |
| 疏水阀 |
| 管夹阀 |
| 隔膜阀 |
| 阻火器 |
| 呼吸阀 |
| 排泥阀 |
| 液压阀 |
| 放料阀 |
| 柱塞阀 |
| 低温阀门 |
| 衬氟阀门 |
| 塑料阀门 |
| 刀型闸阀 |
| 陶瓷阀门 |
| 黄铜阀门 |
| 水力控制阀 |
| 电动气动阀门 |
| 特材阀门 |
| 进入更多阀门系列 |

| 产品品牌 | Ruihao |
| 产品型号 | PSK-2041QF- |
| 产品口径 | 1/2-10寸 |
| 产品压力 | 150LB/300LB |
| 产品材质 | WCB,CF8,CF8M |
| 产品应用 | 石油、化工、电力 |
| 产品特点 | ●瑞濠阀门,Ruihao工业品质。 ●质量保证,交货快捷,售后完善。 ●产品三包:包修、包换、包退。 ●(Ruihao)Pipeline Safety Keeper。 ●Ruihao工业品牌阀门,管道的安全管理员。 ●销售热线:+8613676550726、31007662。 |
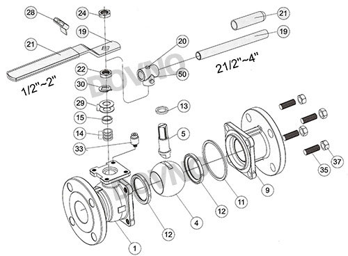
| 2PC美标法兰球阀概述: | ||||||||||||||||||||||||||||||||||||||||||||||||||||||||||||||||||||||||||||||||||||||||||||||||||||||||||||||||||||||||||||||||||||||||||||||||||||||||||||||||||||||||||||||||||||
| 2PC美标法兰球阀采用两片式分体式结构设计,按ASME B16.34设计标准,球阀结构长度:ASME B16.10,法兰标准ASME B16.5。2PC美标法兰球阀具有防火结构,采用ISO5211直接安装执行器的平台设计;球体与球体之间带防静电装置;阀杆防爆出设计;有双层阀杆填料符合阀杆泄露测试要求;双碟形弹片自动压紧填料设计。 | ||||||||||||||||||||||||||||||||||||||||||||||||||||||||||||||||||||||||||||||||||||||||||||||||||||||||||||||||||||||||||||||||||||||||||||||||||||||||||||||||||||||||||||||||||||
| 2PC美标法兰球阀设计标准: | ||||||||||||||||||||||||||||||||||||||||||||||||||||||||||||||||||||||||||||||||||||||||||||||||||||||||||||||||||||||||||||||||||||||||||||||||||||||||||||||||||||||||||||||||||||
|
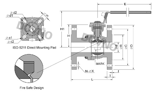
APPLECABLE STANDARDS: 防爆中轴/全流Blow-out Proof stem/Full port 设计和制造标准按照Design: ASME B16.34,API608; 结构长度按照face toface : ASME B16.10; 法兰端尺寸按照End Flange:ASME B16.5; 检验和测试按照Test: API598; 防火设计测试Fire Safe:API607; |
||||||||||||||||||||||||||||||||||||||||||||||||||||||||||||||||||||||||||||||||||||||||||||||||||||||||||||||||||||||||||||||||||||||||||||||||||||||||||||||||||||||||||||||||||||
| 2PC美标法兰球阀结构图: | ||||||||||||||||||||||||||||||||||||||||||||||||||||||||||||||||||||||||||||||||||||||||||||||||||||||||||||||||||||||||||||||||||||||||||||||||||||||||||||||||||||||||||||||||||||
![]() |
||||||||||||||||||||||||||||||||||||||||||||||||||||||||||||||||||||||||||||||||||||||||||||||||||||||||||||||||||||||||||||||||||||||||||||||||||||||||||||||||||||||||||||||||||||
| 2PC美标法兰球阀主要材料表 | ||||||||||||||||||||||||||||||||||||||||||||||||||||||||||||||||||||||||||||||||||||||||||||||||||||||||||||||||||||||||||||||||||||||||||||||||||||||||||||||||||||||||||||||||||||
|
||||||||||||||||||||||||||||||||||||||||||||||||||||||||||||||||||||||||||||||||||||||||||||||||||||||||||||||||||||||||||||||||||||||||||||||||||||||||||||||||||||||||||||||||||||
| 2PC美标法兰球阀外形尺寸图: | ||||||||||||||||||||||||||||||||||||||||||||||||||||||||||||||||||||||||||||||||||||||||||||||||||||||||||||||||||||||||||||||||||||||||||||||||||||||||||||||||||||||||||||||||||||
![]() |
||||||||||||||||||||||||||||||||||||||||||||||||||||||||||||||||||||||||||||||||||||||||||||||||||||||||||||||||||||||||||||||||||||||||||||||||||||||||||||||||||||||||||||||||||||
| 2PC美标法兰球阀外形150LB尺寸表: | ||||||||||||||||||||||||||||||||||||||||||||||||||||||||||||||||||||||||||||||||||||||||||||||||||||||||||||||||||||||||||||||||||||||||||||||||||||||||||||||||||||||||||||||||||||
|
||||||||||||||||||||||||||||||||||||||||||||||||||||||||||||||||||||||||||||||||||||||||||||||||||||||||||||||||||||||||||||||||||||||||||||||||||||||||||||||||||||||||||||||||||||