温州瑞濠阀业有限公司
网站导航    |    
Ruihao品牌电话
  • 瑞濠阀业-管道的安全管理员!
  • 您当前的位置:温州瑞濠阀业有限公司 > 球阀 > 保温球阀 > 夹套保温球阀
    产品列表
    球阀
    闸阀
    蝶阀
    截止阀
    止回阀
    排气阀
    过滤器
    电磁阀
    旋塞阀
    平衡阀
    减压阀
    调节阀
    角座阀
    针型阀
    疏水阀
    管夹阀
    隔膜阀
    阻火器
    呼吸阀
    排泥阀
    液压阀
    放料阀
    柱塞阀
    低温阀门
    衬氟阀门
    塑料阀门
    刀型闸阀
    陶瓷阀门
    黄铜阀门
    水力控制阀
    电动气动阀门
    特材阀门
    进入更多阀门系列
    联系我们
    销售热线:+8613676550726
    销售热线:+8618815167607
    产品详细
    夹套保温球阀
    产品品牌Ruihao
    产品型号BQ41F
    产品口径DN15-DN200
    产品压力1.6-2.5Mpa
    产品材质碳钢,不锈钢
    产品应用石油、化工、冶金
    产品特点 ●瑞濠阀门,Ruihao工业品质。
    ●质量保证,交货快捷,售后完善。
    ●产品三包:包修、包换、包退。
    ●(Ruihao)Pipeline Safety Keeper。
    ●Ruihao工业品牌阀门,管道的安全管理员。
    ●销售热线:+8613676550726、31007662。
    【夹套保温球阀】瑞濠品牌.质量保证,瑞濠阀业全方面介绍夹套保温球阀相关标准、选型、作用、结构图、规格型号、外形尺寸、工作原理、安装维护及产品说明书;为广大用户提供高品质、高性能、高标准、高寿命、价格优惠的夹套保温球阀。

    夹套保温球阀产品简述:
    保温球阀也称夹套保温球阀,是在球阀的基础上焊装金属夹套,用于注入蒸汽或其它保温、保冷介质,确保球阀内介质能够正常工作。保温球阀具有良好的保温保冷特性,且阀门的通径与管径一致,同时又能有效降低管路中介质热量损失。球阀主体材料:WCB、CF8、CF8M、CF3、CF3M。

    夹套保温球阀结构特点:

    保温夹套球阀采用整体式夹套结构设计,更能均匀地保温、保冷,保温球阀比一般球阀体积更小,重量更轻,且无外漏,密封性能良好,夹套采用碳素钢管焊接比铸造的更加耐压牢固。 夹套、阀体外侧与夹套接管焊接,允许蒸汽或冷水的压力为1MPa。
    夹套保温球阀具有良好的保温、保冷特性,除缩径保温球阀外,阀门的通径和管径一至,介质呈直线流动,阻力小,能有效降低管路中介质热量的损失,因此,对容易凝固、高粘度的液体介质具有优良的性能。
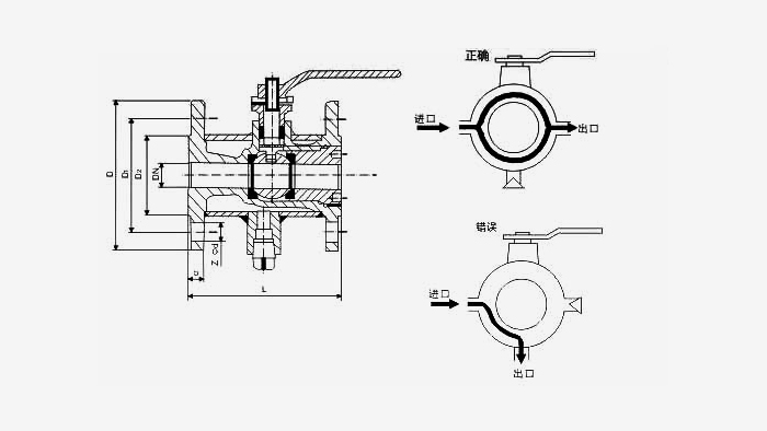
    夹套保温球阀尺寸图
    夹套保温球阀零部件材料
    夹套保温球阀密封材料
    夹套保温球阀外形尺寸表:
    DN(mm) 尺寸(mm) 配应法兰
    L D D1 D2 b Z-Φd
    15 108 115 85 65 14 4-14 25
    20 117 135 100 78 16 4-18 32
    25 127 145 110 85 16 4-18 40
    32 140 160 125 100 16 4-18 50
    40 165 180 145 120 18 8-18 65
    50 178 195 160 135 19 8-18 80
    65 203 215 180 155 20 8-18 100
    80 229 245 210 185 21 8-18 125
    100 254 280 240 210 23 8-23 150
    125 267 335 292 265 25 8-23 200
    150 292 405 325 320 28 12-25 250
    200 330 160 410 375 30 12-25 300

    夹套保温球阀产品说明:
    该球阀由于采用了蒸汽夹套保温,故即使外界温度降到零度以下,此阀仍操作灵活,保证输油管首能启能闭。其优点是其它控制阀所没有的,是重油输送管道理想的控制阀门。
    保温球阀夹套连接方式:
    可选择内螺纹连接:DN15-DN20-G3/8,DN25-DN150-G1/2, DN200以上-G3/4
    可选择法兰连接:DN15-DN50为DN15法兰,DN65-DN150为DN20法兰,DN200以上为DN25法兰

    夹套保温球阀应用范围:
    保温球阀根据结构不同,有整体式、二片式、对夹式保温球阀等几种结构形式,广泛适用于化工、石油、制药、冶金等行业的系统管路中。以输送常温下会凝固的重油、胶类等高粘度介质。
    瑞濠首页 关于我们 使用场景 产品中心 解决方案 技术中心 客服中心

    Copyright 2026 温州瑞濠阀业有限公司 All Rights Reserved.  网址:https://www.ruihao-valve.com/

    电话:+8613676550726  

    邮箱:sales@ruihao-valve.com

    地址:浙江省温州市龙湾区沙城街道永强大道2913-2921号2楼2001室  邮编:325024  

    手机扫描二维码可以浏览瑞濠阀业手机站
    扫描此二维码访问手机站