

| 球阀 |
| 闸阀 |
| 蝶阀 |
| 截止阀 |
| 止回阀 |
| 排气阀 |
| 过滤器 |
| 电磁阀 |
| 旋塞阀 |
| 平衡阀 |
| 减压阀 |
| 调节阀 |
| 角座阀 |
| 针型阀 |
| 疏水阀 |
| 管夹阀 |
| 隔膜阀 |
| 阻火器 |
| 呼吸阀 |
| 排泥阀 |
| 液压阀 |
| 放料阀 |
| 柱塞阀 |
| 低温阀门 |
| 衬氟阀门 |
| 塑料阀门 |
| 刀型闸阀 |
| 陶瓷阀门 |
| 黄铜阀门 |
| 水力控制阀 |
| 电动气动阀门 |
| 特材阀门 |
| 进入更多阀门系列 |

| 产品品牌 | Ruihao |
| 产品型号 | GMY- |
| 产品口径 | DN25-DN100 |
| 产品压力 | 1.0Mpa |
| 产品材质 | 工程塑料 |
| 产品应用 | 工业、水处理、化工 |
| 产品特点 | ●瑞濠阀门,Ruihao工业品质。 ●质量保证,交货快捷,售后完善。 ●产品三包:包修、包换、包退。 ●(Ruihao)Pipeline Safety Keeper。 ●Ruihao工业品牌阀门,管道的安全管理员。 ●销售热线:+8613676550726、31007662。 |

| 规格 | 单位 | A | B |
| 2'' | inches | 7.87 | 5.06 |
| DN50 | mm | 200 | 128.5 |
| 3'' | inches | 12.6 | 8.69 |
| DN80 | mm | 320 | 220.7 |
| 规格 | 单位 | A | B |
| 1'' | inches | 6.30 | 3.43 |
| DN25 | mm | 160.0 | 87.0 |
|
1.5'' |
inches | 8.35 | 5.35 |
| DN40 | mm | 212.0 | 136.0 |
| 2'' | inches | 10.24 | 5.35 |
| DN50 | mm | 260.0 | 136.0 |
| 规格 | 单位 | A | B | C |
| 1.5'' | inches | 12.83 | 5.06 | 7.87 |
| DN40 | mm | 326 | 128.5 | 200.0 |
| 2'' | inches | 13.23 | 5.06 | 7.87 |
| DN50 | mm | 336.0 | 128.5 | 200.0 |
| 2.5'' | inches | 18.50 | 8.69 | 12.60 |
| DN65 | mm | 470.0 | 220.7 | 320.0 |
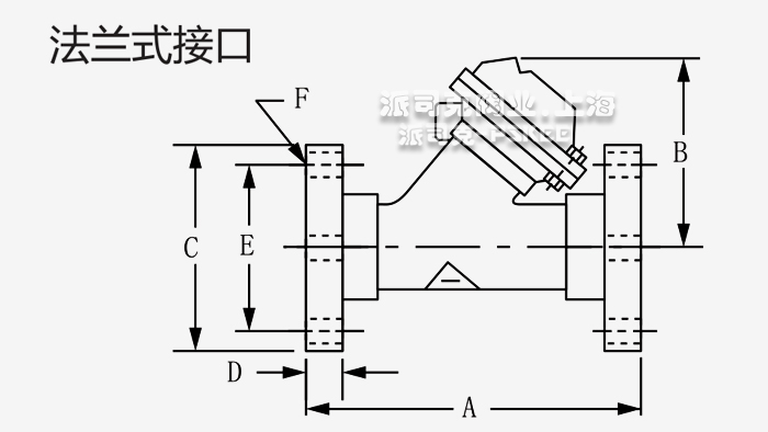
| 规格 | 标准 | 单位 | A | B | C | D | E | F |
| 2.5'' | 德标 |
inches mm |
11 .22 285.0 |
8.69 220.7 |
7.28 185.0 |
0.87 22.0 |
5.71 145.0 |
0.71 18.0 |
| DN65 | 美标 |
inches mm |
11 .22 285.0 |
8.69 220.7 |
7.28 185.0 |
0.87 22.0 |
5.71 145.0 |
0.71 18.0 |
| 3'' | 德标 |
inches mm |
12.52 318.0 |
8.69 220.7 |
7.87 200.0 |
0.87 23.0 |
6.30 160.0 |
0.71 18.0 |
| DN80 | 美标 |
inches mm |
12.52 318.0 |
8.69 220.7 |
7.87 200.0 |
0.87 23.0 |
6.30 160.0 |
0.71 18.0 |
| 4'' | 德标 |
inches mm |
12.20 310.0 |
9.37 238.0 |
8.66 220.0 |
0.91 23 |
7.09 180.0 |
0.71 18 |
| DN100 | 美标 |
inches mm |
12.20 310.0 |
9.37 238.0 |
8.66 220.0 |
0.91 23 |
7.09 180.0 |
0.71 18 |
