

| 球阀 |
| 闸阀 |
| 蝶阀 |
| 截止阀 |
| 止回阀 |
| 排气阀 |
| 过滤器 |
| 电磁阀 |
| 旋塞阀 |
| 平衡阀 |
| 减压阀 |
| 调节阀 |
| 角座阀 |
| 针型阀 |
| 疏水阀 |
| 管夹阀 |
| 隔膜阀 |
| 阻火器 |
| 呼吸阀 |
| 排泥阀 |
| 液压阀 |
| 放料阀 |
| 柱塞阀 |
| 低温阀门 |
| 衬氟阀门 |
| 塑料阀门 |
| 刀型闸阀 |
| 陶瓷阀门 |
| 黄铜阀门 |
| 水力控制阀 |
| 电动气动阀门 |
| 特材阀门 |
| 进入更多阀门系列 |

| 产品品牌 | Ruihao |
| 产品型号 | |
| 产品口径 | G1/4-G1 |
| 产品压力 | 40Mpa |
| 产品材质 | 碳钢 |
| 产品应用 | 液压油,水 |
| 产品特点 | ●瑞濠阀门,Ruihao工业品质。 ●质量保证,交货快捷,售后完善。 ●产品三包:包修、包换、包退。 ●(Ruihao)Pipeline Safety Keeper。 ●Ruihao工业品牌阀门,管道的安全管理员。 ●销售热线:+8613676550726、31007662。 |
STB型节流阀图形符号:

STB型节流阀技术参数:
应用材料/MATERIAL EMPLOYED
阀体/BODY:钢/Steel
阀芯/VALVES:强化硬质钢/Hardened Steel
密封/SEALS:丁腈胶/NBR
适用工作环境/OPERATIONAL RANGE
安装/MOUNTING
按需/as prefered
温度/TEMPERATURES
理想工作温度:+40℃~+70℃/Ideal operating range between +40℃and+70℃
工作温度不可超过:+90℃/Max operating temperature +90℃
环境温度:-20℃~+60℃/ Min/Max environment temps -20℃ and +60℃
STB型节流阀型号说明:

① 材料/Material:SS:不锈钢/Stainless steel?????空白:碳钢/Carbon steel
② 节流阀系列代号/Bidirectional flow control valves series code:STB型/STB type
③ 连接螺纹尺寸/connection thread dimension:BBSP、NPT、UNF
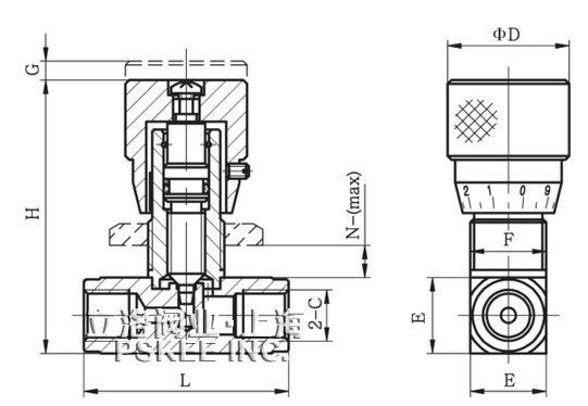
| 型号Model | C | L | H | D | E | F* | G | N |
| STB04 | G1/4 NPTG1/4 | 54 | 70 | 32 | 20 | M20*1 | 5 | 7 |
| STB06 | G3/8 NPT G3/8 | 62 | 80 | 32 | 25 | M20*1.5 | 9 | 7 |
| STB08 | G1/2 NPT G1/2 | 73 | 92 | 45 | 30 | M30*1.5 | 9 | 9 |
| STB12 | G3/4 NPT G3/4 | 84 | 100 | 45 | 40 | M35*1.5 | 10 | 11 |
| STB16 | G1 NPT G1 | 102 | 122 | 45 | 45 | M40*1.5 | 12 | 15 |
| 型号 | STB04 | STB06 | STB08 | STB12 | STB16 |
| 压力(Mpa) | 40 | 40 | 40 | 40 | 32 |
| 流量 | 12 | 30 | 50 | 85 | 150 |