【AQF型蓄能器安全球阀】瑞濠品牌一体化解决方案,瑞濠阀业全方面介绍【AQF型蓄能器安全球阀】相关标准、选型、作用、结构图、规格型号;外形尺寸、工作原理、安装维护及液压高压球阀产品说明书;为广大用户提供高品质、高性能、高标准、高寿命、价格优惠的系列液压阀。
AQF型蓄能器安全球阀产品简述:
AQF型安全球阀主要用于液压一囊式蓄能器作为安全断流和卸荷的蓄能器附件,装接于蓄能器和液压系统之间,安全阀可保持系统中的压力调定值,当压力大过调定值时,安全阀开启,防止系统过载。AQF型安全球阀是装于封闭系统中的蓄能器更不可缺少,以防止外负荷的突然加压所造成系统的危害。本型安全球阀主要有三种连接式:直通式、直角式、和三通式螺纹连接。 本型安全球阀具有结构紧凑、性能可靠、体积小、安装简单、操作方便等特点。
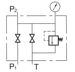
图形符号:
AQF型蓄能器安全球阀型号说明:
① 产品代号:AQF-安全球阀
② 进油口:L-直通式、LS-直角式、LW-三通式
③ 公称通径:25、32、40mm
④ 压力等级:H1-10MPa、H2-21MPa、H3-32MPa
⑤ 结构形式:A-先导式溢流阀、B-直动式溢流阀
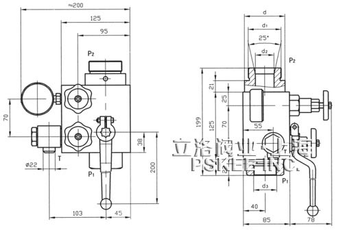
AQF型蓄能器安全球阀外形尺寸:
|
型号
|
d
|
d1
|
d2
|
d3
|
|
AQF-*25*-A
|
Ф60
|
M42×2
|
Ф28
|
M33×2
|
|
AQF-*32*-A
|
Ф74
|
M60×2
|
Ф34
|
M42×2
|
|
AQF-*40*-A
|
M72×2
|
M48×2
|

·蓄能器安全球阀质保体系:
有了您的信任与支持,我们提供值得信赖的品牌产品,我们支持一系列的系统技术参数、技术指导、文件支持,实行质量跟踪、客户档案、售后保障。
·蓄能器安全球阀产品标准:
我们的产品按相关标准验收,产品质量实行"售后跟踪"服务;随货提供"铭牌""质量证明""质保卡",产品并带有"说明书""检验报告"等相关说明。
·蓄能器安全球阀解决方案:
瑞濠公司为工业系统和水力提供的整体方案,我们专注产品质量,把握每一个产品细节全程控制; 不仅为用户解决需求,还保障了控制系统运行可靠性,减少系统的故障及维护,不懈努力的为用户提供高品质、高性能的产品。
·蓄能器安全球阀售后保障:
瑞濠公司实行完善的用户档案和全程服务制度,每个用户都进行全程免费技术咨询、安装指导、跟踪服务以及相关咨询服务。
瑞濠公司的阀门产品实行"三包"服务,货物到现场提供相应技术指导支持; 质保期实行12个月到24个月不等。
·蓄能器安全球阀订购说明:
1.阀门产品:如有指定型号标准,请直播销售热线咨询价格,了解详情!
2.技术支持:如没有指定产品型号规格,请把工况要求、设计图纸、技术规范,发送传真或邮件至本公司。
3.产品订货参数:通径(DN),公称压力(Mpa),温度(℃),连接方式(螺纹、法兰、对夹等)。
4.产品驱动方式:手动、蜗轮、气动、电动等。
5.产品标准:国标GB、日标JIS、美标ANSI、德标DIN、英标BS、欧标EN等。
6.报价确认:本公司提供报价清单及技术标准说明至客户确认,在双方技术各方面确认后再拟定合同。
7.阀门质量要求、质量标准、供方对质量负责的条件:按有关质量标准。