【AJS,AJD型,蓄能器安全阀组】瑞濠品牌一体化解决方案,瑞濠阀业全方面介绍『AJS,AJD型,蓄能器安全阀组』相关标准、选型、作用、结构图、规格型号;外形尺寸、工作原理、安装维护及产品说明书;为广大用户提供高品质、高性能、高标准、高寿命、价格优惠的系列液压阀。
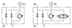
图形符号:
AJS,AJD型,蓄能器安全阀组型号说明:
① 产品代号:AJ型安全阀组
② 卸荷方式:S-标手动、D-叠加常闭式电磁球阀
③ 公称通径:10、20、32
④ 压力等级:H1-16MPa、H2-25MPa、H3-32MPa
⑤ 结构形式:A-直动式溢流阀、B-先导式溢流阀
AJS,AJD型,蓄能器安全阀组外形尺寸表:
|
型号
|
d1
|
d2
|
P1□
|
T□
|
P1□
|
|
AJ*-10*-A
|
M42×2
|
Ф28
|
JB2099接管18
|
JB2099接管14
|
JB2099接管10
|
|
AJ*-20*-A
|
M60×2
|
Ф34
|
JB2099接管28
|
JB2099接管28
|
JB2099接管10
|
|
AJ*-32*-A
|
M72×2
|
Ф34
|
JB2099接管42
|
JB2099接管28
|
JB2099接管10
|

·蓄能器安全阀质保体系:
有了您的信任与支持,我们提供值得信赖的品牌产品,我们支持一系列的系统技术参数、技术指导、文件支持,实行质量跟踪、客户档案、售后保障。
·蓄能器安全阀产品标准:
我们的产品按相关标准验收,产品质量实行"售后跟踪"服务;随货提供"铭牌""质量证明""质保卡",产品并带有"说明书""检验报告"等相关说明。
·蓄能器安全阀解决方案:
瑞濠公司为工业系统和水力提供的整体方案,我们专注产品质量,把握每一个产品细节全程控制; 不仅为用户解决需求,还保障了控制系统运行可靠性,减少系统的故障及维护,不懈努力的为用户提供高品质、高性能的产品。
·蓄能器安全阀售后保障:
瑞濠公司实行完善的用户档案和全程服务制度,每个用户都进行全程免费技术咨询、安装指导、跟踪服务以及相关咨询服务。
瑞濠公司的阀门产品实行"三包"服务,货物到现场提供相应技术指导支持; 质保期实行12个月到24个月不等。
·蓄能器安全阀订购说明:
1.阀门产品:如有指定型号标准,请直播销售热线咨询价格,了解详情!
2.技术支持:如没有指定产品型号规格,请把工况要求、设计图纸、技术规范,发送传真或邮件至本公司。
3.产品订货参数:通径(DN),公称压力(Mpa),温度(℃),连接方式(螺纹、法兰、对夹等)。
4.产品驱动方式:手动、蜗轮、气动、电动等。
5.产品标准:国标GB、日标JIS、美标ANSI、德标DIN、英标BS、欧标EN等。
6.报价确认:本公司提供报价清单及技术标准说明至客户确认,在双方技术各方面确认后再拟定合同。
7.阀门质量要求、质量标准、供方对质量负责的条件:按有关质量标准。