

| 球阀 |
| 闸阀 |
| 蝶阀 |
| 截止阀 |
| 止回阀 |
| 排气阀 |
| 过滤器 |
| 电磁阀 |
| 旋塞阀 |
| 平衡阀 |
| 减压阀 |
| 调节阀 |
| 角座阀 |
| 针型阀 |
| 疏水阀 |
| 管夹阀 |
| 隔膜阀 |
| 阻火器 |
| 呼吸阀 |
| 排泥阀 |
| 液压阀 |
| 放料阀 |
| 柱塞阀 |
| 低温阀门 |
| 衬氟阀门 |
| 塑料阀门 |
| 刀型闸阀 |
| 陶瓷阀门 |
| 黄铜阀门 |
| 水力控制阀 |
| 电动气动阀门 |
| 特材阀门 |
| 进入更多阀门系列 |

| 产品品牌 | Ruihao |
| 产品型号 | |
| 产品口径 | Ф9-Ф48 |
| 产品压力 | 315Bar |
| 产品材质 | 碳钢,不锈钢 |
| 产品应用 | 液压油 |
| 产品特点 | ●瑞濠阀门,Ruihao工业品质。 ●质量保证,交货快捷,售后完善。 ●产品三包:包修、包换、包退。 ●(Ruihao)Pipeline Safety Keeper。 ●Ruihao工业品牌阀门,管道的安全管理员。 ●销售热线:+8613676550726、31007662。 |
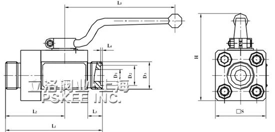
| 型号 | D1 | D2 | D3 | L1 | L2 | L3 | L4 | L5 | H | □S |
| CJZQ-H10L | Ф9 | Ф20 | M27×1.5 | 100 | 62 | 14 | 2 | 105 | 86 | □46 |
| CJZQ-H15L | Ф14 | Ф22 | M30×1.5 | 105 | 64 | 16 | 2 | 147 | 99 | □52 |
| CJZQ-H20L | Ф18 | Ф28 | M36×2 | 121 | 74 | 18 | 2.5 | 185 | 108 | □60 |
| CJZQ-H25L | Ф23 | Ф35 | M42×2 | 135 | 80 | 20 | 2.5 | 185 | 118.5 | □70 |
| CJZQ-H32L | Ф30 | Ф40 | M52×2 | 160 | 96 | 22 | 2.5 | 240 | 137 | □84 |
| CJZQ-H40L | Ф38 | Ф45 | M60×2 | 180 | 106 | 24 | 2.5 | 240 | 148 | □96 |
| CJZQ-H50L | Ф48 | Ф55 | M72×2 | 205 | 105 | 26 | 2.5 | 240 | 172 | □120 |

| 型号 | D1 | D2 | L1 | L2 | L3 | L4 | H1 | H2 | H3 |
| YJZQ-J10N | Ф10 | M18×1.5 | 78 | 14 | 105 | 32 | 16 | 36 | 76 |
| YJZQ-J15N | Ф15 | M22×1.5 | 86 | 16 | 147 | 38 | 19 | 45 | 80 |
| YJZQ-J20N | Ф20 | M27×2 | 108 | 18 | 185 | 48 | 25 | 55 | 101 |
| YJZQ-J25N | Ф25 | M33×2 | 116 | 20 | 185 | 57 | 28.5 | 64 | 111 |
| YJZQ-J32N | Ф32 | M42×2 | 136 | 22 | 240 | 75 | 37.5 | 84 | 134 |
| YJZQ-J40N | Ф40 | M48×2 | 148 | 24 | 240 | 85 | 42.5 | 95 | 165 |
| YJZQ-J50N | Ф50 | M64×2 | 180 | 26 | 240 | 104 | 52 | 112.5 | 180 |
| 型号 | D1 | D2 | D3 | L1 | L2 | L3 | L4 | L5 | H1 | H2 | H3 |
| YJZQ-J10W | Ф10 | Ф20 | M27×1.5 | 94 | 16 | 2 | 105 | 32 | 16 | 36 | 76 |
| YJZQ-J15W | Ф15 | Ф22 | M30×1.5 | 102 | 16 | 2 | 147 | 38 | 19 | 45 | 80 |
| YJZQ-J20W | Ф20 | Ф28 | M36×2 | 124 | 18 | 2.5 | 185 | 48 | 25 | 55 | 101 |
| YJZQ-J25W | Ф25 | Ф35 | M42×2 | 136 | 20 | 2.5 | 185 | 57 | 28.5 | 64 | 111 |
| YJZQ-J32W | Ф32 | Ф40 | M52×2 | 150 | 20 | 2.5 | 240 | 75 | 37.5 | 84 | 134 |
| YJZQ-J40W | Ф40 | Ф50 | M64×2 | 180 | 24 | 2.5 | 240 | 85 | 42.5 | 95 | 165 |
| YJZQ-J50W | Ф50 | Ф60 | M72×2 | 210 | 26 | 2.5 | 240 | 104 | 52 | 112.5 | 180 |