

| 球阀 |
| 闸阀 |
| 蝶阀 |
| 截止阀 |
| 止回阀 |
| 排气阀 |
| 过滤器 |
| 电磁阀 |
| 旋塞阀 |
| 平衡阀 |
| 减压阀 |
| 调节阀 |
| 角座阀 |
| 针型阀 |
| 疏水阀 |
| 管夹阀 |
| 隔膜阀 |
| 阻火器 |
| 呼吸阀 |
| 排泥阀 |
| 液压阀 |
| 放料阀 |
| 柱塞阀 |
| 低温阀门 |
| 衬氟阀门 |
| 塑料阀门 |
| 刀型闸阀 |
| 陶瓷阀门 |
| 黄铜阀门 |
| 水力控制阀 |
| 电动气动阀门 |
| 特材阀门 |
| 进入更多阀门系列 |

| 产品品牌 | Ruihao |
| 产品型号 | |
| 产品口径 | DN15-DN80 |
| 产品压力 | 210/420Bar |
| 产品材质 | 碳钢 |
| 产品应用 | 液压油 |
| 产品特点 | ●瑞濠阀门,Ruihao工业品质。 ●质量保证,交货快捷,售后完善。 ●产品三包:包修、包换、包退。 ●(Ruihao)Pipeline Safety Keeper。 ●Ruihao工业品牌阀门,管道的安全管理员。 ●销售热线:+8613676550726、31007662。 |


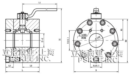
| 型号Model |
PN (Bar) |
DN | d | L | L3 | D | H1 | H2 | A | B | M | t |
| KHSAE210-15 | 210Bar | 15 | 15 | 75 | 33 | 78 | 31 | 83 | 17.5 | 38.1 | M8 | 16 |
| KHSAE210-20 | 210Bar | 20 | 18 | 80 | 35 | 98 | 37 | 100 | 22.2 | 47.6 | M10 | 18 |
| KHSAE210-25 | 210Bar | 25 | 25 | 88 | 38 | 18 | 339.5 | 113 | 26.2 | 52.4 | M10 | 18 |
| KHSAE210-32 | 210Bar | 32 | 30 | 100 | 50 | 145 | 68 | 160 | 30.2 | 58.7 | M12 | 20 |
| KHSAE210-40 | 210Bar | 40 | 38 | 110 | 55 | 165 | 78 | 180 | 35.7 | 69.8 | M12 | 20 |
| KHSAE210-50 | 210Bar | 50 | 48 | 116 | 58 | 198 | 94 | 213 | 42.9 | 77.8 | M12 | 20 |
| KHSAE210-65 | 210Bar | 65 | 60 | 150 | 75 | 198 | 94 | 209 | 50.8 | 88.9 | M12 | 20 |
| 型号Model |
PN (Bar) |
DN | d | L | L3 | D | H1 | H2 | A | B | M | t |
| KHSAE210-15 | 420Bar | 15 | 15 | 75 | 33 | 78 | 31 | 83 | 18.2 | 40.5 | M8 | 16 |
| KHSAE210-20 | 420Bar | 20 | 18 | 80 | 35 | 98 | 37 | 100 | 23.8 | 50.8 | M10 | 18 |
| KHSAE210-25 | 420Bar | 25 | 25 | 88 | 38 | 118 | 39.5 | 113 | 27.8 | 57.2 | M12 | 20 |
| KHSAE210-32 | 420Bar | 32 | 30 | 100 | 50 | 145 | 68 | 160 | 31.8 | 66.7 | M14 | 22 |
| KHSAE210-40 | 420Bar | 40 | 38 | 110 | 55 | 165 | 78 | 180 | 36.5 | 79.4 | M16 | 24 |
| KHSAE210-50 | 420Bar | 50 | 48 | 116 | 58 | 198 | 94 | 213 | 44.5 | 96.8 | M20 | 28 |