

| 球阀 |
| 闸阀 |
| 蝶阀 |
| 截止阀 |
| 止回阀 |
| 排气阀 |
| 过滤器 |
| 电磁阀 |
| 旋塞阀 |
| 平衡阀 |
| 减压阀 |
| 调节阀 |
| 角座阀 |
| 针型阀 |
| 疏水阀 |
| 管夹阀 |
| 隔膜阀 |
| 阻火器 |
| 呼吸阀 |
| 排泥阀 |
| 液压阀 |
| 放料阀 |
| 柱塞阀 |
| 低温阀门 |
| 衬氟阀门 |
| 塑料阀门 |
| 刀型闸阀 |
| 陶瓷阀门 |
| 黄铜阀门 |
| 水力控制阀 |
| 电动气动阀门 |
| 特材阀门 |
| 进入更多阀门系列 |

| 产品品牌 | Ruihao |
| 产品型号 | X44W |
| 产品口径 | DN25-DN300 |
| 产品压力 | 1.0Mpa |
| 产品材质 | 铜,铸铁,铸钢,不锈钢 |
| 产品应用 | 硝酸,水,油品 |
| 产品特点 | ●瑞濠阀门,Ruihao工业品质。 ●质量保证,交货快捷,售后完善。 ●产品三包:包修、包换、包退。 ●(Ruihao)Pipeline Safety Keeper。 ●Ruihao工业品牌阀门,管道的安全管理员。 ●销售热线:+8613676550726、31007662。 |
| 三通法兰旋塞阀产品简述: | |||||||||||||||||||||||||||||||||||||||||||||||||||||||||||||||||||||||||||||||||||||||||||||||||||||||||||||||||||||||||||||||
| 三通旋塞阀通过压紧填料,使塞子和塞体密封面压紧,密封等级较高,旋塞阀大量用于中、低压管路。阀体材质有铸铁、铸钢、不锈钢、铜等可适应不同管路情况。三通法兰旋塞阀的用途是安装在管道上主要作切断、分配和改变介质流动方向用。 | |||||||||||||||||||||||||||||||||||||||||||||||||||||||||||||||||||||||||||||||||||||||||||||||||||||||||||||||||||||||||||||||
| 三通法兰旋塞阀分类用途: | |||||||||||||||||||||||||||||||||||||||||||||||||||||||||||||||||||||||||||||||||||||||||||||||||||||||||||||||||||||||||||||||
| 三通法兰旋塞阀按结构形式可分为紧定式、自封式、注油式旋塞阀。按通道形式分,可分为直通式、三通式和四通旋塞阀式三种;不锈钢三通旋塞阀广泛地应用于油田开采、输送和精练设备中,同时也广泛用于石油化工、化工、煤气、天然气、液化石油气、暖通行业以及一般工业中。 | |||||||||||||||||||||||||||||||||||||||||||||||||||||||||||||||||||||||||||||||||||||||||||||||||||||||||||||||||||||||||||||||
| 三通法兰旋塞阀的产品优点: | |||||||||||||||||||||||||||||||||||||||||||||||||||||||||||||||||||||||||||||||||||||||||||||||||||||||||||||||||||||||||||||||
| 三通旋塞阀用于经常操作,启闭迅速、轻便。 旋塞阀流体阻力小。 结构简单,相对体积小,重量轻,便于维修, 密封性能好 不受安装方向的限制,介质的流向可任意, 无振动,噪声小。 | |||||||||||||||||||||||||||||||||||||||||||||||||||||||||||||||||||||||||||||||||||||||||||||||||||||||||||||||||||||||||||||||
| 根据旋塞阀的结构特点和设计上所能达到的功能,可以按下列原则选用。 | |||||||||||||||||||||||||||||||||||||||||||||||||||||||||||||||||||||||||||||||||||||||||||||||||||||||||||||||||||||||||||||||
|
①三通旋塞阀用于分配介质和改变介质流动方向,其工作温度不高于300℃,公称压力PN≤1.6MPa、公称通径不大于300mm,建议选用多通路旋塞阀。 ②牛奶、果汁、啤酒等食品企业业及制药厂等的设备和管道上,建议选用奥氏体不锈钢制的,紧定式圆锥形旋塞阀。 ③油田开采、天然气田开采、管道输送的支管、精炼和清洁设备中,公称压力级不大于Class300、公称通径不大于300mm,建议选用油封式圆锥形旋塞阀。 ④油田开采、天然气开采、管道输送的支管、精炼和清洁设备中,公称压力级不大于Class1500、公称通径不大于900mm、工作温度不高于340℃,建议选用油封式圆锥形旋塞阀。 ⑤三通旋塞阀在大型化学工业中,含有腐蚀性介质的管道和设备中,要求开启或关闭速度较快的场合,对于以硝酸为基的介质可选用聚四氟乙烯套筒密封圆锥形旋塞阀;对于以醋酸为基的介质,可选用Crl8Nil 2M02Ti不锈钢镶聚四氟乙烯套筒密封圆锥形旋塞阀。 ⑥在煤气、天然气、暖通系统的管道中和设备上,公称通径不大于200nm,宜选用填料式圆锥形旋塞阀。 |
|||||||||||||||||||||||||||||||||||||||||||||||||||||||||||||||||||||||||||||||||||||||||||||||||||||||||||||||||||||||||||||||
|
|||||||||||||||||||||||||||||||||||||||||||||||||||||||||||||||||||||||||||||||||||||||||||||||||||||||||||||||||||||||||||||||
| 三通法兰旋塞阀主要性规范: | |||||||||||||||||||||||||||||||||||||||||||||||||||||||||||||||||||||||||||||||||||||||||||||||||||||||||||||||||||||||||||||||
|
|||||||||||||||||||||||||||||||||||||||||||||||||||||||||||||||||||||||||||||||||||||||||||||||||||||||||||||||||||||||||||||||
|
|||||||||||||||||||||||||||||||||||||||||||||||||||||||||||||||||||||||||||||||||||||||||||||||||||||||||||||||||||||||||||||||
| 三通法兰旋塞阀主要材料表: | |||||||||||||||||||||||||||||||||||||||||||||||||||||||||||||||||||||||||||||||||||||||||||||||||||||||||||||||||||||||||||||||
|
|||||||||||||||||||||||||||||||||||||||||||||||||||||||||||||||||||||||||||||||||||||||||||||||||||||||||||||||||||||||||||||||
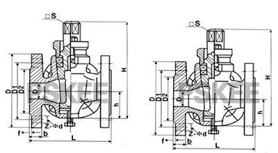
| 三通法兰旋塞阀外形尺寸表: | |||||||||||||||||||||||||||||||||||||||||||||||||||||||||||||||||||||||||||||||||||||||||||||||||||||||||||||||||||||||||||||||
|
|||||||||||||||||||||||||||||||||||||||||||||||||||||||||||||||||||||||||||||||||||||||||||||||||||||||||||||||||||||||||||||||
|
|||||||||||||||||||||||||||||||||||||||||||||||||||||||||||||||||||||||||||||||||||||||||||||||||||||||||||||||||||||||||||||||
| 三通法兰旋塞阀产品应用: | |||||||||||||||||||||||||||||||||||||||||||||||||||||||||||||||||||||||||||||||||||||||||||||||||||||||||||||||||||||||||||||||
| 该三通法兰旋塞阀由阀体、阀盖、卡套、塞子、及其他零部件组成,通过旋转带孔塞子,使塞子孔与阀体孔对齐或错开,用以控制管路。三通旋塞阀适用于公称压力级PN16,工作温度-29-250℃的食品、石油、化工、制药、化肥、电力、贵金属等管路 。 | |||||||||||||||||||||||||||||||||||||||||||||||||||||||||||||||||||||||||||||||||||||||||||||||||||||||||||||||||||||||||||||||