【D643H气动法兰蝶阀】瑞濠品牌.质量保证,瑞濠阀业全方面介绍D643H气动法兰蝶阀相关标准、选型、作用、结构图、规格型号;外形尺寸、工作原理、安装维护及产品说明书;为广大用户提供高品质、高性能、高标准、高寿命、价格优惠的系列气动蝶阀。
|
气动法兰蝶阀产品简述:
|
气动法兰蝶阀是由气动执行器和法兰式蝶阀(软密封或硬密封型),气动执行器的工作速度相对较快,并且不需要工人亲力亲为,在很大程度上节约了人力资源以及时间。气动碟阀特点尤其显著,经过安装定位器、气动元件,也可调节流量介质。流体阻力较小,并且结构简单,体积小,安装轻便。
D643H气动硬密封法兰蝶阀主要由气动执行器和金属硬密封蝶阀组成,再配以不同的附件组合,达到具体的控制要求。该蝶阀则具有耐高低温、高压、允许介质中又微小颗粒、使用寿命长等特点,气动法兰蝶阀被广泛的应用于水利工程、自来水、电力循环水、石油、化工等工业管道上作截断、调节流量和截断流体使用。
|
|
|
气动法兰蝶阀产品概述:
|
|
软密封气动法兰蝶阀设计好,开关扭矩小,密封性能强,产品绿色环保并且具有很好的耐酸碱、耐腐蚀性能。蝶阀具有抗冲刷、不结疤、重量轻、好维护、寿命长的优势,动法兰蝶阀的蝶板安装于管道的直径方向。在蝶阀阀体圆柱形通道内,圆盘形蝶板绕着轴线旋转,旋转角度为0°~90°之间,旋转到90°时,蝶阀则为全开状态。
|
|
|
|
气动法兰蝶阀产品特点:
|
气动法兰蝶阀使用寿命长、无泄漏、节能型蝶阀,气动蝶阀产品采用三偏心原理设计,兼具多层次结构,密封性能可靠,是通用蝶阀向中压、中高温领域的延伸和发展。
气动金属密封法兰蝶阀符合标准JB/T8527-97(金属硬密封蝶阀)和GB/T13927-92(通用阀门压力试验)标准及阀门其它相关标准的规定,适用于介质温度≤650℃的冶金、电力、石油化工、空气、以及给排水等介质管道上作调节流量和截断流体。
三偏心法兰蝶阀阀体与管道的连接有双法兰连接、对夹式连接和凸耳对夹式连接三种。
1、蝶板密封圈为软硬层叠式金属片,具有金属硬密封和弹性密封的双重优点,无论在低温和高温的情况下,均具有优良的密封性能;
2、蝶阀采用三维偏心结构,阀座与蝶板无摩擦,具有越关越紧的密封功能;
3、阀体密封面,采用堆焊不锈钢、钴基硬质合金,密封面耐磨损,使用寿命长;
4、气动法兰蝶阀结构独特,操作灵活、省力、方便、不受戒指压力的高、低影响,密封性能可靠。
|
|
|
气动法兰蝶阀执行机构特点:
|
扭矩:8Nm-4500Nm
安装法兰:DIN/ISO 5211 DIN 3337
控制阀连接:NAMUR标准
结构:齿轮齿条式气动执行器
转角:90度(+/-5度)
材质:铝合金、产品表面硬质阳级氧化(硬质阳级氧化+铁氟龙喷涂)
特点:低摩擦,寿命长,开关次数可达100万次以上。
|
|
|
|
气动法兰蝶阀应用范围:
|
|
气动法兰蝶阀适用于高、中、低压,高温、低温的管路中作闭路密封装置、节流装置和调节装置。双偏心单向金属密封蝶阀广泛的应用于水利工程、自来水、电力循环水、石油、化工等工业管道上作截断介质流动。
|
|
|
|
气动法兰蝶阀性能参数:
|
|
设计标准
|
GB/T12238
|
API609
|
|
压力温度等级
|
GB/T12224
|
API609、ASME B 16.34
|
|
结构长度
|
GB/T12221
|
API609、ISO5752、ASME B 16.10
|
|
法兰型式尺寸
|
GB/T9113、JB/T79
|
ASME B 16.5/B 16.47
|
|
检验与试验
|
GB/T9092、GB/T13927
|
API598
|
|
公称压力
|
1.0
|
1.6
|
2.5
|
4.0
|
6.0
|
Class150
|
Class300
|
Class600
|
|
试验压力
|
壳体试验
|
1.5
|
2.4
|
3.75
|
6.0
|
9.45
|
2.93
|
7.58
|
15.0
|
|
高压密封
|
1.1
|
1.76
|
2.75
|
4.4
|
6.93
|
2.07
|
5.52
|
11.03
|
|
低压密封
|
0.6
|
|
适用温度
|
-46℃~500℃(不同的工况温度选用不同的材质)
|
|
适用介质
|
水、油、气及各类腐蚀性(不同的介质选用不同的材质)
|
|
|
|
|
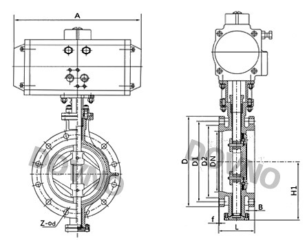
气动法兰蝶阀结构图:
|
|
|
|
|
气动法兰蝶阀流量特性:
|
公称通径
DN(mm)
|
50
|
65
|
80
|
100
|
125
|
150
|
200
|
250
|
|
流量系数
|
62.2
|
108.2
|
183.6
|
195.5
|
486
|
706
|
1250
|
2032
|
公称通径
DN(mm)
|
300
|
350
|
400
|
450
|
500
|
600
|
700
|
800
|
|
流量系数
|
2914
|
4110
|
5356
|
7062
|
8718
|
12540
|
17085
|
22315
|
|
|
|
|
气动法兰蝶阀主要零部件材料表:
|
|
序号NO.
|
零件名称
|
材质
|
|
C
|
P
|
R
|
|
1
|
内六角螺钉
|
1Cr18Ni9Ti
|
1Cr18Ni9Ti
|
1Cr18Ni12Mo2Ti
|
|
2
|
阀盖
|
WCB
|
1Cr18Ni9Ti
|
ZG1Cr18Ni12Mo2Ti
|
|
3
|
垫片
|
1Cr18Ni9Ti
|
1Cr18Ni9Ti
|
1Cr18Ni12Mo2Ti
|
|
4
|
阀座
|
不锈钢+柔性石墨、PTFE
|
|
5
|
垫片
|
1Cr18Ni9Ti
|
1Cr18Ni9Ti
|
1Cr18Ni12Mo2Ti
|
|
6
|
蝶板
|
WCB
|
ZG1Cr18Ni2Ti
|
ZG1Cr18Ni12Mo2Ti
|
|
7
|
圆柱销
|
45
|
1Cr18Ni9Ti
|
1Cr18Ni12Mo2Ti
|
|
8
|
下盖
|
WCB
|
ZG1Cr18Ni2Ti
|
ZG1Cr18Ni12Mo2Ti
|
|
9
|
垫片
|
不锈钢+柔性石墨、PTFE
|
|
10
|
衬套
|
PTFE复合轴承
|
|
11
|
阀体
|
WCB
|
ZG1Cr18Ni2Ti
|
ZG1Cr18Ni12Mo2Ti
|
|
12
|
阀杆
|
1Cr13
|
1Cr18Ni9Ti
|
1Cr18Ni12Mo2Ti
|
|
13
|
支架
|
WCB
|
WCB
|
WCB
|
|
14
|
键
|
45
|
45
|
45
|
|
15
|
衬套
|
PTFE复合轴承
|
|
16
|
填料
|
柔性石墨、PTFE
|
|
17
|
压盖
|
WCB
|
ZG1Cr18Ni2Ti
|
ZG1Cr18Ni12Mo2Ti
|
|
18
|
气动执行器
|
AT、AW系列
|
|
19
|
位置指示器
|
塑料
|
|
|
|
|
气动法兰蝶阀外形尺寸表:
|
|
|
气动法兰蝶阀外形尺寸表:
|
|
DN
|
L
|
H
|
A
|
1.0MPa
|
1.6MPa
|
|
D
|
D1
|
D2
|
Z-Φd
|
D
|
D1
|
D2
|
Z-Φd
|
|
50
|
108
|
320
|
190
|
160
|
125
|
100
|
4-18
|
160
|
125
|
99
|
4-18
|
|
65
|
112
|
370
|
206
|
180
|
145
|
120
|
4-18
|
180
|
145
|
118
|
4-18
|
|
80
|
114
|
370
|
216
|
195
|
160
|
135
|
8-18
|
195
|
160
|
132
|
8-18
|
|
100
|
127
|
370
|
260
|
215
|
180
|
155
|
8-18
|
215
|
180
|
156
|
8-18
|
|
125
|
140
|
420
|
286
|
245
|
210
|
185
|
8-18
|
245
|
210
|
184
|
8-18
|
|
150
|
140
|
505
|
340
|
280
|
240
|
210
|
8-23
|
280
|
240
|
211
|
8-23
|
|
200
|
152
|
610
|
412
|
335
|
295
|
265
|
8-23
|
335
|
295
|
266
|
12-23
|
|
250
|
165
|
665
|
480
|
390
|
350
|
320
|
12-23
|
390
|
355
|
319
|
12-26
|
|
300
|
178
|
755
|
538
|
440
|
400
|
368
|
12-23
|
460
|
410
|
370
|
12-26
|
|
350
|
190
|
860
|
568
|
500
|
460
|
428
|
16-23
|
520
|
470
|
429
|
16-26
|
|
400
|
216
|
890
|
660
|
565
|
515
|
482
|
16-25
|
580
|
525
|
480
|
16-30
|
|
450
|
222
|
966
|
740
|
615
|
565
|
532
|
20-25
|
640
|
585
|
530
|
20-30
|
|
气动法兰蝶阀该产品由橡胶密封蝶阀和碳钢或不锈钢阀板、阀杆构成。气动法兰蝶阀适用于温度≤80~500℃如食品、医药、化工、石油、电力、轻纺、造纸等给排水、气体管道上作调节流量和截流介质的作用。

·气动法兰蝶阀质保体系:
有了您的信任与支持,我们提供值得信赖的Ruihao品牌产品,我们支持一系列的系统技术参数、技术指导、文件支持,实行质量跟踪、客户档案、售后保障。
·气动法兰蝶阀产品标准:
我们的产品按相关标准验收,产品质量实行"售后跟踪"服务;随货提供"铭牌""质量证明""质保卡",产品并带有"说明书""检验报告"等相关说明。
·气动法兰蝶阀解决方案:
瑞濠公司为工业系统和水力提供的整体方案,我们专注产品质量,把握每一个产品细节全程控制; 不仅为用户解决需求,还保障了控制系统运行可靠性,减少系统的故障及维护,不懈努力的为用户提供高品质、高性能的产品。
·气动法兰蝶阀售后保障:
瑞濠公司实行完善的用户档案和全程服务制度,每个用户都进行全程免费技术咨询、安装指导、跟踪服务以及相关咨询服务。
瑞濠公司的阀门产品实行"三包"服务,货物到现场提供相应技术指导支持; 质保期实行12个月到24个月不等。
·气动法兰蝶阀订购说明:
1.阀门产品:如有指定型号标准,请直播销售热线咨询价格,了解详情!
2.技术支持:如没有指定产品型号规格,请把工况要求、设计图纸、技术规范,发送传真或邮件至本公司。
3.产品订货参数:通径(DN),公称压力(Mpa),温度(℃),连接方式(螺纹、法兰、对夹等)。
4.产品驱动方式:手动、蜗轮、气动、电动等。
5.产品标准:国标GB、日标JIS、美标ANSI、德标DIN、英标BS、欧标EN等。
6.报价确认:本公司提供报价清单及技术标准说明至客户确认,在双方技术各方面确认后再拟定合同。
7.阀门质量要求、质量标准、供方对质量负责的条件:按有关质量标准。