【气动对夹式蝶阀】瑞濠品牌.质量保证,瑞濠阀业全方面介绍D671X气动对夹式蝶阀相关标准、选型、作用、结构图、规格型号;外形尺寸、工作原理、安装维护及产品说明书;为广大用户提供高品质、高性能、高标准、高寿命、价格优惠的系列气动对夹蝶阀。
|
气动对夹式蝶阀产品简述:
|
气动对夹式蝶阀采用不同系列气动执行机构,满足不同口径、不同扭矩的蝶阀,配以电磁阀、限位开关、三联件、阀门定位器等附件可以实现不同的控制功能。
气动对夹式蝶阀,蝶阀配上气动执行器,气动执行器的执行速度相对较快,并且不需要工人亲力亲为,在很大程度上节约了人力资源以及时间。对夹式蝶阀内衬件:乙丙橡胶,丁晴橡胶,氟橡胶等,根据管道流体化学性质不同而选择更合理的内衬橡胶,达到理想的效果。
|
|
|

|
|
气动对夹式蝶阀产品应用:
|
|
气动对夹式蝶阀用在石油、化工、食品、医药、造纸、水电、船舶、给排水、冶炼、能源等系统管路上,可在多种腐蚀性、非腐蚀性的气体、液体、半流体以及固体粉末管和容器上作为调节和截流设备使用。
|
|
|
气动对夹式蝶阀产品特点:
|
1、气动对夹蝶阀小型轻便,容易拆装及维修,并可在任意位置安装。
2、蝶阀结构简单、紧凑,90°回转开启迅速。
3、操作扭矩小,省力轻巧。
4、蝶阀流量特性趋于直线,调节性能好。
5、启闭试验次数多达数万次,寿命长。
6、蝶阀密封件可更换,密封可靠达到双向密封,气体试验泄漏为零。
7、密封材料耐老化、耐腐蚀、可适用多种介质。
|
|
|
气动对夹式蝶阀主要参数:
|
|
公称压力
|
PN1.0/1.6Mpa
|
|
适用温度
|
≤120℃
|
|
适用介质
|
水、空气、食品、油品
|
|
主要零部件
|
阀体、阀瓣、阀杆、阀座、转轴
|
|
主要材料
|
铸铁、球墨铸铁、碳钢、不锈钢
|
|
|
|
|
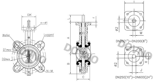
气动对夹式蝶阀外形结构图:
|
|
|
|
|
气动对夹式蝶阀外形尺寸表:
|
|
规格size
|
尺寸(mm)
|
重量(kg)
|
|
mm
|
inch
|
A
|
B
|
C
|
D
|
D1
|
D2
|
N-M
|
L
|
Φ2
|
K
|
E
|
n-Φ1
|
f
|
J
|
W
|
X
|
A型
|
LT型
|
|
25
|
1
|
110
|
55
|
33
|
24
|
85
|
85
|
4-M12
|
32
|
10
|
42
|
42
|
4-6
|
10
|
|
7
|
|
1.2
|
1.3
|
|
32
|
11/4
|
110
|
55
|
33
|
24
|
100
|
100
|
4-M16
|
32
|
10
|
42
|
42
|
4-6
|
10
|
|
7
|
|
1.4
|
1.6
|
|
40
|
1.5
|
125
|
73
|
33
|
39
|
110
|
110
|
4-M16
|
32
|
12.6
|
50
|
50
|
4-7
|
10
|
|
8.86
|
|
1.8
|
2.1
|
|
50
|
2
|
125
|
73
|
43
|
52
|
125
|
125
|
4-M16
|
32
|
12.6
|
50
|
50
|
4-7
|
10
|
|
8.86
|
|
2.3
|
2.8
|
|
65
|
2.5
|
136
|
82
|
46
|
64
|
145
|
145
|
4-M16
|
32
|
12.6
|
50
|
50
|
4-7
|
10
|
|
8.86
|
|
3.3
|
4.1
|
|
80
|
3
|
142
|
91
|
46
|
78
|
160
|
160
|
8-M16
|
32
|
12.6
|
50
|
50
|
4-7
|
10
|
|
8.86
|
|
3.7
|
5.2
|
|
100
|
4
|
163
|
106
|
52
|
104
|
180
|
180
|
8-M16
|
32
|
15.77
|
70
|
70
|
4-10
|
12
|
|
11.1
|
|
5.2
|
6.5
|
|
125
|
5
|
176
|
128
|
56
|
123
|
210
|
210
|
8-M16
|
32
|
18.92
|
70
|
70
|
4-10
|
12
|
|
12.7
|
|
7.5
|
8.6
|
|
150
|
6
|
196
|
143
|
56
|
155
|
240
|
240
|
8-M20
|
32
|
18.92
|
70
|
70
|
4-10
|
12
|
|
12.7
|
|
8.7
|
11
|
|
200
|
8
|
228
|
170
|
60
|
202
|
295
|
295
|
8-M20/12-M20
|
45
|
22.1
|
102
|
102
|
4-12
|
15
|
|
15.87
|
|
15
|
25
|
|
|
|
|
|
|
|
|
|
|
|
|
|
|
|
|
|
|
|
|
|
|
250
|
10
|
258
|
204
|
68
|
250
|
350
|
355
|
12-M20/12-M24
|
45
|
28.45
|
102
|
102
|
4-12
|
15
|
31.19
|
|
8
|
23
|
43
|
|
300
|
12
|
292
|
239
|
78
|
301
|
400
|
410
|
12-M20/12-M24
|
45
|
31.6
|
102
|
102
|
4-12
|
15
|
34.6
|
|
8
|
35
|
50
|
|
350
|
14
|
336
|
267
|
78
|
333.3
|
460
|
470
|
16-M20/16-M24
|
45
|
31.6
|
125
|
125
|
4-14
|
23
|
34.6
|
|
8
|
58
|
77
|
|
400
|
16
|
368
|
297
|
102
|
389.6
|
515
|
525
|
16-M24/16-M27
|
51
|
33.15
|
140
|
140
|
4-18
|
23
|
36.15
|
|
10
|
82
|
101
|
|
450
|
18
|
400
|
315
|
114
|
440.5
|
565
|
585
|
20-M24/20-M27
|
51
|
38
|
140
|
140
|
4-18
|
23
|
40.95
|
|
10
|
110
|
139
|
|
500
|
20
|
440
|
348
|
127
|
492
|
620
|
650
|
20-M24/20-M30
|
64
|
41.14
|
140
|
140
|
4-18
|
27
|
44.12
|
|
10
|
148
|
179
|
|
600
|
24
|
525
|
467
|
154
|
593
|
725
|
770
|
20-M27/20-M33
|
70
|
50.65
|
165
|
165
|
4-22
|
27
|
54.62
|
|
16
|
220
|
283
|
|
气动对夹式蝶阀该产品由橡胶密封蝶阀和碳钢或不锈钢阀板、阀杆构成。气动对夹式蝶阀适用于温度≤80~120℃如食品、医药、化工、石油、电力、轻纺、造纸等给排水、气体管道上作调节流量和截流介质的作用。
·气动对夹式蝶阀质保体系:
有了您的信任与支持,我们提供值得信赖的Ruihao品牌产品,我们支持一系列的系统技术参数、技术指导、文件支持,实行质量跟踪、客户档案、售后保障。
·气动对夹式蝶阀产品标准:
我们的产品按相关标准验收,产品质量实行"售后跟踪"服务;随货提供"铭牌""质量证明""质保卡",产品并带有"说明书""检验报告"等相关说明。
·气动对夹式蝶阀解决方案:
瑞濠公司为工业系统和水力提供的整体方案,我们专注产品质量,把握每一个产品细节全程控制; 不仅为用户解决需求,还保障了控制系统运行可靠性,减少系统的故障及维护,不懈努力的为用户提供高品质、高性能的产品。
·气动对夹式蝶阀售后保障:
瑞濠公司实行完善的用户档案和全程服务制度,每个用户都进行全程免费技术咨询、安装指导、跟踪服务以及相关咨询服务。
瑞濠公司的阀门产品实行"三包"服务,货物到现场提供相应技术指导支持; 质保期实行12个月到24个月不等。
·气动对夹式蝶阀订购说明:
1.阀门产品:如有指定型号标准,请直播销售热线咨询价格,了解详情!
2.技术支持:如没有指定产品型号规格,请把工况要求、设计图纸、技术规范,发送传真或邮件至本公司。
3.产品订货参数:通径(DN),公称压力(Mpa),温度(℃),连接方式(螺纹、法兰、对夹等)。
4.产品驱动方式:手动、蜗轮、气动、电动等。
5.产品标准:国标GB、日标JIS、美标ANSI、德标DIN、英标BS、欧标EN等。
6.报价确认:本公司提供报价清单及技术标准说明至客户确认,在双方技术各方面确认后再拟定合同。
7.阀门质量要求、质量标准、供方对质量负责的条件:按有关质量标准。