

| 球阀 |
| 闸阀 |
| 蝶阀 |
| 截止阀 |
| 止回阀 |
| 排气阀 |
| 过滤器 |
| 电磁阀 |
| 旋塞阀 |
| 平衡阀 |
| 减压阀 |
| 调节阀 |
| 角座阀 |
| 针型阀 |
| 疏水阀 |
| 管夹阀 |
| 隔膜阀 |
| 阻火器 |
| 呼吸阀 |
| 排泥阀 |
| 液压阀 |
| 放料阀 |
| 柱塞阀 |
| 低温阀门 |
| 衬氟阀门 |
| 塑料阀门 |
| 刀型闸阀 |
| 陶瓷阀门 |
| 黄铜阀门 |
| 水力控制阀 |
| 电动气动阀门 |
| 特材阀门 |
| 进入更多阀门系列 |

| 产品品牌 | Ruihao |
| 产品型号 | PSK-3061QF |
| 产品口径 | DN15-DN100 |
| 产品压力 | 1000PSI |
| 产品材质 | 304SS,316SS |
| 产品应用 | 水,蒸汽,油品,硝酸,醋酸 |
| 产品特点 | ●瑞濠阀门,Ruihao工业品质。 ●质量保证,交货快捷,售后完善。 ●产品三包:包修、包换、包退。 ●(Ruihao)Pipeline Safety Keeper。 ●Ruihao工业品牌阀门,管道的安全管理员。 ●销售热线:+8613676550726、31007662。 |
| 不锈钢三片式焊接球阀产品简述: | ||||||||||||||||||||||||||||||||||||||||||||||||||||||||||||||||||||||||||||||||||||||||||||||||||||||||||||||||
| 三片式焊接球阀在各个领域使用都非常广泛,其优越的品质和高性能的稳定性是普通铸钢球阀不能达到的,焊接球阀使用寿命远远大于铸钢球阀,焊接球阀广泛应用于城市燃气、城市供热、石油化工、造船、钢铁、调压站、发电厂等各类管道设备上。 不锈钢三片式焊接球阀适用于 PN1.0~6.3MPa,工作温度 -29~180℃(密封圈为增强聚四氟乙烯)或-29~300℃(密封圈为对位聚苯)的各种管路上,不锈钢三片式焊接球阀用于截断或接通管路中的介质,选用不同的材质,可分别适用于水、蒸汽、油品、硝酸、醋酸等多种介质。 | ||||||||||||||||||||||||||||||||||||||||||||||||||||||||||||||||||||||||||||||||||||||||||||||||||||||||||||||||
|
||||||||||||||||||||||||||||||||||||||||||||||||||||||||||||||||||||||||||||||||||||||||||||||||||||||||||||||||
| 不锈钢三片式焊接球阀结构特点: | ||||||||||||||||||||||||||||||||||||||||||||||||||||||||||||||||||||||||||||||||||||||||||||||||||||||||||||||||
|
1. 流体阻力小。 2. 结构简单,相对体积小,重量轻,便于维修。 3. 密封性能好。 4. 不受安装方向的限制,介质的流向可任意。 5. 无振动,噪声小。 |
||||||||||||||||||||||||||||||||||||||||||||||||||||||||||||||||||||||||||||||||||||||||||||||||||||||||||||||||
| 不锈钢三片式焊接球阀产品特点: | ||||||||||||||||||||||||||||||||||||||||||||||||||||||||||||||||||||||||||||||||||||||||||||||||||||||||||||||||
|
阀杆防脱出装置设计 Blow-out Proof Stem 钢球球槽上有泄压设计 Pressure Balance Hole IN Ball Slot 可先择挂锁装置 Lock Device 采用脱腊铸造 Using DEwaxing Precision Casting |
||||||||||||||||||||||||||||||||||||||||||||||||||||||||||||||||||||||||||||||||||||||||||||||||||||||||||||||||
| 不锈钢三片式焊接球阀设计标准: | ||||||||||||||||||||||||||||||||||||||||||||||||||||||||||||||||||||||||||||||||||||||||||||||||||||||||||||||||
|
APPLECABLE STANDARDS: 设计和制造标准按照Design: ASME B16.34; 螺纹标准按照End Flange:ASME B1.20.1,BS21 DIN 2999/259,ISO 228/1;JIS B 0203,ISO 7/1 对焊标准:Butt Weld: ASME B16.25 承插焊标准:Socket Weld: ASME B16.11 检测标准:Inspection & Testing: MSS SP-110,EN 12266 |
||||||||||||||||||||||||||||||||||||||||||||||||||||||||||||||||||||||||||||||||||||||||||||||||||||||||||||||||
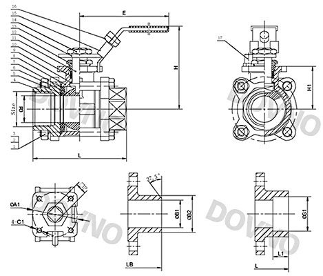
| 不锈钢三片式焊接球阀结构图: | ||||||||||||||||||||||||||||||||||||||||||||||||||||||||||||||||||||||||||||||||||||||||||||||||||||||||||||||||
![]() |
||||||||||||||||||||||||||||||||||||||||||||||||||||||||||||||||||||||||||||||||||||||||||||||||||||||||||||||||
| 三片式手动球阀主要材料表: | ||||||||||||||||||||||||||||||||||||||||||||||||||||||||||||||||||||||||||||||||||||||||||||||||||||||||||||||||
|
||||||||||||||||||||||||||||||||||||||||||||||||||||||||||||||||||||||||||||||||||||||||||||||||||||||||||||||||