

| 球阀 |
| 闸阀 |
| 蝶阀 |
| 截止阀 |
| 止回阀 |
| 排气阀 |
| 过滤器 |
| 电磁阀 |
| 旋塞阀 |
| 平衡阀 |
| 减压阀 |
| 调节阀 |
| 角座阀 |
| 针型阀 |
| 疏水阀 |
| 管夹阀 |
| 隔膜阀 |
| 阻火器 |
| 呼吸阀 |
| 排泥阀 |
| 液压阀 |
| 放料阀 |
| 柱塞阀 |
| 低温阀门 |
| 衬氟阀门 |
| 塑料阀门 |
| 刀型闸阀 |
| 陶瓷阀门 |
| 黄铜阀门 |
| 水力控制阀 |
| 电动气动阀门 |
| 特材阀门 |
| 进入更多阀门系列 |

| 产品品牌 | Ruihao |
| 产品型号 | Q914,Q915F |
| 产品口径 | DN06-DN100 |
| 产品压力 | 1.6Mpa-2.5Mpa |
| 产品材质 | CF8,CF8M |
| 产品应用 | 液体,气体,蒸汽 |
| 产品特点 | ●瑞濠阀门,Ruihao工业品质。 ●质量保证,交货快捷,售后完善。 ●产品三包:包修、包换、包退。 ●(Ruihao)Pipeline Safety Keeper。 ●Ruihao工业品牌阀门,管道的安全管理员。 ●销售热线:+8613676550726、31007662。 |
| 电动内螺纹三通球阀简述: | |||||||||||||||||||||||||||||||||||||||||||||||||||||||||||||||||||||||||||||||||||||||||||||||||||||||||||||||||||||||
电动内螺纹三通球阀采用回转式角行程电动执行机构,以AC220V、380V、DC24V电源电压作动力,接受工业自动化仪表控制系统输入(4-20mA)电流信号或电压信号,即可控制运转,实现对工艺介质的比例调节或二位切换控制。电动内螺纹三通球阀是三通切换型球阀。标准球芯有L型三通双口孔种,改变球芯与管道相对角度,可以对三支管道流体实现不同的组合控制;T型孔道可起配比作用,适用于液体、气体、蒸汽等介质的 配比调节与控制。
|
|||||||||||||||||||||||||||||||||||||||||||||||||||||||||||||||||||||||||||||||||||||||||||||||||||||||||||||||||||||||
| 电动内螺纹三通球阀设计标准: | |||||||||||||||||||||||||||||||||||||||||||||||||||||||||||||||||||||||||||||||||||||||||||||||||||||||||||||||||||||||
|
防爆中轴/全流 设计和制造标准按照: GB/T12237/1989;DIN3357/1,2:API608 结构长度按照: GB/T9113.1、JB/T79;DIN3202;JIS B2002;ASME B16.10 法兰端尺寸按照::GB/T9113.1、JB/T79;DIN3202;JIS B2002;ASME B16.10 检验和测试按照: GB/T13927;DIN3230/3;API598;JIS B2003 |
|||||||||||||||||||||||||||||||||||||||||||||||||||||||||||||||||||||||||||||||||||||||||||||||||||||||||||||||||||||||
| 电动内螺纹三通球阀产品特点: | |||||||||||||||||||||||||||||||||||||||||||||||||||||||||||||||||||||||||||||||||||||||||||||||||||||||||||||||||||||||
|
1.电动内螺纹三通球阀有两阀座和四座密封结构,阀芯孔道有L型和T型两种结构形式,采用控制阀芯旋转角度,改变阀芯与管道口连接状态,可实现对三条支管不同的组合控制。三通球阀流通能力大,可控制气体、液体、蒸汽,更适用于控制高粘度,纤维颗粒状的流体。也适用于密封要求较严合的场合。 2.电动内螺纹三通球阀两阀座密封具有造型美观、结构紧凑合理,它不仅可实现介质流向的切换,也可使相互垂直的两个通道连接或关闭。 3.四阀座密封三通球阀具有造型美观、结构紧凑合理,它不仅实现介质流向的切换,也要使三个通道相互联通,同时可关闭任意一个通道,使另个两个通道连接,灵活控制管路是介质的合流或分流 4.电动内螺纹三通球阀T型阀芯孔道可使三条正交的管道互相连接或切换,起分流和合流作用;L型孔道连接相互正交的两管道。使另一条孔道切断,起改变介质流向作用。 |
|||||||||||||||||||||||||||||||||||||||||||||||||||||||||||||||||||||||||||||||||||||||||||||||||||||||||||||||||||||||
| 电动内螺纹三通球阀流向原理图: | |||||||||||||||||||||||||||||||||||||||||||||||||||||||||||||||||||||||||||||||||||||||||||||||||||||||||||||||||||||||
|
|||||||||||||||||||||||||||||||||||||||||||||||||||||||||||||||||||||||||||||||||||||||||||||||||||||||||||||||||||||||
|
|||||||||||||||||||||||||||||||||||||||||||||||||||||||||||||||||||||||||||||||||||||||||||||||||||||||||||||||||||||||
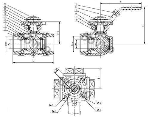
| 电动内螺纹三通球阀结构图: | |||||||||||||||||||||||||||||||||||||||||||||||||||||||||||||||||||||||||||||||||||||||||||||||||||||||||||||||||||||||
![]() |
|||||||||||||||||||||||||||||||||||||||||||||||||||||||||||||||||||||||||||||||||||||||||||||||||||||||||||||||||||||||
| 电动内螺纹三通球阀外形尺寸表: | |||||||||||||||||||||||||||||||||||||||||||||||||||||||||||||||||||||||||||||||||||||||||||||||||||||||||||||||||||||||
|
|||||||||||||||||||||||||||||||||||||||||||||||||||||||||||||||||||||||||||||||||||||||||||||||||||||||||||||||||||||||