【三片式日标法兰
球阀】瑞濠品牌.质量保证,瑞濠阀业全方面介绍三片式
日标球阀相关标准、选型、作用、结构图、规格型号;外形尺寸、工作原理、安装维护及产品说明书;为广大用户提供高品质、高性能、高标准、高寿命、价格优惠的系列日标球阀。
|
三片式日标法兰球阀产品简述:
|
|
三片式日标法兰球阀铸造采硅胶工艺,结构合理、造型美观,阀座采用弹性密封结构,密封可靠,启闭轻松。球阀阀杆采用有倒密封的下装式结构,阀腔异常升压时,阀杆不会被冲出。三片式法兰球阀可带国际标准ISO支架平台和锁定装置。可设置90°开关定位机构,根据需要加锁以防止误操作,驱动方式:手动、电动、气动,球阀可分别适用于水、蒸汽、油品、硝酸、醋酸等多种介质。
|
|
|
|
三片式日标法兰球阀设计标准:
|
防爆中轴/全流
设计和制造标准按照: ASME B16.34;
结构长度按照: JIS B2202;
法兰端尺寸按照:JIS B2220;
检验和测试按照: JIS B2203;
防火设计测试:API607 ISO 10497;
|
|
|
|
三片式日标法兰球阀产品特点:
|
1.流体阻力小。
2.结构简单,相对体积小,重量轻,便于维修。
3.密封性能好.
4.不受安装方向的限制,介质的流向可任意。
|
|
|
|
三片式日标法兰球阀结构图:
|
|
|
|
|
三片式日标法兰球阀材料表:
|
|
名称
|
材质
|
|
ANSI/JIS/DIN
|
ANSI/JIS/DIN
|
ANSI/JIS/DIN
|
|
阀体
|
A351-CF8M/SCS14A/1.4408
|
A351-CF8/SCS13A/1.4308
|
A216-WCB/SCPH2/1.0619
|
|
阀盖
|
A351-CF8M/SCS14A/1.4408
|
A351-CF8/SCS13A/1.4308
|
A216-WCB/SCPH2/1.0619
|
|
球
|
SUS316
|
SUS304
|
|
六角螺母
|
A194-8
|
|
弹性垫片
|
SUS304
|
|
密封圈
|
PTFE/VITON
|
|
阀座
|
PTFE/RPTFE/PPL
|
|
阀杆
|
SUS316
|
SUS304
|
|
止推垫
|
PTFE/RPTFE
|
|
填料
|
PTFE/GRAFOIL
|
|
填料压盖
|
SUS304
|
|
手柄
|
SUS201
|
|
弹性垫片
|
SUS304
|
|
六角螺母
|
A194-8
|
|
手柄插销
|
SUS304
|
|
锁片
|
SUS304
|
|
双头螺栓
|
A193-B8
|
|
|
|
|
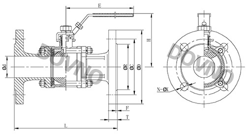
三片式日标法兰球阀外形尺寸图:
|
|
|
|
|
三片式日标法兰球阀外形尺寸表:
|
|
单位:mm
|
|
Size
|
LBS
|
d
|
L
|
R
|
C
|
D
|
H
|
E
|
F
|
T
|
N
|
ØX
|
|
1/2"
|
10K
|
15
|
108
|
51
|
70
|
95
|
77
|
160
|
1
|
12
|
4
|
15
|
|
3/4"
|
10K
|
20
|
117
|
56
|
75
|
100
|
90
|
160
|
1
|
14
|
4
|
15
|
|
1"
|
10K
|
25
|
127
|
67
|
90
|
125
|
92
|
180
|
1
|
14
|
4
|
19
|
|
1-1/4"
|
10K
|
32
|
140
|
76
|
100
|
135
|
105
|
200
|
2
|
16
|
4
|
19
|
|
1-1/2"
|
10K
|
38
|
165
|
81
|
105
|
140
|
111
|
220
|
2
|
16
|
4
|
19
|
|
2"
|
10K
|
50
|
178
|
96
|
120
|
155
|
120
|
220
|
2
|
16
|
4
|
19
|
|
2-1/2"
|
10K
|
65
|
190
|
116
|
140
|
175
|
145
|
280
|
2
|
18
|
4
|
19
|
|
3"
|
10K
|
78
|
203
|
126
|
150
|
185
|
155
|
280
|
2
|
18
|
8
|
19
|
|
4"
|
10K
|
100
|
229
|
151
|
175
|
210
|
168
|
300
|
2
|
18
|
8
|
19
|
|
三片式日标法兰球阀流体阻力小;结构简单,相对体积小,重量轻,便于维修。球阀采用分体式结构设计,密封性能好,不受安装方向的限制,球体与球体之间防静电装置;阀杆防爆出设计;自动压紧填料设计;三片式日标法兰球阀广泛用于石油、化工、冶金、电力、建筑、热力、给排水、水处理等行业。

·三片式日标法兰球阀质保体系:
有了您的信任与支持,我们提供值得信赖的Ruihao品牌产品,我们支持一系列的系统技术参数、技术指导、文件支持,实行质量跟踪、客户档案、售后保障。
·三片式日标法兰球阀产品标准:
我们的产品按国际及国内相关标准验收,产品实行"全程跟踪"服务;随货提供"铭牌""质量证明""质保卡",产品带有"说明书""检验报告"等相关说明。
·三片式日标法兰球阀解决方案:
瑞濠公司为工业系统和水力提供的整体方案,我们专注产品质量,把握每一个产品细节全程控制; 不仅为用户解决需求,还保障了控制系统运行可靠性,减少系统的故障及维护,不懈努力的为用户提供高品质、高性能的产品。
·三片式日标法兰球阀售后保障:
瑞濠公司实行完善的用户档案和全程服务制度,每个用户都进行全程免费技术咨询、安装指导、跟踪服务以及相关咨询服务。
瑞濠公司的阀门产品实行"三包"服务,货物到现场提供相应技术指导支持; 质保期实行12个月到24个月不等。
·三片式日标法兰球阀订购说明:
1.阀门产品:如有指定型号标准,请直播销售热线咨询价格,了解详情!
2.技术支持:如没有指定产品型号规格,请把工况要求、设计图纸、技术规范,发送传真或邮件至本公司。
3.产品订货参数:通径(DN),公称压力(Mpa),温度(℃),连接方式(螺纹、法兰、对夹等)。
4.产品驱动方式:手动、蜗轮、气动、电动等。
5.产品标准:国标GB、日标JIS、美标ANSI、德标DIN、英标BS、欧标EN等。
6.报价确认:本公司提供报价清单及技术标准说明至客户确认,在双方技术各方面确认后再拟定合同。
7.阀门质量要求、质量标准、供方对质量负责的条件:按有关质量标准。