【三片式德标球阀】瑞濠品牌.质量保证,瑞濠阀业全方面介绍三片式德标球阀相关标准、选型、作用、结构图、规格型号;外形尺寸、工作原理、安装维护及球阀产品说明书;为广大用户提供高品质、高性能、高标准、高寿命、价格优惠的系列德标球阀。
|
三片式德标球阀概述:
|
|
德标法兰球阀只需要用旋转90度的操作和很小的转动力矩就能关闭严密。阀体内腔为介质提供了阻力很小、直通的流道;德标法兰球阀的主要特点是本身结构紧凑,易于操作和维修,适用于水、溶剂、酸和天然气等一般工作介质,而且还适用于工作条件恶劣的介质,如氧气过氧化氢,甲烷和乙烯等。球阀阀体可以是整体的,也可以是组合式的。 本类阀应安装在管道的水平方向。
|
|
|
|
三片式德标球阀设计标准:
|
APPLECABLE STANDARDS:
防爆中轴/全流Blow-out Proof stem/Full port
设计和制造标准按照Design: DIN3357 EN 12516-1;
结构长度按照face toface : DIN EN 1092-1;
法兰端尺寸按照End Flange:DIN3202;
检验和测试按照Test: DIN3230 EN12266;
防火设计测试Fire Safe:API607 ISO 10497;
|
|
|
|
三片式德标球阀结构图:
|

|
|
|
|
三片式德标球阀材料表:
|
|
零件名称PART NAME
|
材质MATERIAL
|
|
阀体BODY
|
SS304/SS316
|
|
球体 BALL
|
SS304/SS316
|
|
螺母GLAND NUT
|
SS304/SS316
|
|
螺栓BOLT
|
SS304/3SS16
|
|
密封线JOINT GASKET
|
PTFE
|
|
密封圈JOINT RING
|
PTFE
|
|
止推垫STOP RING
|
PTFE
|
|
阀杆STEM
|
SS304/SS316
|
|
填料STEM PACKING
|
PTFE
|
|
定位片STOP
|
304/SS316
|
|
锁片 LOCKPAD
|
SS304
|
|
压盖GLAND
|
CF8/CF8M
|
|
卡簧SNAP RING
|
3SS04/SS316
|
|
手柄HANDLE
|
CF8/CF8M
|
|
压盖螺栓GLAND BOLT
|
SS304/SS316
|
|
|
|
|
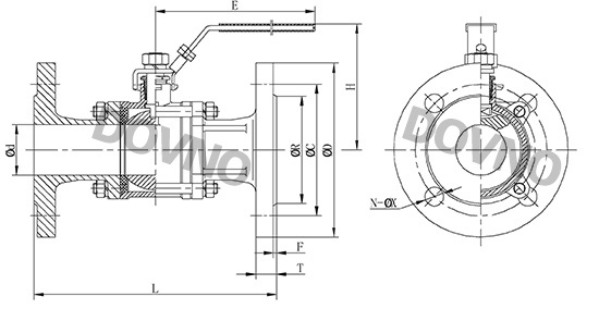
三片式德标球阀外形尺寸图:
|

|
|
|
|
三片式德标球阀外形尺寸表:
|
|
单位:mm
|
|
Size
|
PN
|
d
|
L
|
R
|
C
|
D
|
H
|
E
|
F
|
T
|
N
|
ØX
|
|
1/2"
|
10-40
|
15
|
130
|
45
|
65
|
95
|
77
|
160
|
2
|
14
|
4
|
14
|
|
3/4"
|
10-40
|
20
|
150
|
58
|
75
|
105
|
90
|
160
|
2
|
16
|
4
|
14
|
|
1"
|
10-40
|
25
|
160
|
68
|
85
|
115
|
92
|
180
|
2
|
16
|
4
|
14
|
|
1-1/4"
|
10-40
|
32
|
180
|
78
|
100
|
140
|
105
|
200
|
2
|
16
|
4
|
18
|
|
1-1/2"
|
10-40
|
38
|
200
|
88
|
110
|
150
|
111
|
220
|
3
|
16
|
4
|
18
|
|
2"
|
10-40
|
50
|
230
|
102
|
125
|
165
|
120
|
220
|
3
|
18
|
4
|
18
|
|
2-1/2"
|
10-16
|
65
|
290
|
122
|
145
|
185
|
145
|
280
|
3
|
18
|
4
|
18
|
|
3"
|
10-16
|
78
|
310
|
138
|
160
|
200
|
155
|
280
|
3
|
20
|
8
|
18
|
|
4"
|
10-16
|
100
|
350
|
158
|
180
|
220
|
168
|
300
|
3
|
20
|
8
|
18
|
|
三片式德标球阀很小的转动力矩就能关闭严密。阀体内腔为介质提供了阻力很小、直通的流道。德标法兰球阀的主要特点是本身结构紧凑,易于操作和维修,适用于水、溶剂、酸和天然气等一般工作介质,
三片式德标球阀还适用于工作条件恶劣的介质,如氧气过氧化氢,甲烷和乙烯等。
·三片式德标球阀质保体系:
有了您的信任与支持,我们提供值得信赖的Ruihao品牌产品,我们支持一系列的系统技术参数、技术指导、文件支持,实行质量跟踪、客户档案、售后保障。
·三片式德标球阀产品标准:
我们的产品按国际及国内相关标准验收,产品实行"全程跟踪"服务;随货提供"铭牌""质量证明""质保卡",产品带有"说明书""检验报告"等相关说明。
·三片式德标球阀解决方案:
瑞濠公司为工业系统和水力提供的整体方案,我们专注产品质量,把握每一个产品细节全程控制; 不仅为用户解决需求,还保障了控制系统运行可靠性,减少系统的故障及维护,不懈努力的为用户提供高品质、高性能的产品。
·三片式德标球阀售后保障:
瑞濠公司实行完善的用户档案和全程服务制度,每个用户都进行全程免费技术咨询、安装指导、跟踪服务以及相关咨询服务。
瑞濠公司的阀门产品实行"三包"服务,货物到现场提供相应技术指导支持; 质保期实行12个月到24个月不等。
·三片式德标球阀订购说明:
1.阀门产品:如有指定型号标准,请直播销售热线咨询价格,了解详情!
2.技术支持:如没有指定产品型号规格,请把工况要求、设计图纸、技术规范,发送传真或邮件至本公司。
3.产品订货参数:通径(DN),公称压力(Mpa),温度(℃),连接方式(螺纹、法兰、对夹等)。
4.产品驱动方式:手动、蜗轮、气动、电动等。
5.产品标准:国标GB、日标JIS、美标ANSI、德标DIN、英标BS、欧标EN等。
6.报价确认:本公司提供报价清单及技术标准说明至客户确认,在双方技术各方面确认后再拟定合同。
7.阀门质量要求、质量标准、供方对质量负责的条件:按有关质量标准。