【V型电动调节球阀】瑞濠品牌.质量保证,瑞濠阀业全方面介绍V型电动调节球阀相关标准、选型、作用、结构图、规格型号;外形尺寸、工作原理、安装维护及产品说明书;为广大用户提供高品质、高性能、高标准、高寿命、价格优惠的系列V型电动调节球阀。
V型电动调节球阀产品概述:
V型电动调节球阀是一种直角回转的控制阀,它的启闭件是带V型开口的半球体,具有锋利的刃口。在球体回转过程中,密封面具有强有力的切断力和自清洁功能。球体的V型开口与阀座流道形成一个扇形区域,在回转过程中可改变流道截面积,形成对介质的线性等比例调节。因此电动V型调节球阀同时具备调节和开关两种功能,可与气动或电动执行器配套。
V型电动调节球阀设计标准:
1、法兰标准:GB/T9113-2010、JB/T79-1994、HG/T20592-2009 ASMEB16.5 EN1092-1: 2001
2、压力一温度额定值:GB/T12224-2007 ASME B16.34-2003 IS07005-1
3、结构长度标准: 对夹式:企业标准 法兰式:ISA 75.04-1995,IEC/DIN 534-3-2
4、适应温度范围: 常温型一-40℃一120℃ 中温型一120℃-450℃ 高温型 一大于450℃
5、密封等级:硬密封IV级密封
、密封VI级密封
6
、阀体材质: 铸钢, 304、316L、2205等
7、阀座材质: 不锈钢硬化处理
PEEK, 进口PTFE
8、产品规格:DN 25~250mm NPS 1”-10” (对夹式)
DN 25~500mm NPS 1”-20” (法兰式)
9、压力等级:PN 10/16/25/40/63
ANSI 150/300/600
10、强度及密封试验标准:GB/T 4213-2007
11、硬密封等级:用户无要求时按一般标准,用户要求时可以按GB/T4213-2007V级标准执行。
V型电动调节球阀产品特点:
1. 阀体:
a) 整体式设计,为阀体提供了更高的强度,可以更好地承受管道压力
b) 避免了两片式阀体因法兰连接产生的泄露
c) 同时具有法兰对夹两种结构
2. 阀芯:
a) 设计的V型球对介质具有强有力的剪切作用和密封性能,对介质的流量特性达到等比例调节。
b) 可以采用镀硬铬,离子氮化,音速喷涂等密封面硬化工艺增加密封面的硬度,耐磨性能,耐腐蚀性能。
c) 研磨后的球面减小了密封面间的摩擦力,从而减小了扭矩。
3. 阀座:
a) 无阀座盖式设计,避免了阀座与阀体间产生容易堵塞的死角,避免了阀座卡死的情况。
b) 阀座弹簧采用卡簧设计,在为阀座密封提供预紧力的同时,大大减小了驱动阀门所需的扭矩。
c) 带有预紧力的阀座即使在较小的压差下也能给阀门提供良好的密封
4. 阀杆:
a) 固定式球阀结构,上、下双阀杆双轴承对阀芯进行固定,具有更高的稳定性,轴承为复合材料、转动轴承载面烧结处理的自润滑轴承,具有较强的耐磨性能。减轻了扭矩,避免了阀门长期使用,阀杆咬死。
V型电动调节球阀产品性能:
1、阀体整体式结构:对夹式和法兰式V型球阀阀体都是整体侧装式结构,结构刚性强,不容易引起变形和外泄。
2、上下自润滑轴承:阀体内装有上下自润滑轴承,与阀杆接触面积大,承载能力高,磨擦系数小,使阀门的扭矩减少。
3、阀座可根据介质和工况的需要,选金属硬密封或PTFE软密封:金属硬密封阀座密封表面堆焊硬质合金,球 面镀硬铬或喷焊、离子氮化等硬化处理,使密封面使用寿命增强,耐温提高;软密封PTFE阀座或增强PTFE阀座密封性好 耐腐蚀,适应范围广。
4、经济实用性:阀体重量轻,阀杆扭矩小,配用气动或电动执行器相应规格小,与其它类型的调节阀相比,性价比高。
5,介质适应范围广:由于V型开口与阀座之间的剪切作用力,及阀内腔流道的光滑圆整,使介质不易积存于内腔,所以 它除适合液体介质外,更适合于带纤维及固体颗料介质的系统控制。
6、小流量控制:通过对小口径阀芯V型开口的加工,可实现小Cv值控制。
V型电动调节球阀
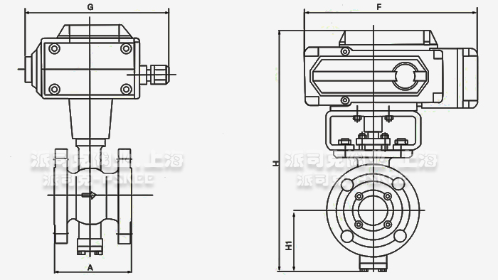
V型电动调节球阀外形尺寸表:
|
口径DN
(mm)
|
A
|
B
|
F
|
G
|
H1
|
H
|
参考重量(kg)
|
|
25
|
50
|
66
|
157
|
140
|
73
|
390
|
6
|
|
40
|
60
|
81
|
207
|
147
|
85
|
440
|
7.5
|
|
50
|
75
|
100
|
207
|
147
|
99
|
450
|
8.5
|
|
65
|
85
|
120
|
256
|
182
|
113
|
495
|
10
|
|
80
|
100
|
132
|
256
|
182
|
127
|
500
|
16.5
|
|
100
|
115
|
158
|
256
|
182
|
137
|
588
|
20
|
|
125
|
135
|
183
|
256
|
182
|
155
|
632
|
23
|
|
150
|
160
|
216
|
256
|
182
|
172
|
704
|
34
|
|
200
|
200
|
268
|
380
|
240
|
198
|
814
|
53
|
|
250
|
240
|
323
|
380
|
240
|
231
|
920
|
82
|
V型电动调节球阀产品应用:
V型球阀属于固定球阀,由V型阀体、气动执行机构、定位器及其他附件组成,是一种直角回转结构,可实现流量调节的作用,且调节性能是球阀中理想的,还可根据V型球体的V型角度,实现不同程度的比例调节,比例可达100:1。它的V型切口与金属阀座之间具有剪切作用,适合含纤维、微小固体颗粒、料浆等介质。,广泛使用于造纸、化工、石油、化纤、电力、冶金、制药、能源、冶金、采矿、环保、印染、轻工、食品、等各个领域。

·V型电动调节球阀质保体系:
有了您的信任与支持,我们提供值得信赖的Ruihao品牌产品,我们支持一系列的系统技术参数、技术指导、文件支持,实行质量跟踪、客户档案、售后保障。
·V型电动调节球阀产品标准:
我们的产品按国际及国内相关标准验收,产品实行"全程跟踪"服务;随货提供"铭牌""质量证明""质保卡",产品带有"说明书""检验报告"等相关说明。
·V型电动调节球阀解决方案:
瑞濠公司为工业系统和水力提供的整体方案,我们专注产品质量,把握每一个生产细节全程控制; 不仅为用户解决需求,还保障了控制系统运行可靠性,减少系统的故障及维护,不懈努力的为用户提供高品质、高性能的产品。
·V型电动调节球阀售后保障:
瑞濠公司实行完善的用户档案和全程服务制度,每个用户都进行全程免费技术咨询、安装指导、跟踪服务以及相关咨询服务。
瑞濠公司的阀门产品实行"三包"服务,货物到现场提供相应技术指导支持; 质保期实行12个月到24个月不等。
·V型电动调节球阀订购说明:
1.阀门产品:如有指定型号标准,请直播销售热线咨询价格,了解详情!
2.技术支持:如没有指定产品型号规格,请把工况要求、设计图纸、技术规范,发送传真或邮件至本公司。
3.产品订货参数:通径(DN),公称压力(Mpa),温度(℃),连接方式(螺纹、法兰、对夹等)。
4.产品驱动方式:手动、蜗轮、气动、电动等。
5.产品标准:国标GB、日标JIS、美标ANSI、德标DIN、英标BS、欧标EN等。
6.阀门报价确认:本公司提供报价清单及技术标准说明至客户确认,在双方技术各方面确认后再拟定合同。
7.阀门质量要求、质量标准、供方对质量负责的条件:按有关质量标准。