

| 球阀 |
| 闸阀 |
| 蝶阀 |
| 截止阀 |
| 止回阀 |
| 排气阀 |
| 过滤器 |
| 电磁阀 |
| 旋塞阀 |
| 平衡阀 |
| 减压阀 |
| 调节阀 |
| 角座阀 |
| 针型阀 |
| 疏水阀 |
| 管夹阀 |
| 隔膜阀 |
| 阻火器 |
| 呼吸阀 |
| 排泥阀 |
| 液压阀 |
| 放料阀 |
| 柱塞阀 |
| 低温阀门 |
| 衬氟阀门 |
| 塑料阀门 |
| 刀型闸阀 |
| 陶瓷阀门 |
| 黄铜阀门 |
| 水力控制阀 |
| 电动气动阀门 |
| 特材阀门 |
| 进入更多阀门系列 |

| 产品品牌 | Ruihao |
| 产品型号 | DSBP741X,LHS741X |
| 产品口径 | DN50-DN500 |
| 产品压力 | PN10-PN16 |
| 产品材质 | 球铁,不锈钢 |
| 产品应用 | 城市供水 |
| 产品特点 | ●瑞濠阀门,Ruihao工业品质。 ●质量保证,交货快捷,售后完善。 ●产品三包:包修、包换、包退。 ●(Ruihao)Pipeline Safety Keeper。 ●Ruihao工业品牌阀门,管道的安全管理员。 ●销售热线:+8613676550726、31007662。 |
| 公称压力 | 1.6MPa | |
| 试压压力 | 强度试验 | 2.4MPa |
| 上密封试验 | 1.76MPa | |
| 密封试验 | ||
| 气密封试验 | 0.6MPa | |
| 上下开启压差 | 0.02MPa | |
| 泄放压差 | ||
| 工作温度 | 80℃ | |
| 适用介质 | 水 | |
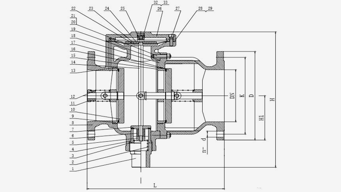
| 序号 | 零件名称 | 材质 | 序号 | 零件名称 | 材质 | 序号 | 零件名称 | 材质 |
| 1 | 泄水接头 | 304 | 11 | 弹簧座 | 304 | 21 | 六角螺母 | 304 |
| 2 | 泄水弹簧 | 304 | 12 | 弹簧 | 304 | 22 | 膜片下压板 | 304 |
| 3 | 泄水阀座 | 304 | 13 | O型圈 | EPDM | 23 | 膜片 | EPDM |
| 4 | O型圈 | EPDM | 14 | 阀杆 | 304 | 24 | 膜片上压板 | 304 |
| 5 | 导叶螺母 | 304 | 15 | 后止回阀阀座 | 304 | 25 | 六角螺母 | 304 |
| 6 | 隔套 | PTFE | 16 | 后止回阀阀盘 | 304+EPDM | 26 | 阀盖 | QT450-10 |
| 7 | 泄水阀瓣 | 304 | 17 | O型圈 | EPDM | 27 | 内六角螺钉 | 304 |
| 8 | 主阀体 | QT450-10 | 18 | 副阀体 | QT450-10 | 28 | 六角螺丝 | 304 |
| 9 | 前止回阀阀座 | 304 | 19 | O型圈 | EPDM | 29 | 橡胶垫 | EPDM |
| 10 | 前止回阀阀盘 | 304+EPDM | 20 | 双头螺栓 | 304 |
|
|
|
| 型号 | DN | L | H | D | K | n-Φd | |||
| PN10 | PN16 | PN10 | PN16 | PN10 | PN16 | ||||
| DSBP741X-10/16 | 50 | 230 | 250 | 165 | 165 | 125 | 125 | 4-19 | 4-19 |
| DSBP741X-10/16 | 65 | 236 | 286 | 185 | 185 | 145 | 145 | 4-19 | 4-19 |
| DSBP741X-10/16 | 80 | 276 | 300 | 200 | 200 | 160 | 160 | 8-19 | 8-19 |
| DSBP741X-10/16 | 100 | 298 | 347 | 220 | 220 | 180 | 180 | 8-19 | 8-19 |
| DSBP741X-10/16 | 125 | 303 | 365 | 250 | 250 | 210 | 210 | 8-19 | 8-19 |
| DSBP741X-10/16 | 150 | 364 | 404 | 285 | 285 | 240 | 240 | 8-23 | 8-23 |
| DSBP741X-10/16 | 200 | 470 | 520 | 340 | 340 | 295 | 295 | 8-23 | 12-23 |
| DSBP741X-10/16 | 250 | 470 | 520 | 395 | 405 | 350 | 355 | 12-23 | 12-28 |
| DSBP741X-10/16 | 300 | 580 | 680 | 445 | 460 | 400 | 410 | 12-23 | 12-28 |
| DSBP741X-10/16 | 400 | 740 | 900 | 565 | 580 | 515 | 525 | 16-28 | 16-32 |
| DSBP741X-10/16 | 500 | 900 | 1100 | 670 | 715 | 620 | 650 | 20-28 | 20-32 |