COD四氟电磁阀产品简述:
COD四氟电磁阀是用于环境监测仪器或臭氧发生器上的小型COD电磁阀,用于环境监测仪器或臭氧发生器上的小型消解电磁阀。
COD电磁阀有PTFE和PFA两种材质,PFA是一种改性聚四氟,具有与聚四氟材料相似的耐腐蚀性,且具有较高的强度和硬度。
COD四氟电磁阀技术参数:
产品型号ZF4-N(3~5.5)ZF4-A
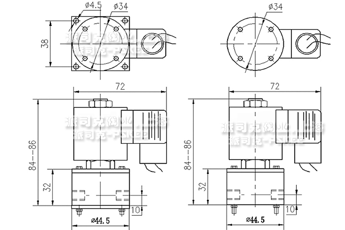
公称通径 ZF4-N(DN3~5.5MM)
ZF4-A( DN8-10MM )
联接方式 M8×1、G1/8、G1/4 、G3/8
使用压力 0~0.4MPa
本体材质 聚四氟(PTFE),PFA
适用介质 强酸碱、有机溶剂(需备注说明)
环境温度 Max.+60℃
介质温度 5℃~150℃
直流电压: DC24V/DC12V.其它电压可定做
交流电压: AC110V、AC220V、AC380V
线圈功率: AC220V 20VA
DC24V、DC12V 8W、15W、25W
COD四氟电磁阀产品特点:
e) 腐蚀性流体与金属部件(动铁芯、弹簧)隔断,即流体只与聚四氟、密封件接触,实现了结构上真正的耐腐蚀。
f) 密封件:高科技密封件,耐腐蚀性强,可耐各种强酸(98%浓硫酸)强碱、强氧化剂及有机溶剂,可长期使用无损坏。
g) 活塞式结构取代了膜片,避免膜片由于腐蚀性流体的作用而破裂、膨胀失效,使得电磁阀使用寿命大大增长。
h) 嵌入式密封结构,密封性能更加可靠,实现电磁阀零泄漏。
COD四氟电磁阀性能特点:
●耐腐蚀、温升低、声音小。
●聚四氟的阀体,应用于各种腐蚀性流体,达到零泄露。
●密封件:新高科技密封件,耐腐蚀性强,可长期使用无损坏。
●快关快开,水气油通用,动作快速,反应灵敏。
●耐腐蚀性强,可耐各种强酸(98%浓硫酸)强碱、强氧化剂及有机溶剂。
●维护也十分简单,具有更高的可靠性,更长的使用寿命。
COD四氟电磁阀应用范围:
COD四氟电磁阀适用于加热硫酸用的COD分析仪器等用途,采用独特的构造,在高温下也不会泄漏,能够连续通电,
广泛应用于水质监测仪器、水质在线分析仪器、总磷总氮,重金属,COD氨氮在线分析仪等。

·COD四氟电磁阀质保体系:
有了您的信任与支持,我们提供值得信赖的Ruihao品牌产品,我们支持一系列的系统技术参数、技术指导、文件支持,实行质量跟踪、客户档案、售后保障。
·COD四氟电磁阀产品标准:
我们的产品按标准验收,产品质量实行"售后跟踪"服务;随货提供"铭牌""质量证明""质保卡",产品并带有"说明书""检验报告"等相关说明。
·COD四氟电磁阀解决方案:
瑞濠公司为工业系统和水力提供的整体方案,我们专注产品质量,把握每一个产品细节全程控制; 不仅为用户解决需求,还保障了控制系统运行可靠性,减少系统的故障及维护,不懈努力的为用户提供高品质、高性能的产品。
·COD四氟电磁阀售后保障:
瑞濠公司实行完善的用户档案和全程服务制度,每个用户都进行全程免费技术咨询、安装指导、跟踪服务以及相关咨询服务。
瑞濠公司的阀门产品实行"三包"服务,货物到现场提供相应技术指导支持; 质保期实行12个月到24个月不等。
·COD四氟电磁阀订购说明:
1.阀门产品:如有指定型号标准,请直播销售热线咨询价格,了解详情!
2.技术支持:如没有指定产品型号规格,请把工况要求、设计图纸、技术规范,发送传真或邮件至本公司。
3.产品订货参数:通径(DN),公称压力(Mpa),温度(℃),连接方式(螺纹、法兰、对夹等)。
4.产品驱动方式:手动、蜗轮、气动、电动等。
5.产品标准:国标GB、日标JIS、美标ANSI、德标DIN、英标BS、欧标EN等。
6.报价确认:本公司提供报价清单及技术标准说明至客户确认,在双方技术各方面确认后再拟定合同。
7.阀门质量要求、质量标准、供方对质量负责的条件:按质量标准。