【陶瓷密封蝶阀】瑞濠品牌.质量保证,瑞濠阀业全方面介绍【
陶瓷密封蝶阀】相关标准、选型、作用、结构图、规格型号;为您提供
陶瓷阀门外形尺寸、工作原理、产品说明书、安装维护及产品示意图;为广大用户提供高品质、高性能、高标准、高寿命、价格优惠及一整套解决方案的系列陶瓷密封蝶阀。
陶瓷密封蝶阀产品简述:
陶瓷蝶阀采用结构陶瓷密封副作为运动面。由于陶瓷硬度高,耐磨损,具有自润性。解决了蝶阀在高磨损介质中密封面容易被损坏的问题,并且陶瓷具有很高的化学惰性,不与大多数化学介质反应,因此密封面也不会被腐蚀。
陶瓷密封蝶阀设计标准:
设计与制造:JB/T 8691
结构长度:GB/T15188.2
法兰尺寸:JB/8691
碳钢材料:GB/T 12229
不锈钢材料:GB/T 12230
标志:GB/T 12220
供货:GB/T 12252
陶瓷密封蝶阀产品特点:
·陶瓷蝶阀密封副采用结构陶瓷材料,减小运动部分的摩擦,确保密封性,延长阀门的使用寿命。
·体积小,重量轻,操作灵活, 低扭矩值,经济实用。
·陶瓷蝶阀可根据不同工况选择阀门材料:碳钢、不锈钢等。
·陶瓷良好的耐腐性,让本阀经久耐用,可靠性高,使用寿命长。
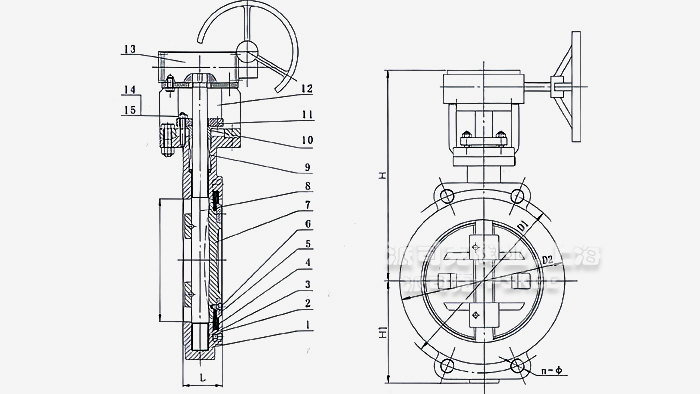
陶瓷密封蝶阀主要材料表:
|
序号
|
名称
|
材料
|
|
1
|
阀体
|
WCB
|
|
2
|
阀座压板
|
25#
|
|
3
|
轴套
|
PTFE
|
|
4
|
阀座
|
工程陶瓷
|
|
5
|
封圈压板
|
25#
|
|
6
|
密封圈
|
工程陶瓷
|
|
7
|
蝶板
|
WCB
|
|
8
|
阀杆
|
2Cr13
|
|
9
|
填料
|
304+柔性石墨
|
|
10
|
填料压套
|
1Cr13
|
|
11
|
填料压板
|
WCB
|
|
12
|
支架
|
Q235
|
|
13
|
蜗轮
|
|
14
|
双头螺栓
|
B7
|
|
15
|
螺母
|
2H
|
陶瓷密封蝶阀外表尺寸表:
|
DN
|
L
|
D1
|
D2
|
H
|
H1
|
N-Φd
|
|
50
|
43
|
45
|
43
|
238
|
112
|
4-18
|
|
65
|
46
|
46
|
46
|
255
|
115
|
4-18
|
|
80
|
49
|
49
|
49
|
260
|
120
|
4-18
|
|
100
|
56
|
56
|
56
|
282
|
138
|
4-18
|
|
125
|
64
|
64
|
64
|
296
|
164
|
4-18
|
|
150
|
70
|
70
|
70
|
380
|
172
|
4-20
|
|
200
|
71
|
71
|
71
|
397
|
208
|
4-M20
|
|
250
|
76
|
295
|
266
|
437
|
243
|
4-M20
|
|
300
|
83
|
295
|
266
|
517
|
283
|
4-M20
|
陶瓷密封蝶阀产品应用:
陶瓷蝶阀采用陶瓷结构材料制作阀门的密封部件和易损部件,提高了阀门产品的耐磨性、防腐性及密封性,大大延长了阀门使用寿命。陶瓷蝶阀主要应用于电力、石油、冶金、化工、采矿、污水处理等工业领域,陶瓷蝶阀尤其是面对高磨损、强腐蚀、高温、高压等恶劣工况。

·陶瓷蝶阀质保体系:
有了您的信任与支持,我们提供值得信赖的Ruihao品牌产品,我们支持一系列的系统技术参数、技术指导、文件支持,实行质量跟踪、客户档案、售后保障。
·陶瓷蝶阀产品标准:
我们的产品按相关标准验收,产品质量实行"售后跟踪"服务;随货提供"铭牌""质量证明""质保卡",产品并带有"说明书""检验报告"等相关说明。
·陶瓷蝶阀解决方案:
瑞濠公司为工业系统和水力提供的整体方案,我们专注产品质量,把握每一个产品细节全程控制; 不仅为用户解决需求,还保障了控制系统运行可靠性,减少系统的故障及维护,不懈努力的为用户提供高品质、高性能的产品。
·陶瓷蝶阀售后保障:
瑞濠公司实行完善的用户档案和全程服务制度,每个用户都进行全程免费技术咨询、安装指导、跟踪服务以及相关咨询服务。
瑞濠公司的阀门产品实行"三包"服务,货物到现场提供相应技术指导支持; 质保期实行12个月到24个月不等。
·陶瓷蝶阀订购说明:
1.阀门产品:如有指定型号标准,请直播销售热线咨询价格,了解详情!
2.技术支持:如没有指定产品型号规格,请把工况要求、设计图纸、技术规范,发送传真或邮件至本公司。
3.产品订货参数:通径(DN),公称压力(Mpa),温度(℃),连接方式(螺纹、法兰、对夹等)。
4.产品驱动方式:手动、蜗轮、气动、电动等。
5.产品标准:国标GB、日标JIS、美标ANSI、德标DIN、英标BS、欧标EN等。
6.报价确认:本公司提供报价清单及技术标准说明至客户确认,在双方技术各方面确认后再拟定合同。
7.阀门质量要求、质量标准、供方对质量负责的条件:按有关质量标准。