【800X压差旁通平衡阀】瑞濠品牌一体化解决方案,瑞濠阀业全方面介绍
800X压差旁通平衡阀图例、相关标准、选型、作用、结构图、规格型号;为您提供
水力控制阀外形尺寸、工作原理、安装维护及产品说明书;为广大用户打造高品质、高性能、高标准、高寿命、价格优惠的系列压差旁通阀。
800X压差旁通平衡阀产品简述:
800X压差旁通平衡阀是一种用于空调系统回水之间以平衡压差的阀门。以及防止过大压差对系统设备的损坏。保持压差的恒定值,可降低系统的噪音,800X压差旁通阀优越与其他平衡阀的地方在于它没有执行机构,靠介质自身的压力差来达到平衡系统的功能,节约能源及安装空间,是一种智能型阀门。
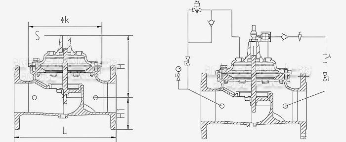
800X压差旁通平衡阀产品结构:
800X压差旁通平衡阀由主阀、压差控制导阀、针阀、球阀、微形过滤器和压力表组成水力控制接管系统。通过专门设计的导阀控制室,对压力变化信号进行比较,输出主阀开度信号,控制主阀开度,从而控制主阀的进出口压差在设定值上。
本产品利用水力自力控制,不需要其它装置和能源,保养简便。
本系列800X压差旁通阀产品广泛用于高层建筑、生活区等供水管网系统及城市供水工程。
800X压差旁通平衡阀性能特点:
·恒定阀门两端及被控系统压差,支持用户系统变流量运行;
·依靠压差自动工作无须外界动力;
·可以直接显示控制压差;
·可以直接设定控制压差;
·控制压差调节灵敏,操作简单;
800X压差旁通平衡阀工作原理:
800X压差旁通阀由主阀、压差控制导阀、针阀、球阀、微形过滤器和压力表组成水力控制接管系统。通过专门设计的导阀控制室,对压力变化信号进行比较,输出主阀开度信号,控制主阀开度,从而控制主阀的进出口压差在设定值上。当主阀进出口间压差变化时,接管A与接管B间压差发生变化,此变导阀的开度。压差大时导阀开度大,控制室通过C管的下泄水量变大,主阀控制室压力下降,主阀开度变大,主阀进出口间压差变小。反之,若主阀进出口间压差变小,则导阀开度变小,主阀控制室压力上升,推动主阀开度减小而使主阀压差变大。这种负反馈作用使主阀进出口间压差稳定在社顶值上。设定针阀开度和导阀弹簧压力可设定主阀进出口间压差。
800X压差旁通平衡阀技术参数:
|
公称压力(Mpa)
|
壳体试验压力(MPa)
|
密封试验压力(MPa)
|
适用介质
|
介质温度(℃)
|
|
1.0
|
1.5
|
1.1
|
水
|
0-80
|
|
1.6
|
2.4
|
1.76
|
|
2.5
|
3.75
|
2.75
|
800X压差旁通平衡阀产品用途:
常闭型旁通压差控制阀用于燃油、燃气热源供、回水管,空调的分、集水器之间,作为一次测定流量,二次侧变流量系统的旁通安装,可有效保护燃油、燃气机组不会因流量过小导致的温度过高而损坏,可有效的保护冷水机组因流量过小而造成的局部冻结而损坏。常开型旁通压差控制阀用于高度差较大且热源在高区的集中供热系统,使用时按高度差设定该阀的压差,并在低区回水管适当位置安装减压泵、止回阀,调节阀组成的回水减压装置,通过调节阀来调节并设定回水管压力,这样既可保证高区用户不会出现倒空现象,又可保护低区设备不会因压力过高而损坏。
800X压差旁通平衡阀主要零件材质:
|
零件名称
|
零件材料
|
|
阀体 阀盖
|
QT450、WCB、304
|
|
阀座 阀盘
|
2Cr13
|
|
密封圈 O型圈
|
丁腈橡胶
|
|
阀杆
|
2Cr13
|
|
弹簧
|
50CrVA
|
|
缸套 活塞(活塞型)
|
2Cr13
|
|
膜片(膜片型)
|
夹织物丁腈橡胶
|
|
泄压/持压导阀
|
不锈钢
|
|
针型阀 球阀
|
不锈钢
|
|
过滤器
|
不锈钢
|
800X压差旁通平衡阀外形尺寸表:
|
7
|
50
|
65
|
80
|
100
|
125
|
150
|
200
|
250
|
300
|
350
|
400
|
450
|
500
|
600
|
|
L
|
230
|
290
|
310
|
350
|
350
|
480
|
600
|
730
|
850
|
850
|
1100
|
1250
|
1250
|
1450
|
|
H
|
139
|
159
|
179
|
214
|
214
|
333
|
407
|
476
|
526
|
526
|
624
|
624
|
720
|
835
|
|
H1
|
85
|
95
|
102
|
112
|
127
|
145
|
172
|
205
|
232
|
262
|
325
|
325
|
360
|
425
|
|
K
|
173
|
198
|
226
|
265
|
265
|
351
|
436
|
524
|
606
|
606
|
741
|
741
|
1002
|
1308
|
|
S
|
38
|
38
|
38
|
12
|
12
|
12
|
34
|
1
|
1
|
1
|
1-12
|
2
|
2
|
2
|
|
Kg
|
14
|
19
|
23
|
32
|
45
|
68
|
125
|
200
|
260
|
310
|
620
|
880
|
880
|
1300
|
800X压差旁通平衡阀安装说明:
1. 压差旁通阀就小心装卸,建议用软的绳索起吊,以免损坏阀及配管,保护涂装层,阀门应小心地放落地下,不能直接落于地面
2. 安装前的检查:在装卸到目的地后,先按说明书上的内容检查确认,配管是否正确,连接是否可靠,运输过程中有无对阀门进行损坏,各种零件是否完整。
3. 安装前应清理管道中的杂物,检查相应的法兰与阀门的法兰压力等级,公称通径相一致,以保持管路畅通。
4. 在压差平衡阀前后,应安装两只闸阀,以检测及维修时使用。
5. 压差向导阀之感应压力的管道应直接接在供水及回水管道上,以达到能准确反应供回之间的压差,为安装使用的方便,可在感应管道上装上小球阀。
800X压差旁通平衡阀使用说明:
1. 使用前先检查所有闸阀、球阀、针型阀是否在全通状态.
2. 观测供/回水之间的压力,根据压差值调整800X压差旁通阀压差向导阀,拧开向导阀之上的顶帽,用活动扳手旋转顶部螺杆,从上往下看,顺时针旋转,时压差增加,逆时针旋转时压差减小,根据所需的左值进行旋转,当压差达到目的所需要求时,拧上顶帽,些时压差就会保证在设定的压差值,而不论管道的压力变化如何。
3. 800X压差旁通阀主阀的动作速度可由针阀进行调整,当顺时针旋转时动作减慢,当逆时针旋转时动作加快,正常情况下,针阀已设定好,而不需要进行调整。

·800X压差旁通平衡阀质保体系:
有了您的信任与支持,我们提供值得信赖的Ruihao品牌产品,我们支持一系列的系统技术参数、技术指导、文件支持,实行质量跟踪、客户档案、售后保障。
·800X压差旁通平衡阀产品标准:
我们的产品按相关标准验收,产品质量实行"售后跟踪"服务;随货提供"铭牌""质量证明""质保卡",产品并带有"说明书""检验报告"等相关说明。
·800X压差旁通平衡阀解决方案:
瑞濠公司为工业系统和水力提供的整体方案,我们专注产品质量,把握每一个产品细节全程控制; 不仅为用户解决需求,还保障了控制系统运行可靠性,减少系统的故障及维护,不懈努力的为用户提供高品质、高性能的产品。
·800X压差旁通平衡阀售后保障:
瑞濠公司实行完善的用户档案和全程服务制度,每个用户都进行全程免费技术咨询、安装指导、跟踪服务以及相关咨询服务。
瑞濠公司的阀门产品实行"三包"服务,货物到现场提供相应技术指导支持; 质保期实行12个月到24个月不等。
·800X压差旁通平衡阀订购说明:
1.阀门产品:如有指定型号标准,请直播销售热线咨询价格,了解详情!
2.技术支持:如没有指定产品型号规格,请把工况要求、设计图纸、技术规范,发送传真或邮件至本公司。
3.产品订货参数:通径(DN),公称压力(Mpa),温度(℃),连接方式(螺纹、法兰、对夹等)。
4.产品驱动方式:手动、蜗轮、气动、电动等。
5.产品标准:国标GB、日标JIS、美标ANSI、德标DIN、英标BS、欧标EN等。
6.报价确认:本公司提供报价清单及技术标准说明至客户确认,在双方技术各方面确认后再拟定合同。
7.阀门质量要求、质量标准、供方对质量负责的条件:按有关质量标准。