【液压双向平衡阀】瑞濠品牌一体化解决方案,立洛阀业全方面介绍【液压双向平衡阀】相关标准、选型、作用、结构图、规格型号;外形尺寸、工作原理、安装维护及平衡阀产品说明书;为广大用户提供高品质、高性能、高标准、高寿命、价格优惠的系列液压平衡阀。
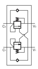
液压双向平衡阀图形符号:
液压双向平衡阀应用材料:
阀体:钢/Steel
阀芯:强化硬质钢l
密封:丁腈胶
液压双向平衡阀技术参数:
公称/ 压力:32 MPa
公称通径:10mm
公称流量:120 L/min
控制压力: 2~4.5MPa
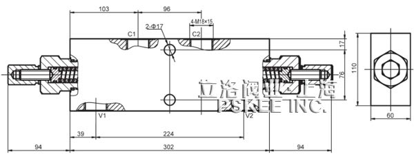
液压双向平衡阀外形尺寸图:

平衡阀是用来控制执行机构在一个方向(单平衡)或两个方向(双平衡)的停止和运动。
VBCD-DEA双向平衡阀技术参数:
应用材料
阀体:钢
阀芯:强化硬质钢
密封:丁腈胶/NBR
温度
理想工作温度:+40℃~+70℃
工作温度不可超过:+90℃
环境温度:-20℃~+60℃
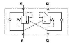
VBCD-DEA双向平衡阀原理图:
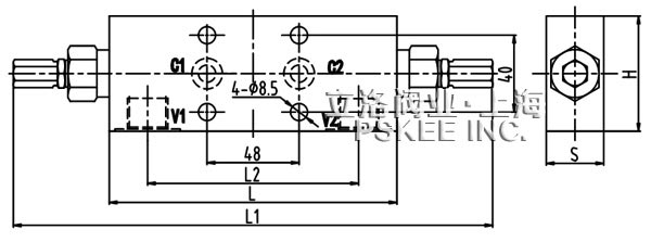
VBCD-DEA双向平衡阀外形尺寸图:
VBCD-DEA双向平衡阀外形尺寸表:
|
型号
|
流量
|
工作压力(Mpa)
|
先导比
|
V1-V2
|
C1-C2
|
|
钢
|
铝
|
|
VBCD-G3/8-DE-FL
|
40
|
350
|
210
|
4:5:1
|
G3/8
|
Φ9
|
|
VBCD-G1/2-DE-FL
|
60
|
G1/2
|
Φ9
|
|
外形尺寸
|
L
|
L1
|
L2
|
H
|
S
|
O-ring
|
|
VBCD-G3/8-DE-FL
|
150
|
250
|
110
|
60
|
30
|
10.78*2.62
|
|
VBCD-G1/2-DE-FL
|
150
|
250
|
110
|
65
|
35
|
10.78-2.62
|
液压平衡阀是用来控制执行机构在一个方向(单平衡)或两个方向(双平衡)的停止和运动。
VBCD-DEA-FLV双向平衡阀技术参数:
应用材料/MATERIAL EMPLOYED
阀体/BODY:钢/Steel
阀芯/VALVES:强化硬质钢/Hardened Steel
密封/SEALS:丁腈胶/NBR
VBCD-DEA-FLV双向平衡阀外形尺寸表:
|
型号
|
流量
|
工作压力(Mpa)
|
先导比
|
V1-V2
|
C1-C2
|
|
钢
|
铝
|
|
VBCD-G3/8-DE-FL
|
40
|
350
|
210
|
4:5:1
|
G3/8
|
Φ9
|
|
VBCD-G1/2-DE-FL
|
60
|
G1/2
|
Φ9
|
|
外形尺寸
|
L
|
L1
|
L2
|
L3
|
L4
|
L5
|
H1
|
H
|
S
|
|
VBCD-G3/8-DE-FL
|
150
|
250
|
110
|
20
|
50
|
12.5
|
30
|
70
|
30
|
|
VBCD-G1/2-DE-FL
|
150
|
250
|
110
|
20
|
50
|
18
|
32
|
80
|
30
|

·液压双向平衡阀质保体系:
有了您的信任与支持,我们提供值得信赖的Ruihao品牌产品,我们支持一系列的系统技术参数、技术指导、文件支持,实行质量跟踪、客户档案、售后保障。
·液压双向平衡阀产品标准:
我们的产品按国家相关标准验收,产品质量实行"售后跟踪"服务;随货提供"铭牌""质量证明""质保卡",产品并带有"说明书""检验报告"等相关说明。
·液压双向平衡阀解决方案:
立洛公司为工业系统和水力提供的整体方案,我们专注产品质量,把握每一个产品细节全程控制; 不仅为用户解决需求,还保障了控制系统运行可靠性,减少系统的故障及维护,不懈努力的为用户提供高品质、高性能的产品。
·液压双向平衡阀售后保障:
立洛公司实行完善的用户档案和全程服务制度,每个用户都进行全程免费技术咨询、安装指导、跟踪服务以及相关咨询服务。
立洛公司的阀门产品实行"三包"服务,货物到现场提供相应技术指导支持; 质保期实行12个月到24个月不等。
·液压双向平衡阀订购说明:
1.阀门产品:如有指定型号标准,请直播销售热线咨询价格,了解详情!
2.技术支持:如没有指定产品型号规格,请把工况要求、设计图纸、技术规范,发送传真或邮件至本公司。
3.产品订货参数:通径(DN),公称压力(Mpa),温度(℃),连接方式(螺纹、法兰、对夹等)。
4.产品驱动方式:手动、蜗轮、气动、电动等。
5.产品标准:国标GB、日标JIS、美标ANSI、德标DIN、英标BS、欧标EN等。
6.报价确认:本公司提供报价清单及技术标准说明至客户确认,在双方技术各方面确认后再拟定合同。
7.阀门质量要求、质量标准、供方对质量负责的条件:按国家有关质量标准。