【整体式下车多路阀】瑞濠品牌一体化解决方案,立洛阀业全方面介绍【整体式下车多路阀】相关标准、选型、作用、结构图、规格型号;外形尺寸、工作原理、安装维护及多路阀产品说明书;为广大用户提供高品质、高性能、高标准、高寿命、价格优惠的系列多路阀。
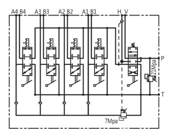
整体式下车多路阀液压原理图:

用于各种工程机械、矿山机械及其它行业机械的液压控制系统中。
额定压力/Rated Pressure : 21MPa
额定流量/Rated Flow : (P → V)120 L/min
(P → C)63 L/min
4SDN20/10-21整体式下车多路阀外形尺寸:
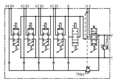
5SDN20/10-21整体式下车多路阀技术参数:
额定压力/Rated Pressure : 21MPa
额定流量/Rated Flow : (P → V)120 L/min
(P → C)63 L/min
5SDN20/10-21整体式下车多路阀原理图:
5SDN20/10-21整体式下车多路阀液压外形尺寸图:

·整体式下车多路阀质保体系:
有了您的信任与支持,我们提供值得信赖的Ruihao品牌产品,我们支持一系列的系统技术参数、技术指导、文件支持,实行质量跟踪、客户档案、售后保障。
·整体式下车多路阀产品标准:
我们的产品按国家相关标准验收,产品质量实行"售后跟踪"服务;随货提供"铭牌""质量证明""质保卡",产品并带有"说明书""检验报告"等相关说明。
·整体式下车多路阀解决方案:
立洛公司为工业系统和水力提供的整体方案,我们专注产品质量,把握每一个产品细节全程控制; 不仅为用户解决需求,还保障了控制系统运行可靠性,减少系统的故障及维护,不懈努力的为用户提供高品质、高性能的产品。
·整体式下车多路阀售后保障:
立洛公司实行完善的用户档案和全程服务制度,每个用户都进行全程免费技术咨询、安装指导、跟踪服务以及相关咨询服务。
立洛公司的阀门产品实行"三包"服务,货物到现场提供相应技术指导支持; 质保期实行12个月到24个月不等。
·整体式下车多路阀订购说明:
1.阀门产品:如有指定型号标准,请直播销售热线咨询价格,了解详情!
2.技术支持:如没有指定产品型号规格,请把工况要求、设计图纸、技术规范,发送传真或邮件至本公司。
3.产品订货参数:通径(DN),公称压力(Mpa),温度(℃),连接方式(螺纹、法兰、对夹等)。
4.产品驱动方式:手动、蜗轮、气动、电动等。
5.产品标准:国标GB、日标JIS、美标ANSI、德标DIN、英标BS、欧标EN等。
6.报价确认:本公司提供报价清单及技术标准说明至客户确认,在双方技术各方面确认后再拟定合同。
7.阀门质量要求、质量标准、供方对质量负责的条件:按国家有关质量标准。