

| 球阀 |
| 闸阀 |
| 蝶阀 |
| 截止阀 |
| 止回阀 |
| 排气阀 |
| 过滤器 |
| 电磁阀 |
| 旋塞阀 |
| 平衡阀 |
| 减压阀 |
| 调节阀 |
| 角座阀 |
| 针型阀 |
| 疏水阀 |
| 管夹阀 |
| 隔膜阀 |
| 阻火器 |
| 呼吸阀 |
| 排泥阀 |
| 液压阀 |
| 放料阀 |
| 柱塞阀 |
| 低温阀门 |
| 衬氟阀门 |
| 塑料阀门 |
| 刀型闸阀 |
| 陶瓷阀门 |
| 黄铜阀门 |
| 水力控制阀 |
| 电动气动阀门 |
| 特材阀门 |
| 进入更多阀门系列 |

| 产品品牌 | Ruihao |
| 产品型号 | GLC系列 |
| 产品口径 | 0.4-90 |
| 产品压力 | 1Mpa |
| 产品材质 | 碳钢 |
| 产品应用 | 油冷却 |
| 产品特点 | ●瑞濠阀门,Ruihao工业品质。 ●质量保证,交货快捷,售后完善。 ●产品三包:包修、包换、包退。 ●(Ruihao)Pipeline Safety Keeper。 ●Ruihao工业品牌阀门,管道的安全管理员。 ●销售热线:+8613676550726、31007662。 |

| 型号 | 换热面积 | 压力(MPa) | 温度(℃) | 介质粘度 | 油流量范围(L/min) | 油/水流量 | 热交换量(Kcal/h) | 重量(kg) | |||||
| 工作压力 | 油压降 | 水压降 | 工作水温 | 工作油温 | 进油温度 | 出油温度 | |||||||
| GLC1-0.4 | 0.4 | 0.631 | ≤0.1 | ≤0.05 | 25~30 | ≤100 | 55 | ≤46 | 10~50 | 10~35 | 1:1 | 1300~3300 | 10 |
| GLC1-0.6 | 0.6 | 25~60 | 3300~5100 | 13 | |||||||||
| GLC1-0.8 | 0.8 | 35~60 | 3350~6500 | 15 | |||||||||
| GLC1-1.0 | 1.0 | 60~75 | 6100~7200 | 17 | |||||||||
| GLC1-1.2 | 1.2 | 60~85 | 6400~8400 | 19 | |||||||||
| GLC2-1.3 | 1.3 | 0.631 | ≤0.1 | ≤0.05 | 25~30 | ≤100 | 55 | ≤46 | 10~50 | 30~85 | 1:1 | 6400~11000 | 21 |
| GLC2-1.7 | 1.7 | 30~113 | 7400~17000 | 26 | |||||||||
| GLC2-2.1 | 2.1 | 30~113 | 9200~21500 | 29 | |||||||||
| GLC2-2.6 | 2.6 | 35~125 | 11300~26000 | 33 | |||||||||
| GLC2-3.0 | 3.0 | 35~125 | 12700~30000 | 37 | |||||||||
| GLC2-3.5 | 3.5 | 40~150 | 14500~34500 | 41 | |||||||||
| GLC3-4 | 4 | 0.631 | ≤0.1 | ≤0.05 | 25~30 | ≤100 | 55 | ≤46 | 10~50 | 35~170 | 1:1 | 14000~31000 | 57 |
| GLC3-5 | 5 | 35~190 | 17000~35000 | 70 | |||||||||
| GLC3-6 | 6 | 40~220 | 20000~45000 | 83 | |||||||||
| GLC3-7 | 7 | 45~240 | 24000~49500 | 90 | |||||||||
| GLC3-8 | 8 | 50~280 | 27000~56000 | 96 | |||||||||
| GLC3-9 | 9 | 50~290 | 31000~67000 | 105 | |||||||||
| GLC3-10 | 10 | 60~320 | 33590~69500 | 110 | |||||||||
| GLC3-11 | 11 | 60~350 | 37500~79000 | 118 | |||||||||
| GLC4-13 | 13 | 0.631 | ≤0.1 | ≤0.05 | 25~30 | ≤100 | 55 | ≤46 | 10~50 | 50~300 | 1:1 | 35000~70000 | 152 |
| GLC4-15 | 15 | 50~320 | 38000~75000 | 164 | |||||||||
| GLC4-17 | 17 | 60~350 | 42000~83000 | 175 | |||||||||
| GLC4-19 | 19 | 60~400 | 46000~89500 | 188 | |||||||||
| GLC4-21 | 21 | 70~430 | 50000~93000 | 200 | |||||||||
| GL41-23 | 23 | 70~450 | 55000~99000 | 213 | |||||||||
| GLC4-25 | 25 | 80~480 | 60000~102000 | 225 | |||||||||
| GLC4-27 | 27 | 80~520 | 60000~122000 | 238 | |||||||||

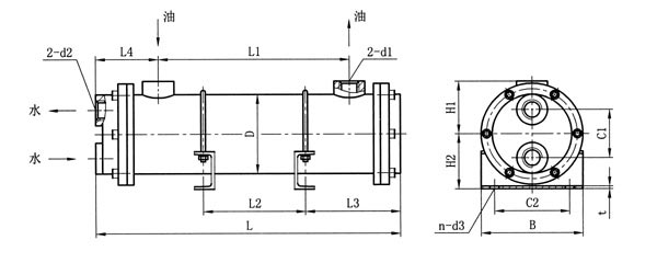
| 型号 | L | L1 | L2 | L3 | L4 | B | C1 | C2 | D | H1 | H2 | t | d1 | d2 | n-d3 |
| GLC1-0.4 | 383 | 240 | 145 | 116 | 75 | 132 | 48 | 102 | 83 | 68 | 74 | 2 | G1 | G3/4 | 4-Ф9 |
| GLC1-0.6 | 548 | 405 | 310 | ||||||||||||
| GLC1-0.8 | 678 | 532 | 435 | ||||||||||||
| GLC1-1.0 | 808 | 665 | 570 | ||||||||||||
| GLC1-1.2 | 948 | 805 | 715 | ||||||||||||
| GLC2-1.3 | 542 | 374 | 225 | 153 | 90 | 170 | 78 | 138 | 121 | 87 | 96 | 2 | G1 | G1 | 4-Ф11 |
| GLC2-1.7 | 668 | 500 | 350 | ||||||||||||
| GLC2-2.1 | 802 | 634 | 485 | ||||||||||||
| GLC2-2.6 | 944 | 776 | 630 | ||||||||||||
| GLC2-3.0 | 1094 | 926 | 780 | ||||||||||||
| GLC2-3.5 | 1252 | 1084 | 935 | ||||||||||||
| GLC3-4 | 815 | 570 | 380 | 203 | 136 | 210 | 100 | 170 | 168 | 109 | 117 | 2 | G11/2 | G11/4 | 4-Ф15 |
| GLC3-5 | 965 | 720 | 530 | ||||||||||||
| GLC3-6 | 1115 | 870 | 680 | ||||||||||||
| GLC3-7 | 1285 | 1040 | 856 | ||||||||||||
| GLC3-8 | 1445 | 1200 | 1010 | G2 | G11/2 | ||||||||||
| GLC3-9 | 1605 | 1360 | 1170 | ||||||||||||
| GLC3-10 | 1775 | 1530 | 1340 | ||||||||||||
| GLC3-11 | 1955 | 1710 | 1520 | ||||||||||||
| GLC4-13 | 1270 | 985 | 745 | 248 | 156 | 270 | 130 | 220 | 219 | 137 | 150 | 3 | G2 | G2 | 4-Ф19 |
| GLC4-15 | 1430 | 1145 | 905 | ||||||||||||
| GLC4-17 | 1590 | 1305 | 1065 | ||||||||||||
| GLC4-19 | 1760 | 1475 | 1235 | ||||||||||||
| GLC4-21 | 1940 | 1655 | 1415 | ||||||||||||
| GLC4-23 | 2110 | 1825 | 1585 | ||||||||||||
| GLC4-25 | 2290 | 2005 | 1765 | ||||||||||||
| GLC4-27 | 2460 | 2175 | 1935 |