

| 球阀 |
| 闸阀 |
| 蝶阀 |
| 截止阀 |
| 止回阀 |
| 排气阀 |
| 过滤器 |
| 电磁阀 |
| 旋塞阀 |
| 平衡阀 |
| 减压阀 |
| 调节阀 |
| 角座阀 |
| 针型阀 |
| 疏水阀 |
| 管夹阀 |
| 隔膜阀 |
| 阻火器 |
| 呼吸阀 |
| 排泥阀 |
| 液压阀 |
| 放料阀 |
| 柱塞阀 |
| 低温阀门 |
| 衬氟阀门 |
| 塑料阀门 |
| 刀型闸阀 |
| 陶瓷阀门 |
| 黄铜阀门 |
| 水力控制阀 |
| 电动气动阀门 |
| 特材阀门 |
| 进入更多阀门系列 |

| 产品品牌 | Ruihao |
| 产品型号 | SF,VU型 |
| 产品口径 | G1/4-G1 |
| 产品压力 | 500Bar |
| 产品材质 | 碳钢 |
| 产品应用 | 液压系统 |
| 产品特点 | ●瑞濠阀门,Ruihao工业品质。 ●质量保证,交货快捷,售后完善。 ●产品三包:包修、包换、包退。 ●(Ruihao)Pipeline Safety Keeper。 ●Ruihao工业品牌阀门,管道的安全管理员。 ●销售热线:+8613676550726、31007662。 |
VU/SF型梭阀图型符号:

VU/SF型梭阀应用材料:
阀体:钢
阀芯:钢
温度:
理想工作温度:+40℃~+70℃
工作温度不可大过:+90℃
环境温度:-20℃~+60℃
VU/SF型梭阀技术参数:
公称通径:6、12mm
公称流量:32MPa
公称压力:25、40L/min
适用介质:液压油
VU/SF型梭阀流量:
|
型号 |
VU/SF-01-1/4 |
VU/SF-02-3/8 |
VU/SF-03-1/2 |
VU/SF-04-3/4 |
VU/SF-05-1 |
|
工作压力 |
50 |
50 |
50 |
35 |
30 |
|
流量 |
20 |
45 |
80 |
110 |
150 |
|
型号 |
A |
B |
C |
D |
E |
F |
G |
H |
I |
SW |
|
VU/SF-01-1/4 |
48 |
36 |
25 |
35 |
22.5 |
7.5 |
G1/4 NPT1/4 |
25 |
5.5 |
22 |
|
VU/SF-02-3/8 |
59 |
45 |
30 |
45 |
30 |
8 |
G3/8 NPT3/8 |
29 |
6.5 |
27 |
|
VU/SF-03-1/2 |
90 |
57 |
35 |
50 |
32.5 |
8.5 |
G1/2 NPT1/2 |
36 |
6.5 |
32 |
|
VU/SF-04-3/4 |
113 |
62 |
45 |
60 |
37 |
6.5 |
G3/4 NPT3/4 |
50 |
8.5 |
41 |
|
VU/SF-05-1 |
120 |
80 |
50 |
80 |
45.5 |
11 |
G1 NPT1 |
60 |
10.5 |
46 |

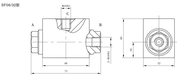
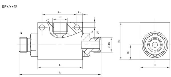
| 型号 | D1 | D2 | L1 | L2 | L3 | L4 | L5 | L6 | H1 | H1 |
| SF06/36W | M16×1.5 | M16×1.5 | 48 | 87 | 32 | - | - | - | 16 | 40 |
| SF12/31 | M22×1.5 | M18×1.5 | 65 | 115 | 35 | 8 | 10 | 45 | 18 | 48 |

